Circuito in regime sinusoidale
Moderatori:
g.schgor,
IsidoroKZ
16 messaggi
• Pagina 1 di 2 • 1, 2
0
voti
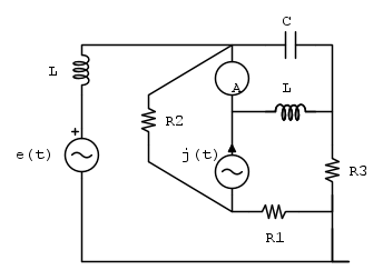
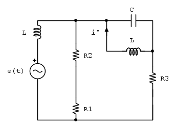
Salve ragazzi, ho un problema con questo circuito in regime sinusoidale.
Devo calcolare la corrente legga dall'Amperometro A:
Non inserisco i valori numerici perché mi interessa capire il ragionamento più che sviluppare i calcoli. L e C hanno valori tali che c'è una risonanza.
Ho pensato ad una LKC al nodo in basso, ma per farlo ho bisogno della corrente passante per L. Ho pensato quindi a come calcolare la corrente passante per L, ma la risonanza fa sì che ci sia un circuito aperto lì e rende un po' impossibile il calcolo della corrente passante per L. Il problema è che anche facendo una LKC al morsetto di sopra, necessito della corrente passante per C, quindi la situazione non è più semplice..
Potreste aiutarmi ? Grazie.
Devo calcolare la corrente legga dall'Amperometro A:
Non inserisco i valori numerici perché mi interessa capire il ragionamento più che sviluppare i calcoli. L e C hanno valori tali che c'è una risonanza.
Ho pensato ad una LKC al nodo in basso, ma per farlo ho bisogno della corrente passante per L. Ho pensato quindi a come calcolare la corrente passante per L, ma la risonanza fa sì che ci sia un circuito aperto lì e rende un po' impossibile il calcolo della corrente passante per L. Il problema è che anche facendo una LKC al morsetto di sopra, necessito della corrente passante per C, quindi la situazione non è più semplice..
Potreste aiutarmi ? Grazie.
2
voti
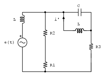
Non riesco a vedere nessun modo veloce di risolvere il circuito. Ti suggerisco di usare la sovrapposizione degli effetti.
Questo è il circuito da usare per calcolare
(primo contributo di i):
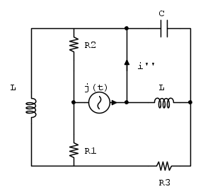
Circuito da usare per calcolare
:
In entrambi i casi la corrente che scorre in
è nulla e questo semplifica un po' i conti. 
Questo è il circuito da usare per calcolare
(primo contributo di i):Circuito da usare per calcolare
:In entrambi i casi la corrente che scorre in
è nulla e questo semplifica un po' i conti. mark
0
voti
Quindi tu consigli di utilizzare il principio di sovrapposizione degli effetti per trovare i due contributi di corrente letti dall'amperometro e non fare una LKC inizialmente per poi trovare le correnti incognite necessarie alla risoluzione della LKC stessa..
1
voti
Va bene anche scrivere una LKC al nodo che avevi pensato all'inizio. Poi calcoli la tensione ai capi dell'induttore usando la sovrapposizione degli effetti e ricavi la corrente che ti serve per la LKC. I conti sono pressoché identici.
mark
0
voti
Il problema è che, avendo una risonanza tra L e C proprio lì dove c'è l'amperometro, essi sono in parallelo e sono approssimabili ad un circuito aperto. Quindi mi ritrovo a calcolare la tensione ai capi di un qualcosa che poi non c'è più..
1
voti
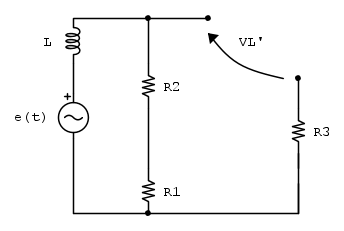
Per calcolare la tensione ai capi di un circuito aperto bisogna sempre scrivere una equazione alla maglia in quanto questa tensione dipende dagli altri componenti del circuito.
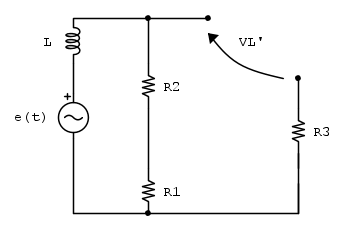
Torniamo al nostro circuito:
Spengo il generatore di corrente.
Sapendo che L e C sono in risonanza sostituisco il parallelo con un circuito aperto.
Si può calcolare
con un semplice partitore di tensione.

Torniamo al nostro circuito:
Spengo il generatore di corrente.
Sapendo che L e C sono in risonanza sostituisco il parallelo con un circuito aperto.
Si può calcolare
con un semplice partitore di tensione.
mark
0
voti
Perdonami, posso chiederti una cosa: hai fatto il partitore perché la tensione Vl è pari alla tensione di R1+R2?
E se sì, posso chiederti perché ? Suppongo perché R3 è in serie ad un circuito aperto, quindi non ha passaggio di corrente e, per legge di Ohm, non ha tensione ai suoi capi, quindi posso dire che R1+R2 è in parallelo a quel circuito aperto e quindi ha la stessa tensione.
E se sì, posso chiederti perché ? Suppongo perché R3 è in serie ad un circuito aperto, quindi non ha passaggio di corrente e, per legge di Ohm, non ha tensione ai suoi capi, quindi posso dire che R1+R2 è in parallelo a quel circuito aperto e quindi ha la stessa tensione.
1
voti
SimoneLP ha scritto:...R3 è in serie ad un circuito aperto, quindi non ha passaggio di corrente e, per legge di Ohm, non ha tensione ai suoi capi, quindi posso dire che R1+R2 è in parallelo a quel circuito aperto e quindi ha la stessa tensione.
Prova a scrivere una equazione alla maglia con le tensioni in rosso.
.mark
0
voti
Quindi potrei utilizzare il principio di sovrapposizione per cercare la corrente passante per l'induttore della risonanza o magari la d.d.p. ai capi del circuito aperto della risonanza, perché poi essa è uguale alla d.d.p. ai capi dell'induttore stesso (e quindi ottengo la corrente), giusto ?
Quando spengo J è semplice trovare la tensione ai capi del circuito aperto. Spegnendo E, meno perché ho una LKT alla maglia con un generatore di corrente.. Però è già un passo in avanti nella risoluzione del problema.
Quando spengo J è semplice trovare la tensione ai capi del circuito aperto. Spegnendo E, meno perché ho una LKT alla maglia con un generatore di corrente.. Però è già un passo in avanti nella risoluzione del problema.
1
voti
SimoneLP ha scritto:Quindi potrei utilizzare il principio di sovrapposizione per cercare la corrente passante per l'induttore della risonanza o magari la d.d.p. ai capi del circuito aperto della risonanza, perché poi essa è uguale alla d.d.p. ai capi dell'induttore stesso (e quindi ottengo la corrente), giusto ?
Giusto.
SimoneLP ha scritto:...Spegnendo E...
Nota che L e R1 sono in serie e questa serie è in parallelo a R2. Puoi usare il partitore di corrente per calcolare
e
.mark
16 messaggi
• Pagina 1 di 2 • 1, 2
Torna a Elettrotecnica generale
Chi c’è in linea
Visitano il forum: Nessuno e 59 ospiti

Elettrotecnica e non solo (admin)
Un gatto tra gli elettroni (IsidoroKZ)
Esperienza e simulazioni (g.schgor)
Moleskine di un idraulico (RenzoDF)
Il Blog di ElectroYou (webmaster)
Idee microcontrollate (TardoFreak)
PICcoli grandi PICMicro (Paolino)
Il blog elettrico di carloc (carloc)
DirtEYblooog (dirtydeeds)
Di tutto... un po' (jordan20)
AK47 (lillo)
Esperienze elettroniche (marco438)
Telecomunicazioni musicali (clavicordo)
Automazione ed Elettronica (gustavo)
Direttive per la sicurezza (ErnestoCappelletti)
EYnfo dall'Alaska (mir)
Apriamo il quadro! (attilio)
H7-25 (asdf)
Passione Elettrica (massimob)
Elettroni a spasso (guidob)
Bloguerra (guerra)








