Cos'è ElectroYou | Login Iscriviti

ElectroYou - la comunità dei professionisti del mondo elettrico

Guitar output switch

Elettronica lineare e digitale: didattica ed applicazioni

Moderatori: Foto Utentecarloc, Foto Utenteg.schgor, Foto UtenteBrunoValente, Foto UtenteIsidoroKZ

0
voti

[1] Guitar output switch

Messaggioda Foto Utenteira83 » 7 gen 2017, 0:57

Ciao a tutti,

Vi scrivo per porvi un quesito al quale ho già parzialmente dato risposta, ma sarei curioso di sapere cosa fareste voi al posto mio :D

Semplicemente ho una chitarra elettrica seguita da 5-6 pedalini effetti. In questa posizione vorrei inserire uno switch che mi seleziona dove dirottare l'audio.

Il suono deve arrivare o all'amplificatore Line6 spider II o all'interfaccia iRig (che poi importerà il suono sul computer).

La prima domanda è: realizzare un banale switch meccanico con un semplice 3pdt
Immagine
O aggiungere anche un semplicissimo buffer realizzato con un operazionale non invertente?

Provando al volo con il semplice contatto diretto (quindi senza buffer) funziona tutto....

La seconda domanda è: se volessi aggiungere un uscita, ovvero un totale di 3 uscite, esistono relay da PCB a tre vie?

Ringrazio in anticipo
Avatar utente
Foto Utenteira83
45 1 7
Frequentatore
Frequentatore
 
Messaggi: 185
Iscritto il: 12 gen 2011, 16:56

0
voti

[2] Re: Guitar output switch

Messaggioda Foto Utenteibra » 7 gen 2017, 1:15

esistono relay da PCB a tre vie?

Dalla mia poca esperienza che ho sui relè, e probabilmente sbaglierò, conosco solo quelli da 1-2-4 vie. E quelli da 4 vie che conosco non sono nemmeno saldabili su un PCB ma solo da innesto su apposito zoccolo.
Avatar utente
Foto Utenteibra
1.282 3 4 6
CRU - Account cancellato su Richiesta utente
 
Messaggi: 2100
Iscritto il: 15 lug 2015, 0:45

0
voti

[3] Re: Guitar output switch

Messaggioda Foto UtenteKagliostro » 7 gen 2017, 3:08

A 3 vie non so, a 4 si (nel link un bistabile ma dovresti trovarli anche monostabili)

http://it.rs-online.com/web/p/rele-bistabili/2172781/

Ma credo che sia per costo che per reperibilità ti convenga usare 2 x DPDT anzichè 1 x 4PDT

K
Avatar utente
Foto UtenteKagliostro
6.396 4 5 7
Master
Master
 
Messaggi: 4830
Iscritto il: 19 set 2012, 11:32

0
voti

[4] Re: Guitar output switch

Messaggioda Foto Utenteclaudiocedrone » 7 gen 2017, 3:11

:-) Se ho capito bene devi solo deviare e non bypassare... se non necessiti di comando a pedale potresti usare un commutatore rotativo, ne trovi a quante posizioni vuoi; il buffer non serve se i collegamenti sono "corti" anche perché il segnale uscente dai pedalini dovrebbe essere già bufferato. O_/
"Non farei mai parte di un club che accettasse la mia iscrizione" (G. Marx)
Avatar utente
Foto Utenteclaudiocedrone
21,3k 4 7 9
Master EY
Master EY
 
Messaggi: 15302
Iscritto il: 18 gen 2012, 13:36

0
voti

[5] Re: Guitar output switch

Messaggioda Foto Utenteira83 » 7 gen 2017, 10:27

claudiocedrone ha scritto::-) Se ho capito bene devi solo deviare e non bypassare... se non necessiti di comando a pedale potresti usare un commutatore rotativo, ne trovi a quante posizioni vuoi; il buffer non serve se i collegamenti sono "corti" anche perché il segnale uscente dai pedalini dovrebbe essere già bufferato. O_/


Avevo pensato pure io a questa cosa ma la mia idea era quella di utilizzare proprio un sistema da inserire poi in un pedale...
Un idea malsana mi è venuta questa notte: utilizzare due relay (o meglio un dpdt dual coil) in cascata e pilotarli con un micro attiny 25 o simili)

Andrei a posizionare un solo switch a pressione e poi ci pensa il micro andando a fare uno switch seriale out1-out2-out3
Avatar utente
Foto Utenteira83
45 1 7
Frequentatore
Frequentatore
 
Messaggi: 185
Iscritto il: 12 gen 2011, 16:56

0
voti

[6] Re: Guitar output switch

Messaggioda Foto Utenterugweri » 7 gen 2017, 10:33

claudiocedrone ha scritto:il segnale uscente dai pedalini dovrebbe essere già bufferato. O_/


Purtroppo molti pedali sono "true-bypass" (in estrema sintesi, piuttosto che un buffer è prevista la "deviazione" su un percorso interno al pedale separato dal circuito dell'effetto)...

Comunque, Ira83, quello che serve a te è commercialmente noto come ABY SWITCH (qui trovi qualche esempio di buonissima qualità). Qui puoi vedere lo schema di uno switch passivo (l'alimentazione serve solo per illuminare i LED), ma ce ne sono anche di attivi (e io personalmente li preferisco).
Avatar utente
Foto Utenterugweri
5.948 2 8 13
CRU - Account cancellato su Richiesta utente
 
Messaggi: 1366
Iscritto il: 25 nov 2016, 18:46

0
voti

[7] Re: Guitar output switch

Messaggioda Foto UtenteEcoTan » 7 gen 2017, 10:56

ira83 ha scritto:se volessi aggiungere un uscita, ovvero un totale di 3 uscite, esistono relay da PCB a tre vie?

Se intendi 3 destinazioni diverse fra cui comandare 1 scelta, non è che occorrono 3 vie bensì 3 posizioni, o giustamente più relè in cascata.
Avatar utente
Foto UtenteEcoTan
7.720 4 12 13
Expert EY
Expert EY
 
Messaggi: 5422
Iscritto il: 29 gen 2014, 8:54

0
voti

[8] Re: Guitar output switch

Messaggioda Foto Utenteira83 » 7 gen 2017, 11:43

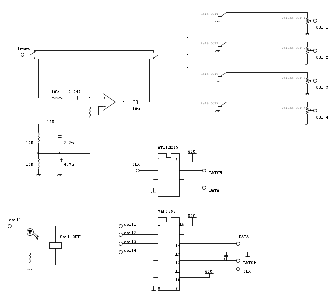
Si parte sempre con un idea semplice e ora ho pensato che tanto vale fare un lavoro completo dove ho:

2 Relè dpdt dual coil (quindi è come avere 4 switch)
1 attiny25 che gestisce gli scambi (in successione 1-2-3-4)
1 buffer (bypassabile) in ingresso
led che mi informa di quale uscita è attiva
regolazione volume indipendente per ogni uscita
ogni uscita disattivata è a GND in modo da evitare possibili disturbi sui finali

Che ve ne pare? consigli o migliorie? secondo voi il shift register posso anche eliminarlo e sfruttare direttamente 4 uscite dell'attiny?

Avatar utente
Foto Utenteira83
45 1 7
Frequentatore
Frequentatore
 
Messaggi: 185
Iscritto il: 12 gen 2011, 16:56

0
voti

[9] Re: Guitar output switch

Messaggioda Foto Utenteclaudiocedrone » 7 gen 2017, 20:24

:-) Foto Utenterugweri, riguardo il true bypass hai ragione e anche è da molto tempo di moda trasformare i pedali commerciali in true bypass basandosi sull'orrenda troiata audiofilitica che gli switch elettronici si mangiano il segnale... mi sono però basato sul fatto che l'OP aveva scritto che con collegamento "diretto" non aveva riscontrato problemi; ad ogni modo visto che la discussione si sta elettronicamente complicando troppo per le mie labili cognizioni e che un Attiny non so nemmeno cosa sia :mrgreen: mi ritiro in buon ordine e lascio l'OP in mani di gran lunga migliori delle mie. O_/
"Non farei mai parte di un club che accettasse la mia iscrizione" (G. Marx)
Avatar utente
Foto Utenteclaudiocedrone
21,3k 4 7 9
Master EY
Master EY
 
Messaggi: 15302
Iscritto il: 18 gen 2012, 13:36

0
voti

[10] Re: Guitar output switch

Messaggioda Foto Utenterugweri » 7 gen 2017, 21:52

claudiocedrone ha scritto::-) Foto Utenterugweri, riguardo il true bypass hai ragione e anche è da molto tempo di moda trasformare i pedali commerciali in true bypass basandosi sull'orrenda troiata audiofilitica che gli switch elettronici si mangiano il segnale


...E non è la cosa peggiore: non hai idea di cosa xxxxx mi abbiano costretto a sentire :cry:
Avatar utente
Foto Utenterugweri
5.948 2 8 13
CRU - Account cancellato su Richiesta utente
 
Messaggi: 1366
Iscritto il: 25 nov 2016, 18:46

Prossimo

Torna a Elettronica generale

Chi c’è in linea

Visitano il forum: Google Adsense [Bot] e 99 ospiti