Buonasera ragazzi, volevo porvi una domanda inerente ai mosfet che possono realizzare (quindi agire come ) generatori di corrente.
Vi mostro sia l'NMOS che il PMOS:
Ho due domande inerenti alle due tipi di analisi che mi servono per determinare guadagno di tensione,resistenza d'ingresso o di uscita di un amplificatore a singolo stadio o multistadio:
Domanda relativa all'analisi DC:
Quando studio la polarizzazione quindi analisi DC e incontro un NMOS con tali caratteristiche o un PMOS con tali caratteristiche, devo sostituire il loro simbolo di NMOS o PMOS, il rispettivo generatore di corrente?Oppure posso semplicemente dire che si comportano come tali e lascio i loro simboli di NMOS o PMOS?
Domanda relativa all'analisi AC:
Quando vado a studiare il circuito in analisi AC , immaginando che questi due dispositivi NMOS o PMOS (che presentano tali caratteristiche ) che sia, si comportino come generatori di corrente, abbiamo che nelle medie frequenze (analisi ac) i generatori sono circuiti aperti.
Quindi devo considerare NMOS o PMOS che sia , circuiti aperti?
Perché faccio queste due domande?
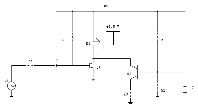
Perché ho incontrato un esercizio , ovvero questo che vi posto:
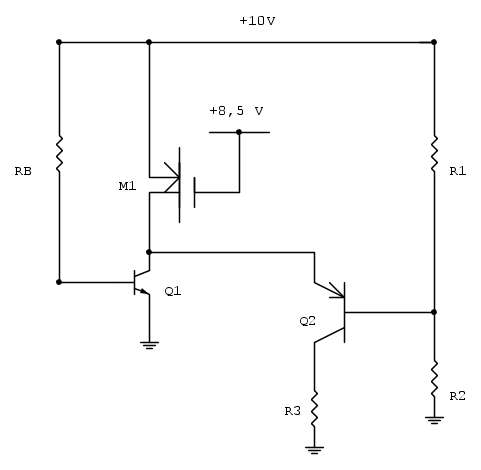
Il circuito di polarizzazione che ho ottenuto è questo:
Mi trovo con questo circuito e denoto solo che si comporta come un generatore ci corrente senza sostituire
un vero generatore di corrente.
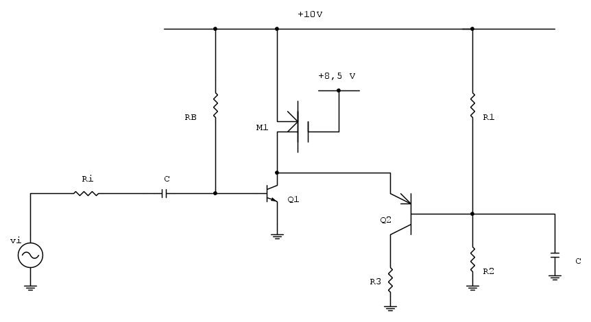
Per quanto riguarda l'analisi ac, il circuito è questo (preso direttamente dal testo):
Il mosfet M1 è sparito e quindi ho pensato che comportandosi come un generatore di corrente, in ac diventa un circuito aperto.
Qualcuno può chiarirmi questi dubbi?
Ringrazio anticipatamente.
MOSFET che realizzano generatori di corrente
Moderatori:
carloc,
g.schgor,
BrunoValente,
IsidoroKZ
4 messaggi
• Pagina 1 di 1
0
voti
Ultima modifica di
PietroBaima il 27 gen 2017, 21:25, modificato 1 volta in totale.
Motivazione: aggiustato titolo, scritto tutto in maiuscolo
Motivazione: aggiustato titolo, scritto tutto in maiuscolo
0
voti
Se devi girare un simbolo o specchiarlo, usa i comandi R e S, cosi` li posizioni come vuoi.
Per usare proficuamente un simulatore, bisogna sapere molta più elettronica di lui
Plug it in - it works better!
Il 555 sta all'elettronica come Arduino all'informatica! (entrambi loro malgrado)
Se volete risposte rispondete a tutte le mie domande
Plug it in - it works better!
Il 555 sta all'elettronica come Arduino all'informatica! (entrambi loro malgrado)
Se volete risposte rispondete a tutte le mie domande
0
voti
hmhhm personalmente penso che il PMOS M1 sia stato omesso in AC dal momento che in AC la Vsg del PMOS e' nulla ne consegue che il modello equivalente di piccolo segnale per il PMOS sarebbe la sola resistenza tra drain a source di saturazione che e' inversamente proporzionale al LAMBDA . Io ci avrei lasciato almeno la ro del PMOS.
-

ingmarketz
165 1 2 6 - Stabilizzato

- Messaggi: 408
- Iscritto il: 23 nov 2011, 23:49
1
voti

"Non farei mai parte di un club che accettasse la mia iscrizione" (G. Marx)
-

claudiocedrone
21,3k 4 7 9 - Master EY

- Messaggi: 15302
- Iscritto il: 18 gen 2012, 13:36
4 messaggi
• Pagina 1 di 1
Chi c’è in linea
Visitano il forum: Google Adsense [Bot] e 55 ospiti

Elettrotecnica e non solo (admin)
Un gatto tra gli elettroni (IsidoroKZ)
Esperienza e simulazioni (g.schgor)
Moleskine di un idraulico (RenzoDF)
Il Blog di ElectroYou (webmaster)
Idee microcontrollate (TardoFreak)
PICcoli grandi PICMicro (Paolino)
Il blog elettrico di carloc (carloc)
DirtEYblooog (dirtydeeds)
Di tutto... un po' (jordan20)
AK47 (lillo)
Esperienze elettroniche (marco438)
Telecomunicazioni musicali (clavicordo)
Automazione ed Elettronica (gustavo)
Direttive per la sicurezza (ErnestoCappelletti)
EYnfo dall'Alaska (mir)
Apriamo il quadro! (attilio)
H7-25 (asdf)
Passione Elettrica (massimob)
Elettroni a spasso (guidob)
Bloguerra (guerra)






