Micromotori DC per modellismo (prototipo per generatore?)
Moderatore:
brabus
0
voti
In teoria; solo che l'OP non si è più collegato
...
Il futuro appartiene a coloro che credono nella bellezza dei propri sogni.
Formule LaTeX
Uso di LaTeX sul forum
⋮ƎlectroYou
Formule LaTeX
Uso di LaTeX sul forum
⋮ƎlectroYou
0
voti
sarebbe stato fantastico vedere il finale di questo progetto...
magari chissa' piu' avanti puo' darsi si rifaccia vivo....
magari chissa' piu' avanti puo' darsi si rifaccia vivo....
⋮ƎlectroYou
-

stefanob70
14,1k 5 11 13 - Master EY

- Messaggi: 3190
- Iscritto il: 14 lug 2012, 13:14
- Località: Roma
0
voti
e se qualcuno continuasse a posto di jno? ho letto queste 8 pagine con la speranza di vedere il risultato finale, ma vi prego non può finire cosi, più tosto mi faccio in 4 pur di dare un piccolo contributo.
2
voti
https://www.ono3d.net/
la stampante è , dopo 18 mesi, in spedizione ai soli partecipanti kickstarter,
da pasqua poi sarà in vendita anche a noi comuni mortali
Finalmente uno strato di un decimo di millimetro sarà anche possibile,
tutti i centri stampa si sono rifiutati di stamparmi i portamotori doppi.
Ho rotto e riordinato i magneti diametrali e mi sono procurato delle punte idonee
ed un minimo di attrezzatura migliore.
Rileggo le pagine di questo thread, credo ci sia qualcosa che ho sperimentato ma che non ho ancora inserito.

1
voti
trovato, è il post numero 4 di questo thread, il penultimo in pratica:
https://e2e.ti.com/support/applications ... 30/1883536
l'integrato per 5 avvolgimenti in delta EIC4101 costa 30 euro l'uno e per 4 motori è improponibile
Per cui , dato che ho trovato motori brush modificabili a brushless con 9 avvolgimenti
tipo "delta mode", cerco di ovviare con un circuito molto più economico.
Sulla carta un 9 avvolgimenti converte il 96 % teorico della potenza immessa
contro l'83% di un 5 avvolgimenti ed un 64% teorico di un 3 avvolgimenti.
Per qualsiasi modello rimane da detrarre attrito, perdite elettriche
perdite per irraggiamento termico prodotto etc etc etc.
Ringrazio SkyStar per essermi venuto a "scovare" nel mio forum
dove tratto sull'argomento di compressione numerica , argomento pallosissimo per lo più
( matrici anche applicate nel jpeg, winzip, mp3 alcune applicazioni migliorate da queste ricerche )
e giusto per diletto applicate anche al gioco numerico.
https://e2e.ti.com/support/applications ... 30/1883536
l'integrato per 5 avvolgimenti in delta EIC4101 costa 30 euro l'uno e per 4 motori è improponibile
Per cui , dato che ho trovato motori brush modificabili a brushless con 9 avvolgimenti
tipo "delta mode", cerco di ovviare con un circuito molto più economico.
Sulla carta un 9 avvolgimenti converte il 96 % teorico della potenza immessa
contro l'83% di un 5 avvolgimenti ed un 64% teorico di un 3 avvolgimenti.
Per qualsiasi modello rimane da detrarre attrito, perdite elettriche
perdite per irraggiamento termico prodotto etc etc etc.
Ringrazio SkyStar per essermi venuto a "scovare" nel mio forum
dove tratto sull'argomento di compressione numerica , argomento pallosissimo per lo più
( matrici anche applicate nel jpeg, winzip, mp3 alcune applicazioni migliorate da queste ricerche )
e giusto per diletto applicate anche al gioco numerico.
1
voti
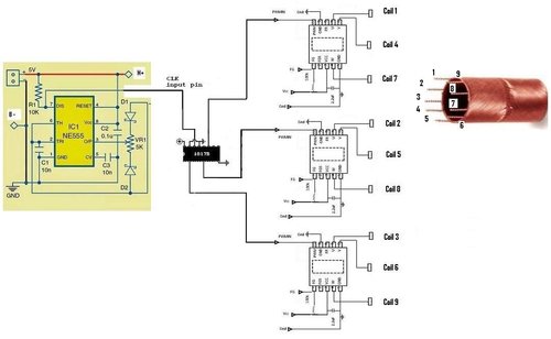
questo in breve il miglior tentativo attuale.
Il circuito NE555 e dintorni crea una frequenza
il 4017B da un impulso in sequenza rotante sulle 7 uscite
l'IC "A" driver della texas quando c'è l'impulso in uscita sulla sequenza 1 del 4017B
dà un impulso di pilotaggio sulla coil1
il 4017 prosegue a dare un impulso sulla uscita 2 che non è connessa, ma in questa fase
tramite le coil 4 e 7 l'Ic motor driver "A" riceve il feedback dal motore per i successivi pilotaggi
il 4017B dà un impulso sulla uscita 3 connessa al driver motor "B" che darà un impulso alla coil 2
il 4017B dà un impulso sulla uscita 4 non connessa, ma in questa fase
tramite le coil 5 e 8 l'Ic motor driver "A" riceve il feedback dal motore per i successivi pilotaggi
il 4017B dà un impulso sulla uscita 5 connessa al driver motor "C" che darà un impulso alla coil 3
il 4017B dà un impulso sulla uscita 6 e 7 non connessa, ma in questa fase
tramite le coil 6 e 9 l'Ic motor driver "A" riceve il feedback dal motore per i successivi pilotaggi
si riprende il giro dal principio pilotando in sequenza le coil 4 , 5 , 6 + i tempi di feedback
si riprende il giro dal principio pilotando in sequenza le coil 7 , 8 , 9 + i tempi di feedback
Questo per il minor costo possibile
non è perfetto ma almeno va.
Il circuito NE555 e dintorni crea una frequenza
il 4017B da un impulso in sequenza rotante sulle 7 uscite
l'IC "A" driver della texas quando c'è l'impulso in uscita sulla sequenza 1 del 4017B
dà un impulso di pilotaggio sulla coil1
il 4017 prosegue a dare un impulso sulla uscita 2 che non è connessa, ma in questa fase
tramite le coil 4 e 7 l'Ic motor driver "A" riceve il feedback dal motore per i successivi pilotaggi
il 4017B dà un impulso sulla uscita 3 connessa al driver motor "B" che darà un impulso alla coil 2
il 4017B dà un impulso sulla uscita 4 non connessa, ma in questa fase
tramite le coil 5 e 8 l'Ic motor driver "A" riceve il feedback dal motore per i successivi pilotaggi
il 4017B dà un impulso sulla uscita 5 connessa al driver motor "C" che darà un impulso alla coil 3
il 4017B dà un impulso sulla uscita 6 e 7 non connessa, ma in questa fase
tramite le coil 6 e 9 l'Ic motor driver "A" riceve il feedback dal motore per i successivi pilotaggi
si riprende il giro dal principio pilotando in sequenza le coil 4 , 5 , 6 + i tempi di feedback
si riprende il giro dal principio pilotando in sequenza le coil 7 , 8 , 9 + i tempi di feedback
Questo per il minor costo possibile
Ultima modifica di
wall87 il 8 feb 2017, 21:30, modificato 1 volta in totale.
Motivazione: Reinserita immagine come allegato
Motivazione: Reinserita immagine come allegato
0
voti
Ciao, dato che era fin troppo logico il principio di funzionamento,
anche la dyson ha creato un motore "simile" .
ed avendo invece utilizzato 8 avvolgimeni con resa massima teorica del 91%,
diciamo che sono "gemelli diversi ".
per il doppio del tempo del suo modello precedente, pur usando la stessa batteria
il 9 avvolgimenti non lo vedo ancora brevettato sul google patents....
1
voti
Jno ha scritto:Sulla carta un 9 avvolgimenti converte il 96 % teorico della potenza immessa
contro l'83% di un 5 avvolgimenti ed un 64% teorico di un 3 avvolgimenti.
Spiegami un po': hai scritto che un motore brushless trifase ha un'efficienza massima del 64 % ?
0
voti
Ciao.Ci sono modi diversi di vedere la resa dei motori.
Ma se dai tre impulsi semi-sinusoidali in sequenza , uno per avvolgimento,
lo vedi da te che l'area coperta è poco meno del 64%.
Non ha nessuna importanza se il motore è brush o brushless.
Puoi dare tre impulsi quadrati per aumentare questa copertura,
ma la forza contro elettro motrice degli avvolgimenti
tenderà comunque ad arrotondare l'impulso.
Casualmente avendo tra le mani un motore brush giocattolo rotto da 5 avvolgimenti
ho riprogettato un brevetto del 2007 che ignoravo e che porta la copertura dell'area dal 64% al 75%.
Ho ritrovato in seguito il brevetto su google patent e suo relativo integrato pilota.
A costi più elevati puoi usare due dei suoi integrati per far pilotare da
ognuno 180 gradi di rotazione su un motore a 10 avvolgimenti ,
avrai il 99,1% di copertura dell'area , costo 60$ solo per gli integrati.
Impensabile per un drone giocattolo dal costo massimo di 100$, ce ne vorrebbero almeno 5 volte di più.
A questo punto è bastato calcolare in modo approssimativo quale sarebbe stata
la massima resa con la minima spesa, risultava essere ottenibile utilizzando 9 avvolgimenti.
Anche perché ne avevo alcuni brush modificabili per l'uso voluto a 4 soldi.
Se ne inserisci ancora di avvolgimenti aumenti il costo del circuito pilota ottenendo solo
frazioni percentuali di miglioramento.
Se gradisci una spiegazione più professionale del fenomeno
puoi leggere la documentazione
https://www.mpja.com/download/5phasenew ... driver.pdf
forum
https://www.orientalmotorforum.com/index.php
e vedo che da 3 anni fa , quando partii a studiare il fenomeno, il sito è cambiato,
è più complesso trovare i dati:
https://www.orientalmotor.com/
Ritengo che la Dyson abbia fatto un raginamento molto simile,
puntando su un motore fatto con 8 avvolgimenti ed almeno una decina di brevetti,

0
voti
Jno ha scritto:Ci sono modi diversi di vedere la resa dei motori
Vedo che tu prendi in considerazione qualcosa di vagamente simile a una specie di "regolarità ciclica", per usare una terminologia da motori a combustione interna.
Nel post [9] avevo detto qualcosa in proposito, forse superflua ma ancorata a esperimenti fatti.
Chi c’è in linea
Visitano il forum: Nessuno e 36 ospiti

Elettrotecnica e non solo (admin)
Un gatto tra gli elettroni (IsidoroKZ)
Esperienza e simulazioni (g.schgor)
Moleskine di un idraulico (RenzoDF)
Il Blog di ElectroYou (webmaster)
Idee microcontrollate (TardoFreak)
PICcoli grandi PICMicro (Paolino)
Il blog elettrico di carloc (carloc)
DirtEYblooog (dirtydeeds)
Di tutto... un po' (jordan20)
AK47 (lillo)
Esperienze elettroniche (marco438)
Telecomunicazioni musicali (clavicordo)
Automazione ed Elettronica (gustavo)
Direttive per la sicurezza (ErnestoCappelletti)
EYnfo dall'Alaska (mir)
Apriamo il quadro! (attilio)
H7-25 (asdf)
Passione Elettrica (massimob)
Elettroni a spasso (guidob)
Bloguerra (guerra)






