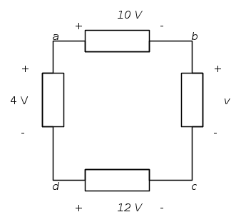
Vi faccio un esempio di come ragiono. Questo è un esercizio dove devo trovare
:Il problema è che non riesco ad impostare l'equazione. Sono arrivato al risultato di 6 soltanto per fortuna. Non sapendo che segno attribuire alle tensioni ovviamente le equazioni saranno tutte diverse. Mi avete detto di dare arbitrariamente un verso ad una tensione, ma così facendo non saprò mai quale sara l'equazione giusta. Non riesco davvero a capire. Aiuto!


Elettrotecnica e non solo (admin)
Un gatto tra gli elettroni (IsidoroKZ)
Esperienza e simulazioni (g.schgor)
Moleskine di un idraulico (RenzoDF)
Il Blog di ElectroYou (webmaster)
Idee microcontrollate (TardoFreak)
PICcoli grandi PICMicro (Paolino)
Il blog elettrico di carloc (carloc)
DirtEYblooog (dirtydeeds)
Di tutto... un po' (jordan20)
AK47 (lillo)
Esperienze elettroniche (marco438)
Telecomunicazioni musicali (clavicordo)
Automazione ed Elettronica (gustavo)
Direttive per la sicurezza (ErnestoCappelletti)
EYnfo dall'Alaska (mir)
Apriamo il quadro! (attilio)
H7-25 (asdf)
Passione Elettrica (massimob)
Elettroni a spasso (guidob)
Bloguerra (guerra)








