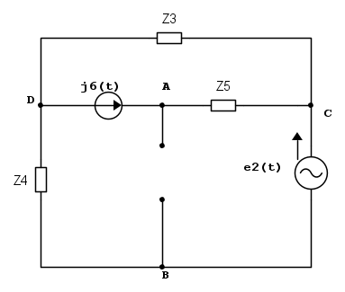
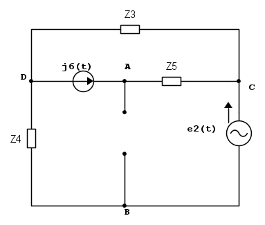
Il circuito in figura è a regime sinusoidale.
Calcolare:
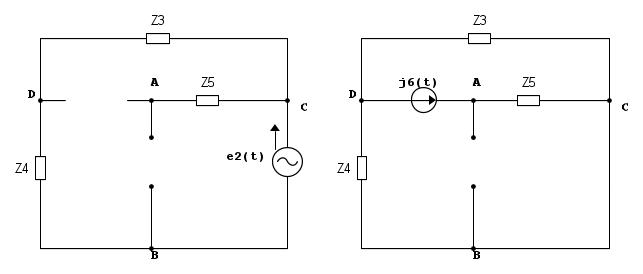
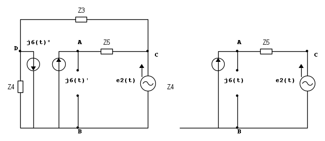
1.1) i parametri del circuito equivalente alla Thévenin ai
morsetti A-B visto dalla serie
;1.2) il fasore della corrente che interessa tale serie e la
corrispondente funzione del tempo;
1.3) la potenza complessa assorbita dal bipolo serie

DATI







come calcolereste
e
?grazie mille

Elettrotecnica e non solo (admin)
Un gatto tra gli elettroni (IsidoroKZ)
Esperienza e simulazioni (g.schgor)
Moleskine di un idraulico (RenzoDF)
Il Blog di ElectroYou (webmaster)
Idee microcontrollate (TardoFreak)
PICcoli grandi PICMicro (Paolino)
Il blog elettrico di carloc (carloc)
DirtEYblooog (dirtydeeds)
Di tutto... un po' (jordan20)
AK47 (lillo)
Esperienze elettroniche (marco438)
Telecomunicazioni musicali (clavicordo)
Automazione ed Elettronica (gustavo)
Direttive per la sicurezza (ErnestoCappelletti)
EYnfo dall'Alaska (mir)
Apriamo il quadro! (attilio)
H7-25 (asdf)
Passione Elettrica (massimob)
Elettroni a spasso (guidob)
Bloguerra (guerra)




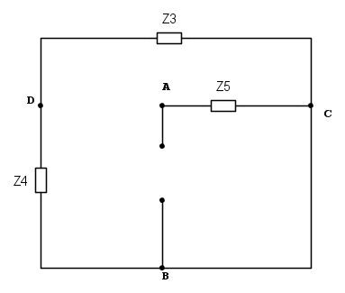
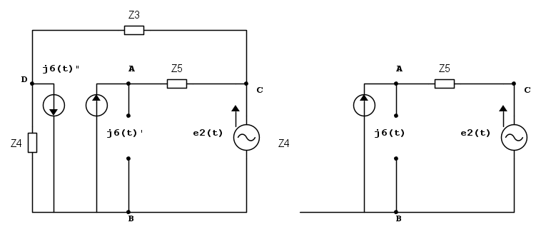
. Quiz al volo. Se il generatore j6 fosse stato un generatore di tensione al posto che di corrente, quanto sarebbe stata l'impedenza equivalente Zth?



tutto questo poi in parallelo a 
E un altro pollice su