Cos'è ElectroYou | Login Iscriviti

ElectroYou - la comunità dei professionisti del mondo elettrico

Ripristino collegamenti Triangolo-Stella

Trasformatori, macchine rotanti ed azionamenti

Moderatori: Foto UtenteSandroCalligaro, Foto Utentemario_maggi, Foto Utentefpalone

3
voti

[21] Re: Ripristino collegamenti Triangolo-Stella

Messaggioda Foto Utentedanielepower » 21 feb 2017, 19:37

Il secondo circuito postato da Foto Utenteattilio in [2] è corretto.
Il primo avvolgimento fa capo a U1 e U2, il secondo a V1 e V2 ed il terzo a W1 e W2.
Ovvero la stessa cosa che è rappresentata nello schema in [20] di Foto UtenteStefanoSunda.

Nei libri per rappresentare i collegamenti del circuito elettrico degli avvolgimenti ho visto sempre utilizzare schemi come nella seconda immagine in [2].
Mentre "dal punto di vista pratico", quando abbiamo la morsettiera, vale la terza immagine postata da Foto Utenteattilio in [2] (e successivamente da Foto UtenteStefanoSunda in [20]). Infatti si nota che gli avvolgimenti vengono spostati e per il collegamento a triangolo corrispondono W2-U1, U2-V1 e V2-W1.

Nota di moderatore: NON USATE questo schema con cortocircuito netto!

Dove? Non c'è cortocircuito in quello schema

O_/
Avatar utente
Foto Utentedanielepower
597 4 6
Sostenitore
Sostenitore
 
Messaggi: 515
Iscritto il: 6 dic 2014, 17:58

-1
voti

[22] Re: Ripristino collegamenti Triangolo-Stella

Messaggioda Foto UtenteStefanoSunda » 21 feb 2017, 20:18

Danielepower secondo te questo schema con riferimento al secondo schema del post 2 è corretto? Ho provato a mettere le barrette e guarda cosa succede - Caz o... complimenti a chi ti ha dato due punti.
Avatar utente
Foto UtenteStefanoSunda
2.880 3 6 10
Master
Master
 
Messaggi: 1962
Iscritto il: 16 set 2010, 19:29

2
voti

[23] Re: Ripristino collegamenti Triangolo-Stella

Messaggioda Foto Utenteadmin » 21 feb 2017, 20:33

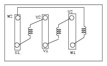
Stefano, ma i capi degli avvolgimenti sono U1-U2, V1-V2, W1-W2 non U1-W2, V1-U2, W1-V2 quindi così, come tu stesso li hai disegnati in [20]

Avatar utente
Foto Utenteadmin
196,6k 9 12 17
Manager
Manager
 
Messaggi: 11949
Iscritto il: 6 ago 2004, 13:14

1
voti

[24] Re: Ripristino collegamenti Triangolo-Stella

Messaggioda Foto Utentedanielepower » 21 feb 2017, 21:09

StefanoSunda ha scritto: Ho provato a mettere le barrette e guarda cosa succede - Caz o... complimenti a chi ti ha dato due punti.


Foto UtenteStefanoSunda al secondo circuito del post [2] non c'è bisogno di mettere le "barrette" ;-) è gia collegato a triangolo
O_/
Avatar utente
Foto Utentedanielepower
597 4 6
Sostenitore
Sostenitore
 
Messaggi: 515
Iscritto il: 6 dic 2014, 17:58

0
voti

[25] Re: Ripristino collegamenti Triangolo-Stella

Messaggioda Foto Utenteattilio » 21 feb 2017, 21:17

Foto Utentedanielepower ha scritto:è gia collegato a triangolo

Mario e Stefano si sono fatti ingannare dalla disposizione "frontale" degli avvolgimenti, scambiando l'immagine centrale in [2] come fosse quella della basetta di collegamento del motore che invece è quella a destra, e dove giustamente è stata modificata la posizione dei capi di avvolgimento per adattarla alla realtà (e non mettere i ponti incrociati ;-) che se in 2D allora si che si farebbe un bel corto!)

se invece di basarsi sulle consuetudini, si fossero letti i riferimenti identificativi dei capi di avvolgimento ed osservati i collegamenti del triangolo sempre nell'immagine centrale in [2]... sarebbe stato subito evidente che non c'erano né errori né cortocircuiti
Ognuno sta solo sul cuor della terra
trafitto da un raggio di sole:
ed è subito sera


Salvatore Quasimodo
Avatar utente
Foto Utenteattilio
61,4k 8 12 13
free expert
 
Messaggi: 9167
Iscritto il: 21 gen 2007, 14:34

0
voti

[26] Re: Ripristino collegamenti Triangolo-Stella

Messaggioda Foto Utenteabusivo » 21 feb 2017, 21:25

attilio ha scritto:...si fossero letti i riferimenti identificativi...

Io l'ho fatto ma solo dopo la tua nota!
Se quello che funziona basta non lo tocca' sennò te lassa!
Avatar utente
Foto Utenteabusivo
13,3k 4 7 10
Master
Master
 
Messaggi: 7008
Iscritto il: 16 ott 2012, 18:43
Località: L'Aquila

0
voti

[27] Re: Ripristino collegamenti Triangolo-Stella

Messaggioda Foto UtenteStefanoSunda » 21 feb 2017, 21:35

Stefano, ma i capi degli avvolgimenti sono U1-U2, V1-V2, W1-W2 non U1-W2, V1-U2, W1-V2 quindi così, come tu stesso li hai disegnati in [20]
Si, anche se i capi degli avvolgimenti hanno l'indicazione giusta, i capi devono essere disposti come in 20.
Avatar utente
Foto UtenteStefanoSunda
2.880 3 6 10
Master
Master
 
Messaggi: 1962
Iscritto il: 16 set 2010, 19:29

0
voti

[28] Re: Ripristino collegamenti Triangolo-Stella

Messaggioda Foto Utenteattilio » 21 feb 2017, 21:44

mi spieghi tecnicamente il motivo di questo assolutismo?

bada che in [20] ci sono solo gli avvolgimenti e nessun collegamento di essi, a differenza di [2] dove sono già collegati a Delta
Ognuno sta solo sul cuor della terra
trafitto da un raggio di sole:
ed è subito sera


Salvatore Quasimodo
Avatar utente
Foto Utenteattilio
61,4k 8 12 13
free expert
 
Messaggi: 9167
Iscritto il: 21 gen 2007, 14:34

0
voti

[29] Re: Ripristino collegamenti Triangolo-Stella

Messaggioda Foto Utentedanielepower » 21 feb 2017, 21:49

StefanoSunda ha scritto:, i capi devono essere disposti come in 20.


Confondi lo "schema di montaggio" (ovvero quello in [20]) con lo "schema di principio" (ovvero il secondo in [2])

O_/
Avatar utente
Foto Utentedanielepower
597 4 6
Sostenitore
Sostenitore
 
Messaggi: 515
Iscritto il: 6 dic 2014, 17:58

0
voti

[30] Re: Ripristino collegamenti Triangolo-Stella

Messaggioda Foto Utenteadmin » 21 feb 2017, 21:55

StefanoSunda ha scritto: i capi devono essere disposti come in 20.

Nel terzo schema della figura in [2], che è quello della morsettiera di un motore, i capi degli avvolgimenti sono disposti come in [20]. Il secondo schema della figura in [2] è uno schema di principio, come il primo della stessa figura, che si può disegnare come si vuole, e non rappresenta la morsettiera del motore, e, tra l'altro, quel modo di disegnarlo è anche il migliore dal punto di vista estetico. Ciò che conta sono le le lettere che contrassegnano i morsetti
Avatar utente
Foto Utenteadmin
196,6k 9 12 17
Manager
Manager
 
Messaggi: 11949
Iscritto il: 6 ago 2004, 13:14

PrecedenteProssimo

Torna a Macchine elettriche

Chi c’è in linea

Visitano il forum: Nessuno e 18 ospiti