Realizzare un sistema di cronometraggio
Moderatori:
carloc,
g.schgor,
BrunoValente,
IsidoroKZ
15 messaggi
• Pagina 1 di 2 • 1, 2
0
voti
Salve sono un nuovo utente, vorrei realizzare un sistema di cronometraggio di una pista di biglie senza l'utilizzo di Arduino. Fino ad adesso ho il generatore di clock, la base dei tempi e i fototransistor. La mia domanda è: cosa dovrei collegare al contatore e al fototransistor per far sì che il contatore inizi a contare quando la pallina passa tra i fototransistor?
0
voti
Ciao @SasaSalvo, non serve specificare quello che non vuoi o non puoi utilizzare, piuttosto riporta i riferimenti dei materiali che hai a disposizione, descrivi meglio quello che vorresti ottenere e quindi anche la dinamica prevista per la gestione del cronometro.
Fatto questo magari qualcuno può cominciare a suggerire una soluzione che, comunque, potrebbe anche richiedere componenti diversi da quelli genericamente accennati.
Saluti
Fatto questo magari qualcuno può cominciare a suggerire una soluzione che, comunque, potrebbe anche richiedere componenti diversi da quelli genericamente accennati.
Saluti
W - U.H.F.
-

WALTERmwp
30,2k 4 8 13 - G.Master EY

- Messaggi: 8986
- Iscritto il: 17 lug 2010, 18:42
- Località: le 4 del mattino
0
voti
Grazie per il consiglio @WALTERmwp cercherò di essere più specifico.
Il progetto consiste in una pista di biglie nella quale io voglio rilevare il tempo di un giro di una biglia. Come gia detto ho solo il generatore di clock al quarzo con tecnologia CMOS7414, la base dei tempi formato da 74390 utilizzati come dei divisori in quanto voglio rilevare il tempo fino ai centesimi di secondo e infine dei fotodiodi collegati all'uscita della base dei tempi. Per il contatore stavo pensando ad uno con all'interno sia contatore che decodificatore in modo tale da occupare meno spazio.
Il progetto consiste in una pista di biglie nella quale io voglio rilevare il tempo di un giro di una biglia. Come gia detto ho solo il generatore di clock al quarzo con tecnologia CMOS7414, la base dei tempi formato da 74390 utilizzati come dei divisori in quanto voglio rilevare il tempo fino ai centesimi di secondo e infine dei fotodiodi collegati all'uscita della base dei tempi. Per il contatore stavo pensando ad uno con all'interno sia contatore che decodificatore in modo tale da occupare meno spazio.
0
voti
La serie 74xx è in tecnologia TTL e funziona solo a 5V.
Qui trovi l'elenco di tutti questi integrati.
Essenzialmente devi abilitare il conteggio del clock con un FlipFlop
pilotato dalle due fotocellule.
Sei in grado di abbozzare uno schema?
Qui trovi l'elenco di tutti questi integrati.
Essenzialmente devi abilitare il conteggio del clock con un FlipFlop
pilotato dalle due fotocellule.
Sei in grado di abbozzare uno schema?
0
voti
0
voti
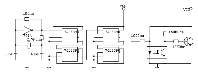
Questo è lo schema iniziale. Per quanto riguarda il flip flop non so da dove partire.
2
voti
Quale è la frequenza del quarzo?
A cosa serve l'opto isolatore sul clock?
Non mi sembra nella direzione giusta.
Puoi provare a dare uno sguardo a schemi come questo
http://www.robertobizzarri.net/NE/somma ... ?p=130-131
Da lì ricavi la sezione di ingresso dei comandi start/stop.
Il contatore, oggi, è abbastanza insensato farlo con integrati TTL, a meno che tu ne abbia un cassetto pieno.
Si fa con un microcontroller e schemi in rete se ne trovano a vagoni (no Arduino, pls. Un PIC16F6xx va più che bene).
Però, proprio volendo o dovendo farsi male per preparare un cs o cablare su millefori un tot di DIP 16pin, è preferibile usare CMOS in cui ci sono funzioni più complesse e adatte a fare contatori che in TTL (4511, 4033, 4060, 4024, ecc.)
A cosa serve l'opto isolatore sul clock?
Non mi sembra nella direzione giusta.
Puoi provare a dare uno sguardo a schemi come questo
http://www.robertobizzarri.net/NE/somma ... ?p=130-131
Da lì ricavi la sezione di ingresso dei comandi start/stop.
Il contatore, oggi, è abbastanza insensato farlo con integrati TTL, a meno che tu ne abbia un cassetto pieno.
Si fa con un microcontroller e schemi in rete se ne trovano a vagoni (no Arduino, pls. Un PIC16F6xx va più che bene).
Però, proprio volendo o dovendo farsi male per preparare un cs o cablare su millefori un tot di DIP 16pin, è preferibile usare CMOS in cui ci sono funzioni più complesse e adatte a fare contatori che in TTL (4511, 4033, 4060, 4024, ecc.)
-

Brianz
5.828 5 10 - CRU - Account cancellato su Richiesta utente
- Messaggi: 858
- Iscritto il: 24 mar 2016, 11:27
15 messaggi
• Pagina 1 di 2 • 1, 2
Chi c’è in linea
Visitano il forum: Nessuno e 240 ospiti

Elettrotecnica e non solo (admin)
Un gatto tra gli elettroni (IsidoroKZ)
Esperienza e simulazioni (g.schgor)
Moleskine di un idraulico (RenzoDF)
Il Blog di ElectroYou (webmaster)
Idee microcontrollate (TardoFreak)
PICcoli grandi PICMicro (Paolino)
Il blog elettrico di carloc (carloc)
DirtEYblooog (dirtydeeds)
Di tutto... un po' (jordan20)
AK47 (lillo)
Esperienze elettroniche (marco438)
Telecomunicazioni musicali (clavicordo)
Automazione ed Elettronica (gustavo)
Direttive per la sicurezza (ErnestoCappelletti)
EYnfo dall'Alaska (mir)
Apriamo il quadro! (attilio)
H7-25 (asdf)
Passione Elettrica (massimob)
Elettroni a spasso (guidob)
Bloguerra (guerra)



