TV Thomson: alimentatore non funziona
0
voti
si accendeva che vuol dire il tubo era funzionante?
⋮ƎlectroYou
-

stefanob70
14,1k 5 11 13 - Master EY

- Messaggi: 3190
- Iscritto il: 14 lug 2012, 13:14
- Località: Roma
0
voti
Era funzionante, il primo problema in assoluto è stato il ptc che si era bruciato e che avevo sostituito, poi ha iniziato il problema all'alimentatore switching che ronzava ma la tv si vedeva, anche se l'immagine era disturbata dal problema dell'alimentatore switching..
-

AccDel
33 2 5 - CRU - Account cancellato su Richiesta utente
- Messaggi: 273
- Iscritto il: 13 feb 2017, 21:40
0
voti
Il ptc non e' direttamente interessato alla rottura dell'alimentatore switching.
⋮ƎlectroYou
-

stefanob70
14,1k 5 11 13 - Master EY

- Messaggi: 3190
- Iscritto il: 14 lug 2012, 13:14
- Località: Roma
1
voti
Se non procedi in senso logico non arrivi alla soluzione del guasto!
il tubo catodico rappresenta la parte finale dello schema ed i segnali che arrivano sono molteplici:
-luminanza
-crominanza
-tensione anodica
-tensione di griglia
-amplificatore orizzontale
-amplificatore video...etc etc...
la prima cosa da fare visto che non hai strumenti adeguati per le misure e':
Accendi il tv,poggia l'avambraccio vicino lo schermo e osserva se la peluria viene attirata.
-se la risposta e' si vuol dire che l'EHT e' presente ed il trasformatore di riga funziona(ossia il triplicatore di tensione e' buono)
-se la risposta e' no devi verificare la tensione di pilotaggio del trasformatore di riga sul lato primario.
il tubo catodico rappresenta la parte finale dello schema ed i segnali che arrivano sono molteplici:
-luminanza
-crominanza
-tensione anodica
-tensione di griglia
-amplificatore orizzontale
-amplificatore video...etc etc...
la prima cosa da fare visto che non hai strumenti adeguati per le misure e':
Accendi il tv,poggia l'avambraccio vicino lo schermo e osserva se la peluria viene attirata.
-se la risposta e' si vuol dire che l'EHT e' presente ed il trasformatore di riga funziona(ossia il triplicatore di tensione e' buono)
-se la risposta e' no devi verificare la tensione di pilotaggio del trasformatore di riga sul lato primario.
⋮ƎlectroYou
-

stefanob70
14,1k 5 11 13 - Master EY

- Messaggi: 3190
- Iscritto il: 14 lug 2012, 13:14
- Località: Roma
0
voti
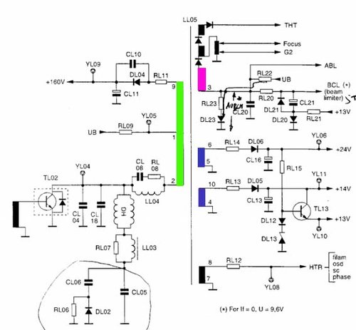
ok.
ti allego nuovamente lo schema con i relativi colori:
lato secondario colore viola:
-punto di misura UB su RL22 tensione teorica 130V
-lato primario colore verde:
-punto di misura YL04 con oscilloscopio
senza oscilloscopio:
punto di misura YL09 gnd tensione teorica 160V
ti allego nuovamente lo schema con i relativi colori:
lato secondario colore viola:
-punto di misura UB su RL22 tensione teorica 130V
-lato primario colore verde:
-punto di misura YL04 con oscilloscopio
senza oscilloscopio:
punto di misura YL09 gnd tensione teorica 160V
⋮ƎlectroYou
-

stefanob70
14,1k 5 11 13 - Master EY

- Messaggi: 3190
- Iscritto il: 14 lug 2012, 13:14
- Località: Roma
0
voti
Praticamente la situazione è la seguente:
- sul reoforo R22 misuro circa 119V
- nel punto YL09 misuro circa 118V
Nel post 78 avevo notato un abbassamento di tensione proprio nel punto YL09, dovuto al fatto che non riesco ad accendere col telecomando la tv, ma quando riuscivo a accenderla col telecomando riscontravo una tensione di circa 170V..
- sul reoforo R22 misuro circa 119V
- nel punto YL09 misuro circa 118V
Nel post 78 avevo notato un abbassamento di tensione proprio nel punto YL09, dovuto al fatto che non riesco ad accendere col telecomando la tv, ma quando riuscivo a accenderla col telecomando riscontravo una tensione di circa 170V..
-

AccDel
33 2 5 - CRU - Account cancellato su Richiesta utente
- Messaggi: 273
- Iscritto il: 13 feb 2017, 21:40
Torna a Costruzione, riparazione, riutilizzo
Chi c’è in linea
Visitano il forum: Nessuno e 19 ospiti

Elettrotecnica e non solo (admin)
Un gatto tra gli elettroni (IsidoroKZ)
Esperienza e simulazioni (g.schgor)
Moleskine di un idraulico (RenzoDF)
Il Blog di ElectroYou (webmaster)
Idee microcontrollate (TardoFreak)
PICcoli grandi PICMicro (Paolino)
Il blog elettrico di carloc (carloc)
DirtEYblooog (dirtydeeds)
Di tutto... un po' (jordan20)
AK47 (lillo)
Esperienze elettroniche (marco438)
Telecomunicazioni musicali (clavicordo)
Automazione ed Elettronica (gustavo)
Direttive per la sicurezza (ErnestoCappelletti)
EYnfo dall'Alaska (mir)
Apriamo il quadro! (attilio)
H7-25 (asdf)
Passione Elettrica (massimob)
Elettroni a spasso (guidob)
Bloguerra (guerra)