salve, spiego il mio problema in breve:
volevo realizzare una barriera ad infrarossi con materiale di recupero e che avevo in casa;
tra le specifiche veniva richiesto una distanza dell' ordine dei 60-70 cm tra trasmettitore e ricevitore;
avevo pertanto dato un occhiata al sito ed avevo preso spunto da altre esperienze; ad esempio questo topic
viewtopic.php?t=9578
lato trasmettitore:
- pensavo ad un diodo ILED del tipo TSAL 6200 da far funzionare in alternata: la soluzione prevede un NE555 ed un BJT che pilota il diodo attraverso un' opportuna resistenza di limitazione: avevo scelto una frequenza di pilotaggio dell' ordine dei kHz (1,3 kHz) e fin qui non ho avuto problemi;
lato ricevitore:
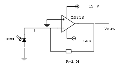
- avevo pensato alla classica configurazione con un AO che funziona da convertitore I/V e fotodiodo BPW41 polarizzato inversamente;
- eventualmente volevo in uscita filtrare il segnale (filtro passa banda a banda stretta) e infine raddrizzare
-in conclusione volevo confrontare con un comparatore ad anello aperto in modo da avere un segnale alto o basso
l' esperienza nel suo complesso è andata bene: l' unica cosa che mi lascia perplesso è il comportamento del primo stadio ricevitore:
mi spiego meglio:
-attraverso un oscilloscopio sono riuscito effettivamente a riscontrare il segnale in uscita dal fotodiodo e aveva la stessa frequenza e lo stesso Duty cycle di quello trasmesso ;
- la cosa che mi ha lasciato un po' perplesso è la presenza di una forte componente continua nel segnale in uscita;
analizzando il comportamento teorico del fotodiodo, questo dovrebbe produrre una corrente (dell' ordine dei uA) se illuminato, mentre non dovrebbe produrre corrente se vi è un ostacolo nella barriera (in realtà dovrebbe essere presente una corrente dell' ordine dei nA)
mi aspettavo un segnale del tipo alternato basso (qualche mV)-alto (dell' ordine dei V);
qualcuno potrebbe darmi qualche spiegazione?
barriera ad infrarossi
Moderatori:
carloc,
g.schgor,
BrunoValente,
IsidoroKZ
14 messaggi
• Pagina 1 di 2 • 1, 2
0
voti
Questa è una soluzione (se è possibile)
Altrimenti, considerando che la luce solare produce una componente continua, occorre sottrarre la componente continua ed amplificare solo gli impulsi che produce il trasmettitore.
Se vuoi provare questo semplice schema ...
Occhio se ci sono sorgenti di illuminazione artificiale, con i led e le fluorescenti compatte (che lavorano con modulazioni PWM) anche la luce ambientale diventa impulsiva ... e son dolori.
Bye
Ser.Tom
Altrimenti, considerando che la luce solare produce una componente continua, occorre sottrarre la componente continua ed amplificare solo gli impulsi che produce il trasmettitore.
Se vuoi provare questo semplice schema ...
Occhio se ci sono sorgenti di illuminazione artificiale, con i led e le fluorescenti compatte (che lavorano con modulazioni PWM) anche la luce ambientale diventa impulsiva ... e son dolori.
Bye
Ser.Tom0
voti
nicoct ha scritto:una distanza dell' ordine dei 60-70 cm tra trasmettitore e ricevitore
Se ti accontentassi di una cinquantina di centimetri diventa abbordabile anche l'inseguimento laser:
http://youtu.be/-9nU4r94LNY
In tal caso il ricevitore e il trasmettitore vengono accorpati assieme, la barriera non può essere occultata e bisogna evitare ASSOLUTAMENTE che il fascio colpisca un occhio.
0
voti
Ciao
,
Tempo fa avevo abbozzato un progetto simile al tuo e mi sono imbattuto in questi sensori:
https://www.sensorinstock.it/it/32-phot ... e#/gap-05m (distanza 0.5m)
https://www.sensorinstock.it/it/32-phot ... e#/gap-15m (distanza 1.5m)
https://www.sensorinstock.it/it/32-phot ... pe#/gap-2m (distanza 2m)
https://www.sensorinstock.it/it/32-phot ... /gap-400mm (distanza 40cm)
Sono tutti con già incorporato la modulazione che permette di escludere l'influenza della luce ambientale, varia la distanza massima di lavoro. Comunque ci sono i dati tecnici di tutti.
Spero di esserti stato d'aiuto, buona giornata
, Tempo fa avevo abbozzato un progetto simile al tuo e mi sono imbattuto in questi sensori:
https://www.sensorinstock.it/it/32-phot ... e#/gap-05m (distanza 0.5m)
https://www.sensorinstock.it/it/32-phot ... e#/gap-15m (distanza 1.5m)
https://www.sensorinstock.it/it/32-phot ... pe#/gap-2m (distanza 2m)
https://www.sensorinstock.it/it/32-phot ... /gap-400mm (distanza 40cm)
Sono tutti con già incorporato la modulazione che permette di escludere l'influenza della luce ambientale, varia la distanza massima di lavoro. Comunque ci sono i dati tecnici di tutti.
Spero di esserti stato d'aiuto, buona giornata
0
voti
Ri ciao...
Scusami, volevo mettere i link ai prodotti già filtrati ma sembra che qualcosa non funzioni...
A sinistra della pagina con i sensori puoi inserire i filtri
Buona fortuna!
Scusami, volevo mettere i link ai prodotti già filtrati ma sembra che qualcosa non funzioni...
A sinistra della pagina con i sensori puoi inserire i filtri
Buona fortuna!
0
voti
ho avuto tempo di effettuare le misure: effettivamente ho riscontrato come le componenti della luce possano influenzare la misura della tensionen in uscita dal mio convertitore I/V.
in particolare:
- quando non provo a coprire il fotodiodo, la componente continua misurata è pari a circa 7 V con una tensione picco picco che vale circa 1,5 V
(trasmettitore e ricevitore sono ad una distanza di circa 90 cm):
- quando provo a coprire il fotodiodo (o meglio la sua parte laterale e superiore) la componente continua misurata è pari a circa 4 V con una tensione picco picco che vale circa 1,5 V
(trasmettitore e ricevitore sono ad una distanza di circa 90 cm).
da questa differenza della compenente continua (che poi posso eliminare con un filtro passa banda a banda stretta) dipenderà una parte del circuito per il condizionamento del segnale.
esiste un modo per poter migliorare le prestazioni del circuito?
in particolare:
- quando non provo a coprire il fotodiodo, la componente continua misurata è pari a circa 7 V con una tensione picco picco che vale circa 1,5 V
(trasmettitore e ricevitore sono ad una distanza di circa 90 cm):
- quando provo a coprire il fotodiodo (o meglio la sua parte laterale e superiore) la componente continua misurata è pari a circa 4 V con una tensione picco picco che vale circa 1,5 V
(trasmettitore e ricevitore sono ad una distanza di circa 90 cm).
da questa differenza della compenente continua (che poi posso eliminare con un filtro passa banda a banda stretta) dipenderà una parte del circuito per il condizionamento del segnale.
esiste un modo per poter migliorare le prestazioni del circuito?
1
voti
Nei telecomandi a infrarossi si usa un ricevitore tipo TSOP a 3 piedini integrato, ciò a mio parere lascia intendere che occorre una tecnologia abbastanza delicata, perché non usi anche tu il TSOP e ti dedichi invece ad accordare la parte trasmittente e poi a gestire il segnale proveniente dal TSOP?
Comunque se il problema fosse solo quello di eliminare la componente continua basterebbe una capacità serie.
Comunque se il problema fosse solo quello di eliminare la componente continua basterebbe una capacità serie.
14 messaggi
• Pagina 1 di 2 • 1, 2
Chi c’è in linea
Visitano il forum: Nessuno e 54 ospiti

Elettrotecnica e non solo (admin)
Un gatto tra gli elettroni (IsidoroKZ)
Esperienza e simulazioni (g.schgor)
Moleskine di un idraulico (RenzoDF)
Il Blog di ElectroYou (webmaster)
Idee microcontrollate (TardoFreak)
PICcoli grandi PICMicro (Paolino)
Il blog elettrico di carloc (carloc)
DirtEYblooog (dirtydeeds)
Di tutto... un po' (jordan20)
AK47 (lillo)
Esperienze elettroniche (marco438)
Telecomunicazioni musicali (clavicordo)
Automazione ed Elettronica (gustavo)
Direttive per la sicurezza (ErnestoCappelletti)
EYnfo dall'Alaska (mir)
Apriamo il quadro! (attilio)
H7-25 (asdf)
Passione Elettrica (massimob)
Elettroni a spasso (guidob)
Bloguerra (guerra)





