Mi sembra di capire che il mio sistema diventa sempre più complicato, prevedere ogni situazione con un sistema standard è impossibile. Perciò penso che dovrò adattarlo secondo la situazione in cui dovrebbe essere installato. In pratica vado a vedermi sulla linea elettrica come è configurata ( vado in cerca del Mt/BT) e morta li.
quando dici interferire con un carico csa intendi, o meglio in che modo ? e come dovrei fare per le misurazioni? non riesco a seguirti
Per i motori a trifase, o altre applicazioni trifase, per farli funzionare si va dal capo gli si dà una mancetta e lui fa in modo di garantire le 3 fasi. ( i blackout sono sempre presenti comunque). Ma per le installazioni casalinghe non ci si preoccupa del trifase.
Poi comunque come dicevo la situazione cambia da quartiere a quartiere.
Scambio fasi e neutro 380
Moderatore:
Paolino
29 messaggi
• Pagina 2 di 3 • 1, 2, 3
1
voti
Potrebbe essere un buon mercato per i produttori di inverter. Si raddrizza quello che c'è, qualunque cosa sia. E si genera una tensione controllata. Ma mi sembra di capire che gli utenti attingono anergia senza limitazioni e controlli... fin che funziona.
-

CarloCoriolano
1.446 3 4 7 - ---
- Messaggi: 1023
- Iscritto il: 24 mag 2016, 13:08
0
voti
Si qui si paga un tot al mese non a consumo, perciò si collega qualsiasi cosa finché i cavi e i magnetotermici reggono...
-

NDelettronica
25 2 - Messaggi: 19
- Iscritto il: 27 mag 2014, 18:56
1
voti
ah ok!
quello della foto deve essere uno dei "clienti" antipatici all'omino dei fili
certo che se poi hanno interruttori 4P e manovrano un polo alla volta...
quello della foto deve essere uno dei "clienti" antipatici all'omino dei fili
certo che se poi hanno interruttori 4P e manovrano un polo alla volta...
Ognuno sta solo sul cuor della terra
trafitto da un raggio di sole:
ed è subito sera
Salvatore Quasimodo
trafitto da un raggio di sole:
ed è subito sera
Salvatore Quasimodo
0
voti
Io partirei da un altro punto di vista, domande:quanti dobloni sei disposto a spendere? quale fase alimenterebbe il micro? elettromeccanico ci hai pensato?
-

elettroigor
2.063 1 5 12 - Expert free
- Messaggi: 780
- Iscritto il: 22 gen 2011, 0:02
1
voti
Se si fosse disposti a spendere sarebbe opportuno creare un sistema non per lo scambio delle connessioni, ma per la stabilizzazione della tensione e frequenza di linea. Ponendo a protezione di tutto anche degli scaricatori per proteggere dalle sovratensioni.
Un idea che mi è balzata alla mente è questa, dove la tensione sul Bus DC è sqrt(2)*VLL indipendentemente dalla connessione delle fasi in ingresso, a patto ne siano presenti almeno 2.
Il regolatore sul Bus DC (magari Buck-Boost) va a stabilizzare quelle fluttuazioni di tensione che tu descrivi.
Infine la tensione di uscita ha frequenza imposta dall'inverter.
Nel funzionamento normale il diodo sul neutro non entra mai in conduzione, ma nel caso in cui questo sia scambiato, egli sostituisce una delle tre gambe per le fasi.
Anche nel caso in cui la tensione di fase diventi "appesa", conseguentemente ad un interruzione del neutro il sistema opera correttamente, poiché sono prese a riferimento le concatenate.
in caso di mancanza fase, si può continuare ad operare, magri limitando il carico per non sovraccaricare le uniche due fasi attive.
Questa è la prima idea che mi è venuta, sicuramente dispendiosa, ma corredata da un buon sistema di controllo potrebbe dare buoni risultati.
Un idea che mi è balzata alla mente è questa, dove la tensione sul Bus DC è sqrt(2)*VLL indipendentemente dalla connessione delle fasi in ingresso, a patto ne siano presenti almeno 2.
Il regolatore sul Bus DC (magari Buck-Boost) va a stabilizzare quelle fluttuazioni di tensione che tu descrivi.
Infine la tensione di uscita ha frequenza imposta dall'inverter.
Nel funzionamento normale il diodo sul neutro non entra mai in conduzione, ma nel caso in cui questo sia scambiato, egli sostituisce una delle tre gambe per le fasi.
Anche nel caso in cui la tensione di fase diventi "appesa", conseguentemente ad un interruzione del neutro il sistema opera correttamente, poiché sono prese a riferimento le concatenate.
in caso di mancanza fase, si può continuare ad operare, magri limitando il carico per non sovraccaricare le uniche due fasi attive.
Questa è la prima idea che mi è venuta, sicuramente dispendiosa, ma corredata da un buon sistema di controllo potrebbe dare buoni risultati.
0
voti
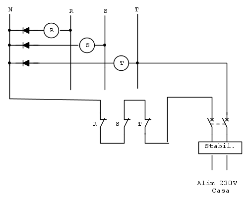
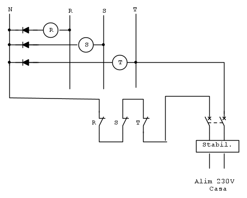
Vorrei proporre all’attenzione del forum - se è fattibile inserire un trasformatore trifase monofase + un stabilizzatore di tensione luce per la casa; per il problema di questo tread.
Ho pensato anche a questo schema: nel caso si invertissero le fasi, interruzione con il neutro ecc.
Ho pensato anche a questo schema: nel caso si invertissero le fasi, interruzione con il neutro ecc.
-

StefanoSunda
2.885 3 6 10 - Master

- Messaggi: 1965
- Iscritto il: 16 set 2010, 19:29
0
voti
Attendo con ansia la risposta al quesito di
StefanoSunda. Bisogna ricordare che è un paese con reddito mensile che si aggira intorno ai 50 dollari.
-

elettroigor
2.063 1 5 12 - Expert free
- Messaggi: 780
- Iscritto il: 22 gen 2011, 0:02
0
voti
metto un trasformatore monofase che al primario prevede le due tensioni ed un relè voltmetrico
mi pare avesse detto che alle abitazioni arrivano i quattro fili, poi che delle tre fasi una a volte mancava e le altre due avevano valori abbastanza asimmetrici (anche se mi sembra fossero nei "limiti")
poi la storia del neutro che viene scambiato con uno degli altri tre fili... poi la foto che invece si vedono arrivare solo due fili... poi può essere che non ti arriva niente proprio!!! che ci fai col trasformatore?
più di uno mi dissero :
"evita di lavorare in quei paesi perché anche se di mentalità non sei razzista rischi di diventarlo"
sì be' già cadono le palle a leggere una discussione, figuriamoci ad operare sul posto
Ognuno sta solo sul cuor della terra
trafitto da un raggio di sole:
ed è subito sera
Salvatore Quasimodo
trafitto da un raggio di sole:
ed è subito sera
Salvatore Quasimodo
29 messaggi
• Pagina 2 di 3 • 1, 2, 3
Torna a Realizzazioni, interfacciamento e nozioni generali.
Chi c’è in linea
Visitano il forum: Nessuno e 16 ospiti

Elettrotecnica e non solo (admin)
Un gatto tra gli elettroni (IsidoroKZ)
Esperienza e simulazioni (g.schgor)
Moleskine di un idraulico (RenzoDF)
Il Blog di ElectroYou (webmaster)
Idee microcontrollate (TardoFreak)
PICcoli grandi PICMicro (Paolino)
Il blog elettrico di carloc (carloc)
DirtEYblooog (dirtydeeds)
Di tutto... un po' (jordan20)
AK47 (lillo)
Esperienze elettroniche (marco438)
Telecomunicazioni musicali (clavicordo)
Automazione ed Elettronica (gustavo)
Direttive per la sicurezza (ErnestoCappelletti)
EYnfo dall'Alaska (mir)
Apriamo il quadro! (attilio)
H7-25 (asdf)
Passione Elettrica (massimob)
Elettroni a spasso (guidob)
Bloguerra (guerra)




