ragazzi mi servirebbe una mano con questo circuito
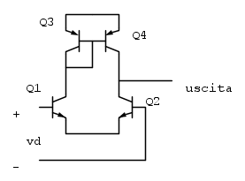
si tratta di amplificatore differenziale con carico attivo, non ho ben capito il comportamento dello specchio di corrente... me lo potete spiegare?
amplificatore differenziale con carico attivo
Moderatori:
carloc,
g.schgor,
BrunoValente,
IsidoroKZ
8 messaggi
• Pagina 1 di 1
0
voti
Quello è l'ingresso di un op-amp. Ti manca il generatore per polarizzare il differenziale (che si realizza proprio con uno specchio di corrente
).
Sai già come funzionano il differenziale e lo specchio di corrente presi singolarmente? Il carico attivo ha il vantaggio di massimizzare la dinamica di ingresso di modo comune, almeno per il ramo di Q1 (il collettore di Q1 si trova a circa
), la dinamica per il ramo di Q2 dipende dallo stadio successivo.
Sai già come funzionano il differenziale e lo specchio di corrente presi singolarmente? Il carico attivo ha il vantaggio di massimizzare la dinamica di ingresso di modo comune, almeno per il ramo di Q1 (il collettore di Q1 si trova a circa
), la dinamica per il ramo di Q2 dipende dallo stadio successivo.mark
0
voti
da quello che mi ricordo il carico attivo consente di massimizzare anche il guadagno dello stadio in quanto la resistenza che vedi dal collettore è grande e quindi non si penalizza il guadagno dello stadio...
inoltre ricordo anche i due transistor dello specchio debbono essere quanto più uguali possibile...
inoltre ricordo anche i due transistor dello specchio debbono essere quanto più uguali possibile...
0
voti
MarkyMark ha scritto:Quello è l'ingresso di un op-amp. Ti manca il generatore per polarizzare il differenziale (che si realizza proprio con uno specchio di corrente).
Sai già come funzionano il differenziale e lo specchio di corrente presi singolarmente? Il carico attivo ha il vantaggio di massimizzare la dinamica di ingresso di modo comune, almeno per il ramo di Q1 (il collettore di Q1 si trova a circa), la dinamica per il ramo di Q2 dipende dallo stadio successivo.
Avevo omesso i generatori dividendo l'analisi in continua con quella del segnale, scordando però di mettere le messe a terra. Lo specchio di corrente l'abbiamo visto ma avevamo trascurato le correnti di base. Nell'analisi per piccoli segnali posso comunque trascurare le correnti di base?
Per esercizio volevo calcolare la Ro ma non so come comportarmi con lo specchio.... Mi potete dare un "indizio"?
-

marcot1004
15 1 7 - Frequentatore

- Messaggi: 131
- Iscritto il: 14 nov 2016, 13:57
0
voti
ho anche un'altra domanda stupida, quando facciamo l'analisi per un piccolo segnale il generatore di corrente indipendente viene aperto ma il nodo di emettitore va a massa??
-

marcot1004
15 1 7 - Frequentatore

- Messaggi: 131
- Iscritto il: 14 nov 2016, 13:57
0
voti
marcot1004 ha scritto:ho anche un'altra domanda stupida, quando facciamo l'analisi per un piccolo segnale il generatore di corrente indipendente viene aperto ma il nodo di emettitore va a massa??
Dipende da come fai l'analisi in piccolo segnale. Quel circuito ha due ingressi, puoi fare l'analisi in piccolo segnale attivando solo uno dei due ingressi per volta, e in questo caso il generatore di corrente e` un circuito aperto.
Oppure, al posto di considerare separatamente i due ingressi, sfruttando la simmetria (vedere qui e qui puoi applicare un segnale di modo differenziale e uno di modo comune, e quando applichi i segnale differenziale puoi considerare gli emettitori a ground (non massa!)
Quando invece applichi un segnale di modo comune devi considerare la resistenza parallela del generatore di corrente, che darebbe una amplificazione di modo comune, ma c'e` anche lo specchio che la riduce.
Per usare proficuamente un simulatore, bisogna sapere molta più elettronica di lui
Plug it in - it works better!
Il 555 sta all'elettronica come Arduino all'informatica! (entrambi loro malgrado)
Se volete risposte rispondete a tutte le mie domande
Plug it in - it works better!
Il 555 sta all'elettronica come Arduino all'informatica! (entrambi loro malgrado)
Se volete risposte rispondete a tutte le mie domande
0
voti
Sul libro l'analisi l'ha fatta sfruttando la simmetria e dividendo gli ingressi in vd/2 e -vd/2, tuttavia non separa gli ingressi analizzandoli individualmente. Il generatore viene aperto ma non mette quel modo a ground.
A questo punto si sostituisce il modello per piccoli segnali e sa che sulla serie delle resistenze re ci sta vd e quindi ottiene che la corrente è vd/2re.... Così è giusto?
A questo punto si sostituisce il modello per piccoli segnali e sa che sulla serie delle resistenze re ci sta vd e quindi ottiene che la corrente è vd/2re.... Così è giusto?
-

marcot1004
15 1 7 - Frequentatore

- Messaggi: 131
- Iscritto il: 14 nov 2016, 13:57
8 messaggi
• Pagina 1 di 1
Chi c’è in linea
Visitano il forum: Majestic-12 [Bot] e 54 ospiti

Elettrotecnica e non solo (admin)
Un gatto tra gli elettroni (IsidoroKZ)
Esperienza e simulazioni (g.schgor)
Moleskine di un idraulico (RenzoDF)
Il Blog di ElectroYou (webmaster)
Idee microcontrollate (TardoFreak)
PICcoli grandi PICMicro (Paolino)
Il blog elettrico di carloc (carloc)
DirtEYblooog (dirtydeeds)
Di tutto... un po' (jordan20)
AK47 (lillo)
Esperienze elettroniche (marco438)
Telecomunicazioni musicali (clavicordo)
Automazione ed Elettronica (gustavo)
Direttive per la sicurezza (ErnestoCappelletti)
EYnfo dall'Alaska (mir)
Apriamo il quadro! (attilio)
H7-25 (asdf)
Passione Elettrica (massimob)
Elettroni a spasso (guidob)
Bloguerra (guerra)






