Collegamento Trasformatori-Può funzionare o esplode tutto ??
Moderatori:
carloc,
g.schgor,
BrunoValente,
IsidoroKZ
43 messaggi
• Pagina 2 di 5 • 1, 2, 3, 4, 5
2
voti
Considera, però, che un trasformatore al contrario ha un rapporto di trasformazione più basso di quello che ti aspetti
1
voti
Forse intendevi dire che la configurazione 220 - 24 - 220 ha un rendimento ed una L dispersa peggiore e quindi a carico la tensione non sarà 220 come ci si aspetta ma sarà minore.
Ok
Ok
Da soli conosciamo alcune cose.
In molti ne conosceremo molte di più.
In molti ne conosceremo molte di più.
1
voti
Se, per compensare la caduta sotto carico, il rapporto è 220:13, sotto carico applichi 12V al primario a 13V dell'altro, che ti darà meno di 220 V.
2
voti
@ gammaci
Credo (ma non son sicuro) di aver capito cosa intendi
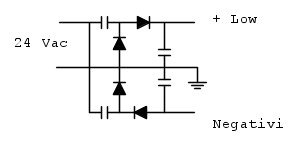
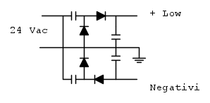
una cosa così ?
Tra l'altro è molto meno complicata (resterebbe da vedere come prelevare la tensione per i filamenti)
K
Credo (ma non son sicuro) di aver capito cosa intendi
una cosa così ?
Tra l'altro è molto meno complicata (resterebbe da vedere come prelevare la tensione per i filamenti)
K
-

Kagliostro
6.396 4 5 7 - Master

- Messaggi: 4831
- Iscritto il: 19 set 2012, 11:32
1
voti
Attenzione bene alle fasi in ogni caso non succede nulla.
Se ti son pochi duplichi i 24 tanto restano sempre e comunque flottanti.
Da soli conosciamo alcune cose.
In molti ne conosceremo molte di più.
In molti ne conosceremo molte di più.
0
voti
Se duplico i 24 poi li aggiungo elevando il negativo del ponte che raddrizza i 248v
intendi come nel mio primo schema ?
K
intendi come nel mio primo schema ?
K
-

Kagliostro
6.396 4 5 7 - Master

- Messaggi: 4831
- Iscritto il: 19 set 2012, 11:32
1
voti
Non proprio esattamente come nel primo, devi rinunciare ai negativi se duplichi onda intera. Se invece duplichi a semionda potresti anche ricavare i negativi.
Da soli conosciamo alcune cose.
In molti ne conosceremo molte di più.
In molti ne conosceremo molte di più.
0
voti
Sono in un momento di ... cervello fuori servizio, ho come l'impressione che ci sia qualcosa che non mi torna
ma non riesco a focalizzare bene ......
Devo ritornare sulla cosa più tardi, quando ho la testa sgombra da altro che nulla ha a che fare con il problema
K
ma non riesco a focalizzare bene ......
Devo ritornare sulla cosa più tardi, quando ho la testa sgombra da altro che nulla ha a che fare con il problema
K
-

Kagliostro
6.396 4 5 7 - Master

- Messaggi: 4831
- Iscritto il: 19 set 2012, 11:32
1
voti
Kagliostro ha scritto: ho come l'impressione che ci sia qualcosa che non mi torna
ma non riesco a focalizzare bene ......
K
Immagino ... vedilo allora come un quadruplicatore il cui punto di ancoraggio a massa puo essere scelto nella maniera a te + utile.
Con riferimento allo schema sottostante - il classico canonico quadruplicatore che si vede nei libri di testo - ho semplicemente spostato l'ancoraggio a massa dal punto 0 al punto 3:
Da soli conosciamo alcune cose.
In molti ne conosceremo molte di più.
In molti ne conosceremo molte di più.
43 messaggi
• Pagina 2 di 5 • 1, 2, 3, 4, 5
Chi c’è in linea
Visitano il forum: Nessuno e 41 ospiti

Elettrotecnica e non solo (admin)
Un gatto tra gli elettroni (IsidoroKZ)
Esperienza e simulazioni (g.schgor)
Moleskine di un idraulico (RenzoDF)
Il Blog di ElectroYou (webmaster)
Idee microcontrollate (TardoFreak)
PICcoli grandi PICMicro (Paolino)
Il blog elettrico di carloc (carloc)
DirtEYblooog (dirtydeeds)
Di tutto... un po' (jordan20)
AK47 (lillo)
Esperienze elettroniche (marco438)
Telecomunicazioni musicali (clavicordo)
Automazione ed Elettronica (gustavo)
Direttive per la sicurezza (ErnestoCappelletti)
EYnfo dall'Alaska (mir)
Apriamo il quadro! (attilio)
H7-25 (asdf)
Passione Elettrica (massimob)
Elettroni a spasso (guidob)
Bloguerra (guerra)




