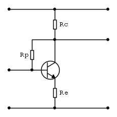
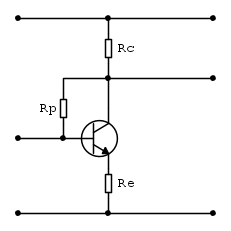
Avrò realizzato almeno 100 volte questo circuito:
ed ogni volta faccio mentalmente i calcoli più strani per trovare con approssimazioni successive la resistenza dinamica di ingresso, la resistenza dinamica di uscita e l'amplificazione di tensione.
Ma non ci sarà uno schema di calcolo più "deterministico" per arrivare ai risultati?
Possiamo fare la supposizione che la tensione di collettore sia circa la metà della tensione di alimentazione, lasciare indicato come variabile il "beta" del transistor, adoperare la curva standard per la resistenza dinamica base-emettitore, considerare nulla l'ammettenza dinamica di collettore, prendere Vbe=0,6V o anche zero e fare tranquillamente ogni altra ipotesi semplificativa che sia utile.
Per la verità con un po' di sforzo dovrei arrivarci anch'io, ma se qualcuno volesse aiutarmi..
Stadio preamplificatore a transistor
Moderatori:
carloc,
g.schgor,
BrunoValente,
IsidoroKZ
31 messaggi
• Pagina 1 di 4 • 1, 2, 3, 4
0
voti
Stai cercando un modo "mentale" di farlo?
Quelle sono resistenze o impedenze complesse?
Immagino resistenze: io aprirei quella di retroazione (è una cosa che si può fare a mente) e poi i calcoli a loop aperto diventano facili.
Alla fine non ti resta che "aggiustare" i risultati con il solito fattore
.
Quelle sono resistenze o impedenze complesse?
Immagino resistenze: io aprirei quella di retroazione (è una cosa che si può fare a mente) e poi i calcoli a loop aperto diventano facili.
Alla fine non ti resta che "aggiustare" i risultati con il solito fattore
.0
voti
Sì sono resistenze, e quella sull'emettitore anche se non è trascurabile è abbastanza minore della resistenza sul collettore ai fini di un pre-calcolo statico della resistenza di polarizzazione sulla base.
Veramente io pensavo di applicare un generatore di segnale in ingresso e risolvere la rete equivalente dinamica in due casi, cioè uscita aperta e uscita in corto. Nella rete c'è un generatore di corrente pilotato in corrente, e questo non sarebbe un problema, però mi viene una rete di "ben" 3 maglie per cui sto andando a rivedere un vecchio programma dove c'era la routine per la risoluzione dei sistemi lineari, vedrò di riadattare quello.
Veramente io pensavo di applicare un generatore di segnale in ingresso e risolvere la rete equivalente dinamica in due casi, cioè uscita aperta e uscita in corto. Nella rete c'è un generatore di corrente pilotato in corrente, e questo non sarebbe un problema, però mi viene una rete di "ben" 3 maglie per cui sto andando a rivedere un vecchio programma dove c'era la routine per la risoluzione dei sistemi lineari, vedrò di riadattare quello.
0
voti
Ah ma allora stai cercando proprio il metodo per farlo carta e penna, pensavo volessi una tecnica per farlo a mente.
In quel caso sì, sostituisci al transistor il modello per piccoli segnali, metti i generatori di test dove serve e fai i conti.
Magari vediamo come calcoleresti la resistenza d'ingresso :)
In quel caso sì, sostituisci al transistor il modello per piccoli segnali, metti i generatori di test dove serve e fai i conti.
Magari vediamo come calcoleresti la resistenza d'ingresso :)
0
voti
Aiuto! Il sistema si è ridotto a 2 equazioni ai nodi per cui si risolve a mano, ma le formule vengono a 3 - 4 piani, di una complicazione pazzesca, è mai possibile o sto farneticando?
Non mi rimane che tradurle in Basic, mettere dei valori numerici e fare il calcolo col computer, così verifico anche se il risultato appare credibile.
Non mi rimane che tradurle in Basic, mettere dei valori numerici e fare il calcolo col computer, così verifico anche se il risultato appare credibile.
0
voti
Con Latex ci metterei una vita, non ricordo neppure come si richiama l'help, comunque posterò qualcosa as soon as poss..
intanto qualche risultato sembra credibile ma non sono sicuro.
intanto qualche risultato sembra credibile ma non sono sicuro.
0
voti
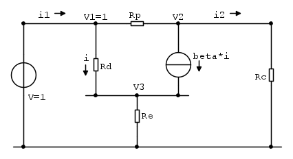
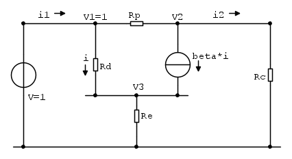
Fissiamo la resistenza in serie al collettore Rc, la resistenza in serie all'emettitore Re e la tensione di alimentazione Va, poi supponendo che la tensione sul collettore sia Va/2 calcoliamo con considerazioni statiche la resistenza di polarizzazione di base Rp.
Poi calcoliamo in base alla nota curva la resistenza dinamica base-emettitore Rd.
Adesso passiamo al circuito equivalente dinamico della figura qui sopra.
La rete ha 3 nodi V1 V2 V3, imponiamo V1=1 (generatore di test) e calcoliamo V2 pari all'amplificazione di tensione a vuoto. Calcoliamo anche V3. Nei calcoli ho trascurato 1 rispetto a beta.
Mettendo l'uscita in corto cioè Rc=0 calcoliamo la corrente di uscita confondendola con la corrente di emettitore =V3/Re. La tensione di uscita a vuoto V2, calcolata prima, divisa per la corrente di uscita in corto non dà l'impedenza di uscita?
Noti V1 V2 V3 l'equazione del nodo 1 fornisce i1 da cui l'impedenza di entrata Zi=V1/i1=1/i1 (mumble... dipenderà anche dal carico esterno?)
Il programma sarebbe questo:
Rc = 2200
Re = 100
beta = 200
Va = 3.3
Rp = 2 * beta * (Va / 2 - .6) * Rc / Va
Rd = (2 * .026 * beta * Rc) / Va
CLS
PRINT "Rp="; Rp
PRINT "Rd="; Rd
aux = beta * beta * Re / (Rd + beta * Re) - beta
V2 = (Rd * Rc + Rp * Rc * aux) / (Rp * Rd + Rd * Rc)
i2 = beta / (Rd + beta * Re)
PRINT "V2/V1="; V2
PRINT "Zu="; V2 / i2
V3 = beta * Re / (Rd + beta * Re)
i1 = (1 - V3) / Rd + (1 - V2) / Rp
PRINT "Zi="; 1 / i1
0
voti
La butto lì velocemente, correggetemi per favore se sbaglio... trattandosi di un feedback negativo in corrente, il risultato non dovrebbe essere qualcosa tipo
?
EDIT: mi correggo: ho scritto il guadagno in corrente al posto di quello in tensione... correggo la formula:

?EDIT: mi correggo: ho scritto il guadagno in corrente al posto di quello in tensione... correggo la formula:

Ultima modifica di
rugweri il 13 apr 2017, 17:01, modificato 2 volte in totale.
-

rugweri
5.948 2 7 11 - CRU - Account cancellato su Richiesta utente
- Messaggi: 1366
- Iscritto il: 25 nov 2016, 18:46
31 messaggi
• Pagina 1 di 4 • 1, 2, 3, 4
Chi c’è in linea
Visitano il forum: Nessuno e 148 ospiti

Elettrotecnica e non solo (admin)
Un gatto tra gli elettroni (IsidoroKZ)
Esperienza e simulazioni (g.schgor)
Moleskine di un idraulico (RenzoDF)
Il Blog di ElectroYou (webmaster)
Idee microcontrollate (TardoFreak)
PICcoli grandi PICMicro (Paolino)
Il blog elettrico di carloc (carloc)
DirtEYblooog (dirtydeeds)
Di tutto... un po' (jordan20)
AK47 (lillo)
Esperienze elettroniche (marco438)
Telecomunicazioni musicali (clavicordo)
Automazione ed Elettronica (gustavo)
Direttive per la sicurezza (ErnestoCappelletti)
EYnfo dall'Alaska (mir)
Apriamo il quadro! (attilio)
H7-25 (asdf)
Passione Elettrica (massimob)
Elettroni a spasso (guidob)
Bloguerra (guerra)




