Cos'è ElectroYou | Login Iscriviti

ElectroYou - la comunità dei professionisti del mondo elettrico

Collegamento Trasformatori-Può funzionare o esplode tutto ??

Elettronica lineare e digitale: didattica ed applicazioni

Moderatori: Foto Utentecarloc, Foto Utenteg.schgor, Foto UtenteBrunoValente, Foto UtenteIsidoroKZ

3
voti

[21] Re: Collegamento Trasformatori-Può funzionare o esplode tutt

Messaggioda Foto UtenteBrunoValente » 13 apr 2017, 11:48

Kagliostro ha scritto:@ gammaci

Credo (ma non son sicuro) di aver capito cosa intendi

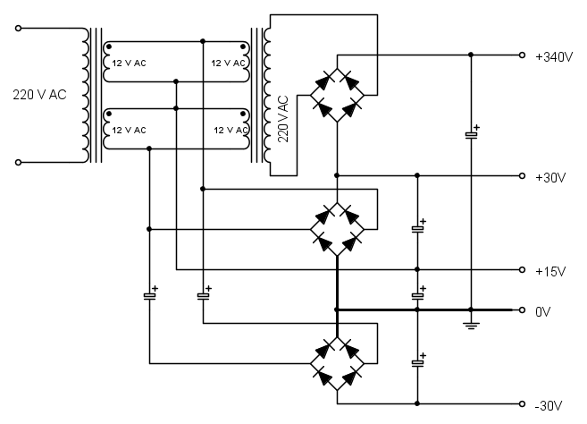
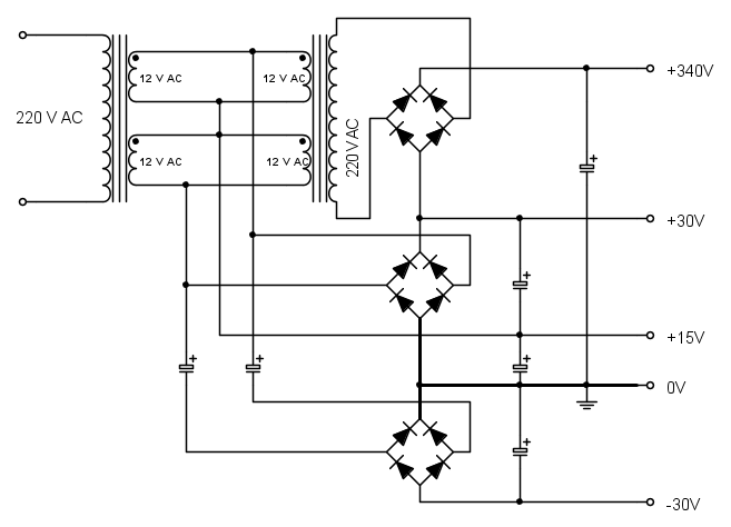
una cosa così ?



Tra l'altro è molto meno complicata (resterebbe da vedere come prelevare la tensione per i filamenti)

K


Nel tuo schema il secondario del secondo trasformatore (220) è invertito.

Se la tensione per i filamenti può essere flottante allora puoi ottenerla semplicemente raddrizzando a doppia semionda la tensione di uno qualsiasi degli avvolgimenti a 12V, meglio se del primo trasformatore.

Se invece serve che sia riferita al meno dell'anodica allora mi pare che non si possa fare utilizzando quello schema, a meno di non accontentarsi di raddrizzare a singola semionda, sia l'anodica che la tensione per i filamenti.

Altrimenti si potrebbe fare raddrizzando a doppia semionda le tensioni dei singoli avvolgimenti e collegando in serie le uscite dei vari ponti.

Con qualche ulteriore aggiunta si potrebbe anche ottenere la tensione negativa per il bias delle valvole più o meno così.



Spero di non aver fatto errori.
Avatar utente
Foto UtenteBrunoValente
39,6k 7 11 13
G.Master EY
G.Master EY
 
Messaggi: 7796
Iscritto il: 8 mag 2007, 14:48

1
voti

[22] Re: Collegamento Trasformatori-Può funzionare o esplode tutt

Messaggioda Foto Utentegammaci » 13 apr 2017, 11:57

Grazie Foto UtenteBrunoValente per la partecipazione. ^_^

Credo che (era in un altro 3D valvolare :mrgreen: ) l'intenzione di Foto UtenteKagliostro fosse questa ... non ricordo sinceramente se erano 2A3 o 6L6:

Da soli conosciamo alcune cose.
In molti ne conosceremo molte di più.
Avatar utente
Foto Utentegammaci
3.838 2 4 6
Master
Master
 
Messaggi: 1040
Iscritto il: 27 feb 2014, 12:20

2
voti

[23] Re: Collegamento Trasformatori-Può funzionare o esplode tutt

Messaggioda Foto UtenteBrunoValente » 13 apr 2017, 12:04

Be', quella configurazione con il potenziometro bilanciatore necessita di un secondario dedicato ai filamenti e isolato dagli altri avvolgimenti...ma dal primo schema di Foto UtenteKagliostro mi era parso che volesse alimentarli in continua.
Avatar utente
Foto UtenteBrunoValente
39,6k 7 11 13
G.Master EY
G.Master EY
 
Messaggi: 7796
Iscritto il: 8 mag 2007, 14:48

0
voti

[24] Re: Collegamento Trasformatori-Può funzionare o esplode tutt

Messaggioda Foto UtenteKagliostro » 13 apr 2017, 13:35

GRAZIE

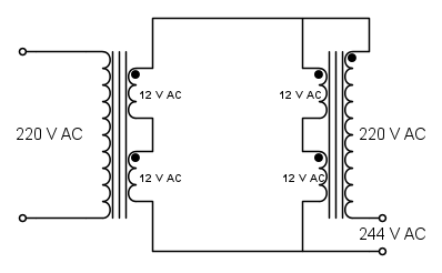
Sono due cose diverse, l'alimentatore per l'amplificatore con SE di 1625 è previsto con un trasformatore che dispone di secondari adeguati (un vero trasformatore per circuiti a valvole), mentre questo arrangiamento è pensato per usare dei trasformatori toroidali che un amico mi ha dato, provenienti da un ex impianto di illuminazione a faretti, dovrei averne 4 in tutto, di questo tipo e, credo di aver fatto confusione con un altro trasformatore per quanto riguarda la tensione dei secondari (meglio in questo caso) che è da 15 V anziché da 12 V come erroneamente ricordavo

Per cui ci sono, in ogni trasformatore, 2 avvolgimenti da 15 V con 5 A ognuno più il primario da 220 V

Una delle cose che mi giravano in testa questa mattina era anche relativa al fatto che se l'avvolgimento a 220 V venisse messo in serie con gli avvolgimenti a 12 V (15 V) avrei un collegamento tra filamenti e tensione anodica e questo non credo sia bene, anzi ....

Purtroppo ieri sera ho dimenticato di prendere la pastiglietta con la dose di cortisone (1mg) e quando succede il giorno dopo sono fuori fase, dolorante, fiacco e con la testa annebbiata

K
Avatar utente
Foto UtenteKagliostro
6.396 4 5 7
Master
Master
 
Messaggi: 4830
Iscritto il: 19 set 2012, 11:32

2
voti

[25] Re: Collegamento Trasformatori-Può funzionare o esplode tutt

Messaggioda Foto UtenteBrunoValente » 13 apr 2017, 13:53

La cosa importante è non superare la massima tensione sopportata dalla valvola tra catodo e filamento, a titolo di esempio per la 6L6 mi pare sia 180V.

Quindi, se utilizzi il tuo schema e se per l'anodica raddrizzi a doppia semionda, non puoi alimentare i filamenti con gli avvolgimenti da 12V perché per un semiciclo della tensione di rete la tensione tra filamento e catodo salirebbe al valore dell'anodica.

Con lo schema che ti ho proposto non avresti questi problemi e potresti anche alimentarli in alternata prelevando i 12Vac direttamente da uno degli avvolgimenti.
Avatar utente
Foto UtenteBrunoValente
39,6k 7 11 13
G.Master EY
G.Master EY
 
Messaggi: 7796
Iscritto il: 8 mag 2007, 14:48

0
voti

[26] Re: Collegamento Trasformatori-Può funzionare o esplode tutt

Messaggioda Foto UtenteKagliostro » 13 apr 2017, 14:14

Grazie Foto UtenteBrunoValente

Sto seguendo il tuo schema e lo sto pian piano assimilando, direi che risolve bene il problema ed in più c'è quella possibilità che hai aggiunto di avere a disposizione anche una tensione negativa nel caso di un circuito fixed bias

direi OTTIMO :ok:

K
Avatar utente
Foto UtenteKagliostro
6.396 4 5 7
Master
Master
 
Messaggi: 4830
Iscritto il: 19 set 2012, 11:32

0
voti

[27] Re: Collegamento Trasformatori-Può funzionare o esplode tutt

Messaggioda Foto UtenteKagliostro » 14 apr 2017, 10:33

@ Foto UtenteBrunoValente ed a tutti gli amici che stanno dando un loro contributo per aiutarmi

Eccomi qui, oggi la testa mi funziona meglio (non è che sia una Ferrari, ma di sicuro meglio di ieri :D )

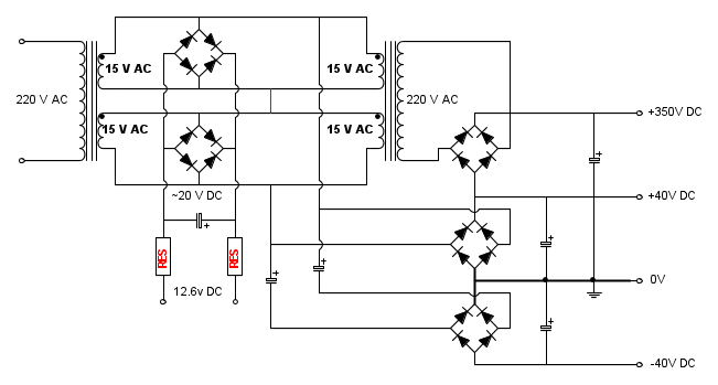
Ho corretto i valori di tensione sullo schema
(cercando di ipotizzare quelli in uscita, per i quali ho visto che ti sei tenuto leggermente conservativo)

Se la tensione per i filamenti può essere flottante allora puoi ottenerla semplicemente raddrizzando a doppia semionda la tensione di uno qualsiasi degli avvolgimenti a 12 V ......


Altrimenti si potrebbe fare raddrizzando a doppia semionda le tensioni dei singoli avvolgimenti e collegando in serie le uscite dei vari ponti.


Cercando di mettere in pratica quanto suggerito da Bruno, solo con i ponti dei filamenti in parallelo anziché in serie (perché penso di usare valvole con filamento a max 12.6 V), per avere i filamenti flottanti e non riferiti a massa



Tra l'altro quel ponticello in rosso che unisce gli avvolgimenti secondari ........ ?% ?% abbiate pietà, proprio mi confonde e non lo capisco :oops: :oops:

K
Avatar utente
Foto UtenteKagliostro
6.396 4 5 7
Master
Master
 
Messaggi: 4830
Iscritto il: 19 set 2012, 11:32

1
voti

[28] Re: Collegamento Trasformatori-Può funzionare o esplode tutt

Messaggioda Foto UtenteCarloCoriolano » 14 apr 2017, 10:46

Attenzione tra l'altro che il ponticello in rosso altera il modo di lavorare dei due ponti a diodi, ed otterrai in uscita una tensione di circa 45 V. Non so da dove ti nasca il valore che hai scritto di 12 V, ma non lo ottieni con nessuna delle tensioni in c.a. presenti in progetto.
Avatar utente
Foto UtenteCarloCoriolano
1.446 3 4 7
---
 
Messaggi: 1023
Iscritto il: 24 mag 2016, 13:08

0
voti

[29] Re: Collegamento Trasformatori-Può funzionare o esplode tutt

Messaggioda Foto UtenteKagliostro » 14 apr 2017, 10:49

Effettivamente il ponticello è retaggio di una parte dello schema postato da Foto UtenteBrunoValente che porobabilmente nel suo schema aveva una ragion d'essere

se per 12 V intendi i 12.6 V, li otterrei con le due resistenze in serie al carico (quelle indicate come RES in rosso)

K
Avatar utente
Foto UtenteKagliostro
6.396 4 5 7
Master
Master
 
Messaggi: 4830
Iscritto il: 19 set 2012, 11:32

1
voti

[30] Re: Collegamento Trasformatori-Può funzionare o esplode tutt

Messaggioda Foto UtenteCarloCoriolano » 14 apr 2017, 10:52

Ammettendo che io non conosco le catatteristiche del carico sul lato a 12,6 V, ti basta prelevare tensione da un solo ramo a 15 V, limitando la potenza dissipata, oppure, degli otto diodi su due ponti, toglierne quattro inutili.
Avatar utente
Foto UtenteCarloCoriolano
1.446 3 4 7
---
 
Messaggi: 1023
Iscritto il: 24 mag 2016, 13:08

PrecedenteProssimo

Torna a Elettronica generale

Chi c’è in linea

Visitano il forum: Majestic-12 [Bot] e 520 ospiti