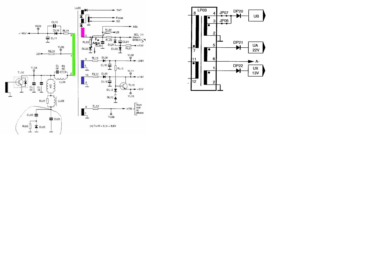
Tieni conto che la tensione UA cala repentinamente sul catodo del diodo DP21 quasi ad azzerarsi e di seguito dopo vari componenti c'è anche TL02 che dovrebbe essere il transistor orizzontale (e il TL01 che però mi sembra buono dopo averlo misurato col multimetro).
Sulla base del transistor orizzontale ho misurato col multimetro digitale che il valore è minore di molto a 0.9Vac, quindi mi sembra di capire che non sta emettendo la frequenza giusta per far oscillare il trasformatore LL05 di alta tsnsione..

Elettrotecnica e non solo (admin)
Un gatto tra gli elettroni (IsidoroKZ)
Esperienza e simulazioni (g.schgor)
Moleskine di un idraulico (RenzoDF)
Il Blog di ElectroYou (webmaster)
Idee microcontrollate (TardoFreak)
PICcoli grandi PICMicro (Paolino)
Il blog elettrico di carloc (carloc)
DirtEYblooog (dirtydeeds)
Di tutto... un po' (jordan20)
AK47 (lillo)
Esperienze elettroniche (marco438)
Telecomunicazioni musicali (clavicordo)
Automazione ed Elettronica (gustavo)
Direttive per la sicurezza (ErnestoCappelletti)
EYnfo dall'Alaska (mir)
Apriamo il quadro! (attilio)
H7-25 (asdf)
Passione Elettrica (massimob)
Elettroni a spasso (guidob)
Bloguerra (guerra)



