Cos'è ElectroYou | Login Iscriviti

ElectroYou - la comunità dei professionisti del mondo elettrico

TV Thomson: alimentatore non funziona

Tecniche per la costruzione e la riparazione di apparecchiature elettriche e non. Ricerca guasti. Adattamenti e riutilizzazioni
0
voti

[121] Re: TV Thomson: alimentatore non funziona

Messaggioda Foto UtenteAccDel » 20 apr 2017, 2:50

Volentieri proviamo a riaccendere la tv.. sono pronto a continuare l' analisi del guasto insieme! :-) Per iniziare ti posso dire che le misure del post precedente le ho fatte con i componenti dissaldati dal circuito elettrico, potrebbe essere guasto il transistor orizzontale?
Tieni conto che la tensione UA cala repentinamente sul catodo del diodo DP21 quasi ad azzerarsi e di seguito dopo vari componenti c'è anche TL02 che dovrebbe essere il transistor orizzontale (e il TL01 che però mi sembra buono dopo averlo misurato col multimetro).
Sulla base del transistor orizzontale ho misurato col multimetro digitale che il valore è minore di molto a 0.9Vac, quindi mi sembra di capire che non sta emettendo la frequenza giusta per far oscillare il trasformatore LL05 di alta tsnsione..
Avatar utente
Foto UtenteAccDel
33 2 5
CRU - Account cancellato su Richiesta utente
 
Messaggi: 273
Iscritto il: 13 feb 2017, 21:40

0
voti

[122] Re: TV Thomson: alimentatore non funziona

Messaggioda Foto UtenteAccDel » 20 apr 2017, 20:28

Oggi ho sostiutuito sis il TL01 e il TL02.. ma niente la tv non si accende, come potrei continuare nell'analisi del guasto? :(
Avatar utente
Foto UtenteAccDel
33 2 5
CRU - Account cancellato su Richiesta utente
 
Messaggi: 273
Iscritto il: 13 feb 2017, 21:40

0
voti

[123] Re: TV Thomson: alimentatore non funziona

Messaggioda Foto Utentesetteali » 20 apr 2017, 22:00

dunque, hai controllato il finale di riga e ti sembra buono e così anche il transistor pilota.
Bisognerà guardare se c'è il segnale di riga sul pilota.
Ma procederei in questo modo:
Togli l'S2055 e ci colleghi una lampada da 40W tra C & E.
Alimenti il Tv e controlli le tensioni sul trasf. switching (alimentatore).
Controlla se c'è pilotaggio orizzontale.
Per ora tieni la lampada.
O_/
Allegati
tx91.png
Alex
https://www.facebook.com/Elettronicaeelettrotecnica

<< vedi di pigliare arditamente in mano, il dizionario che ti suona in bocca,
se non altro è schietto e paesano.
(Giuseppe Giusti) <<
Avatar utente
Foto Utentesetteali
11,9k 5 5 9
Master
Master
 
Messaggi: 5921
Iscritto il: 15 dic 2013, 21:09

0
voti

[124] Re: TV Thomson: alimentatore non funziona

Messaggioda Foto UtenteAccDel » 20 apr 2017, 22:12

Quindi ricapitolando rifaccio la prova della lampada, ricontrollo le tensioni UX,UB,UA, quello che non mi e chiaro e come posso fare a controllare il pilotaggio?
Avatar utente
Foto UtenteAccDel
33 2 5
CRU - Account cancellato su Richiesta utente
 
Messaggi: 273
Iscritto il: 13 feb 2017, 21:40

0
voti

[125] Re: TV Thomson: alimentatore non funziona

Messaggioda Foto Utentesetteali » 20 apr 2017, 22:22

non hai un oscilloscopio???
Alex
https://www.facebook.com/Elettronicaeelettrotecnica

<< vedi di pigliare arditamente in mano, il dizionario che ti suona in bocca,
se non altro è schietto e paesano.
(Giuseppe Giusti) <<
Avatar utente
Foto Utentesetteali
11,9k 5 5 9
Master
Master
 
Messaggi: 5921
Iscritto il: 15 dic 2013, 21:09

0
voti

[126] Re: TV Thomson: alimentatore non funziona

Messaggioda Foto UtenteAccDel » 20 apr 2017, 22:37

non ce l'ho..però ho il multimetro digitale col frequenzimetro, potrebbe essere utile per il controllo del pilotaggio?
Avatar utente
Foto UtenteAccDel
33 2 5
CRU - Account cancellato su Richiesta utente
 
Messaggi: 273
Iscritto il: 13 feb 2017, 21:40

0
voti

[127] Re: TV Thomson: alimentatore non funziona

Messaggioda Foto Utentesetteali » 20 apr 2017, 23:00

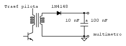
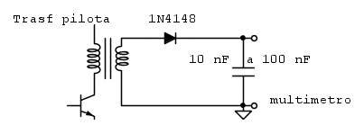
Prova a fare questo circuitino per vedere se con il multimetro riesci a renderti conto se c'è l'oscillazione.
E' sufficiente che tu usi il secondario del trasf. pilota mettendo il diodo e condensatore.
Non lo so se il tuo multimetro legge fino a 16 kHz.
Alex
https://www.facebook.com/Elettronicaeelettrotecnica

<< vedi di pigliare arditamente in mano, il dizionario che ti suona in bocca,
se non altro è schietto e paesano.
(Giuseppe Giusti) <<
Avatar utente
Foto Utentesetteali
11,9k 5 5 9
Master
Master
 
Messaggi: 5921
Iscritto il: 15 dic 2013, 21:09

0
voti

[128] Re: TV Thomson: alimentatore non funziona

Messaggioda Foto UtenteAccDel » 20 apr 2017, 23:08

ho qualche difficoltà a realizzare il circuito che mi hai proposto, le mie conoscenze sono molto basiche per il momento, posso usare il frequenzimetro sul circuito elettrico del tv?
Avatar utente
Foto UtenteAccDel
33 2 5
CRU - Account cancellato su Richiesta utente
 
Messaggi: 273
Iscritto il: 13 feb 2017, 21:40

0
voti

[129] Re: TV Thomson: alimentatore non funziona

Messaggioda Foto Utentesetteali » 20 apr 2017, 23:18

Non lo so se il tuo multimetro legge a 16KHz .
Ma saldare un diodo ed un condensatore in parallelo al secondario del trasformatore, non ci vuole la pensione, dovrai pur cominciare :-)
Alex
https://www.facebook.com/Elettronicaeelettrotecnica

<< vedi di pigliare arditamente in mano, il dizionario che ti suona in bocca,
se non altro è schietto e paesano.
(Giuseppe Giusti) <<
Avatar utente
Foto Utentesetteali
11,9k 5 5 9
Master
Master
 
Messaggi: 5921
Iscritto il: 15 dic 2013, 21:09

0
voti

[130] Re: TV Thomson: alimentatore non funziona

Messaggioda Foto UtenteAccDel » 20 apr 2017, 23:28

Hai perfettamente ragione sul fatto che dovrò iniziare ma non ho i componenti per il momento, ho potuto verificare le frequenza del multimetroperò. :-) , la frequenza del multimetro è 20kHz( + /- 1.5%), direi che putrebbe andare..
Avatar utente
Foto UtenteAccDel
33 2 5
CRU - Account cancellato su Richiesta utente
 
Messaggi: 273
Iscritto il: 13 feb 2017, 21:40

PrecedenteProssimo

Torna a Costruzione, riparazione, riutilizzo

Chi c’è in linea

Visitano il forum: Nessuno e 24 ospiti