




Determinare la zona di lavoro del Transistor.
Salve, dovrei ricavarmi tutte le correnti? io ho provato in questo modo:




Moderatori:
carloc,
g.schgor,
BrunoValente,
IsidoroKZ









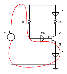
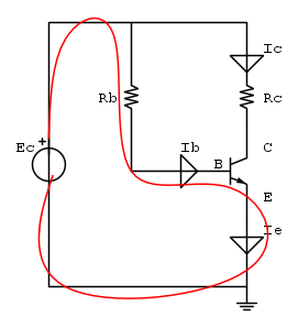
Ianero ha scritto:Legge di Kirchhoff alla maglia composta da generatore-resistenza di base-giunzione BE del BJT.
?signfra ha scritto:come ci sei arrivato?
Ianero ha scritto:e
.
per ricavarmi la 
è uguale anche così?
-collettore-emettitore.Ianero ha scritto:Mischiare la maglia di uscita con la maglia di ingresso è brutto.
Circuitalmente andrebbe pure bene (a parte un segno meno), ma le equazioni vanno impostate in modo oculato, per ottenere le informazioni che servono.
L'altra equazione "buona" che devi scrivere è quella che passa attraverso generatore--collettore-emettitore.
?
?
. ?Visitano il forum: Nessuno e 211 ospiti