Grazie mille a tutti ragazzi
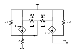
Il dubbio che avevo era più che altro su come mai i generatori controllati diventassero dei circuiti aperti ma dopo aver rigirato un po il circuito sono riuscito a dimostrarlo analiticamente, nel modo seguente (Verificate se potete che sia corretta, ma il ragionamento filava liscio):
su

(da sinistra a destra) circola

, su

(da destra a sinistra) circola

allora nel nodo di congiunzione delle due basi arriva

che esce verso il nodo di collettore di Q1. Ora nel parallelo di R e

circola

si ha quindi che:

ora se

(Q1 e Q2 sono equivalenti) si ha che

(visto che

e

sono in parallelo) e in tal caso otteniamo un equazione tutta nella variabile

. Da questa si ricava che

da cui si deduce che anche

è nulla, perciò i due generatori controllati sono dei circuiti aperti.
se invece

allora si ha che

(visto che

e

sono in parallelo), il che come prima ci permette di scrivere un equazione tutta nella sola variabile

che ci porta a concludere, anche in questo caso, che la corrente

è nulla, da cui si deduce che anche

lo è. Come nel caso precedente i due generatori controllati sono dei circuiti aperti.
Però da quanto detto ho capito (correggetemi se sbaglio) che è possibile verificarlo anche al volo, vedendo se tra emettitore e base vi sono sollecitazione esterne al transistor... infatti rivedendomi i casi in cui si aveva che i generatori controllati risultavano essere dei circuiti aperti ho notato che non era presente nessuna sollecitazione tra emettitore e massa. Nell'unico caso capitatomi durante gli amplificatori a BJT in cui ciò non accadeva vi era un ramo percorso da una corrente che arrivava al nodo di emettitore.
Mi eserciterò un po' cosi da poter riconoscere e calcolare al volo le Rin e le Ro
