Cambio di guadagno da 1 a 10 operazionale
Moderatori:
carloc,
g.schgor,
BrunoValente,
IsidoroKZ
25 messaggi
• Pagina 3 di 3 • 1, 2, 3
4
voti
Alcune considerazioni in generale per
DarioDT.
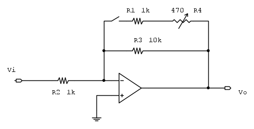
Comincio dal secondo schema che hai fatto. Ci sono due problemi piu` uno. Il nodo di somma, morsetto invertente, consideralo un punto sensibile, da disturbare il meno possibile con capacita` parassite varie. Un rele`, interruttore... aggiunge delle capacita` parassite, meglio mettere la commutazione collegata all'uscita, non all'ingresso invertente.
Altro problema e` che in quel modo durante la commutazione hai un intervallo di tempo con la retroazione aperta e l'operazionale satura.
Infine l'operazionale che stai usando e` un current feedback: il valore della resistenza di feedback e` scolpito nella pietra (o quasi) dal costruttore, deve essere quello. Se lo aumenti perdi drasticamente in prestazioni di velocita` e banda, se lo riduci vai in instabilita`. E quindi ti rimane solo il cambiamento della resistenza di ingresso. Devo anche aggiungere che in current feedback il carico capacitivo sull'ingresso invertente (la prima osservazione che avevo fatto) e` un po' meno critico rispetto ai voltage feedback, ma meglio avere sempre le buone abitudini di lasciare tranquillo l'ingresso invertente.
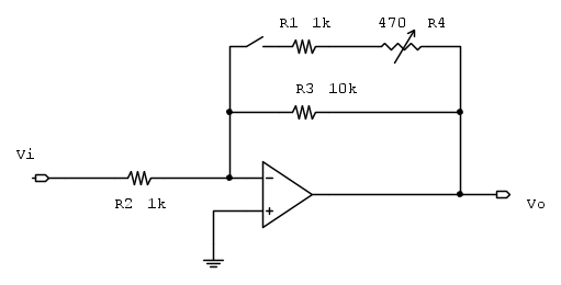
Con il primo schema che hai fatto le cose vanno abbastanza bene. L'ingresso invertente dell'op amp non ha particolari carichi capacitivi. Rimane solo il fatto che durante la commutazione l'ingresso e` staccato e l'uscita va a zero, forse sarebbe meglio avere un percorso sempre presente e la commutazione inserisce solo una resistenza in serie o in parallelo.
IlGuru: l'interruttore andrebbe meglio messo collegato all'uscita, ma in un CF non si deve cambiare la resistenza di retroazione.
Comincio dal secondo schema che hai fatto. Ci sono due problemi piu` uno. Il nodo di somma, morsetto invertente, consideralo un punto sensibile, da disturbare il meno possibile con capacita` parassite varie. Un rele`, interruttore... aggiunge delle capacita` parassite, meglio mettere la commutazione collegata all'uscita, non all'ingresso invertente.
Altro problema e` che in quel modo durante la commutazione hai un intervallo di tempo con la retroazione aperta e l'operazionale satura.
Infine l'operazionale che stai usando e` un current feedback: il valore della resistenza di feedback e` scolpito nella pietra (o quasi) dal costruttore, deve essere quello. Se lo aumenti perdi drasticamente in prestazioni di velocita` e banda, se lo riduci vai in instabilita`. E quindi ti rimane solo il cambiamento della resistenza di ingresso. Devo anche aggiungere che in current feedback il carico capacitivo sull'ingresso invertente (la prima osservazione che avevo fatto) e` un po' meno critico rispetto ai voltage feedback, ma meglio avere sempre le buone abitudini di lasciare tranquillo l'ingresso invertente.
Con il primo schema che hai fatto le cose vanno abbastanza bene. L'ingresso invertente dell'op amp non ha particolari carichi capacitivi. Rimane solo il fatto che durante la commutazione l'ingresso e` staccato e l'uscita va a zero, forse sarebbe meglio avere un percorso sempre presente e la commutazione inserisce solo una resistenza in serie o in parallelo.
Per usare proficuamente un simulatore, bisogna sapere molta più elettronica di lui
Plug it in - it works better!
Il 555 sta all'elettronica come Arduino all'informatica! (entrambi loro malgrado)
Se volete risposte rispondete a tutte le mie domande
Plug it in - it works better!
Il 555 sta all'elettronica come Arduino all'informatica! (entrambi loro malgrado)
Se volete risposte rispondete a tutte le mie domande
0
voti
"Non farei mai parte di un club che accettasse la mia iscrizione" (G. Marx)
-

claudiocedrone
21,3k 4 7 9 - Master EY

- Messaggi: 15302
- Iscritto il: 18 gen 2012, 13:36
0
voti
Grazie
IsidoroKZ.
Grazie
claudiocedrone che mi hai fatto venire i dubbi
!
Penso che userò la soluzione "uovo di colombo".
Dario
Grazie
Penso che userò la soluzione "uovo di colombo".
Dario
⋮ƎlectroYou e non smetti mai di imparare!
0
voti

"Non farei mai parte di un club che accettasse la mia iscrizione" (G. Marx)
-

claudiocedrone
21,3k 4 7 9 - Master EY

- Messaggi: 15302
- Iscritto il: 18 gen 2012, 13:36
25 messaggi
• Pagina 3 di 3 • 1, 2, 3
Chi c’è in linea
Visitano il forum: Nessuno e 51 ospiti

Elettrotecnica e non solo (admin)
Un gatto tra gli elettroni (IsidoroKZ)
Esperienza e simulazioni (g.schgor)
Moleskine di un idraulico (RenzoDF)
Il Blog di ElectroYou (webmaster)
Idee microcontrollate (TardoFreak)
PICcoli grandi PICMicro (Paolino)
Il blog elettrico di carloc (carloc)
DirtEYblooog (dirtydeeds)
Di tutto... un po' (jordan20)
AK47 (lillo)
Esperienze elettroniche (marco438)
Telecomunicazioni musicali (clavicordo)
Automazione ed Elettronica (gustavo)
Direttive per la sicurezza (ErnestoCappelletti)
EYnfo dall'Alaska (mir)
Apriamo il quadro! (attilio)
H7-25 (asdf)
Passione Elettrica (massimob)
Elettroni a spasso (guidob)
Bloguerra (guerra)





