Ciao a tutti,
volendo regolare la velocità di un piccolo motore DC volevo mettere su u piccolo controllo PWM utilizzando il solito 555 come astabile con duty cycle variabile (che ho già usato) e un mosfet che invece non ho mai utilizzato.
Così per fare qualche prova con ciò che passava il convento ho messo su breadbord un IRF640n con un resistore di pull down sul gate, un diodo di ricircolo, e ho fatto qualche prova eccitando il mosfet con l' onda quadra del mio chino generatore di segnale.
Al variare del duty cycle il motore accelera e rallenta come da copione, i mie dubbi riguardano piu che altro la frequenza.
Ho notato che:
- a frequenze basse (sotto i 3 kHz) a parità di duty cycle il motore gira piu lento.
- a frequenze comprese tra i 5 e 15 kHz non vedo variazioni di velocità in funzione della frequenza e si
avverte un lieve sibilo/fischio che sembra provenire dal motore.
- a frequenze alte (intorno al MHz) se si abbassa troppo il duty cycle il motore smette di girare.
In definitiva mi chiedevo come si sceglie una corretta frequenza di PWM tenendo conto che vorrei pilotare il mosfet con un 555?
Scelta frequenza PWM.
Moderatori:
carloc,
g.schgor,
BrunoValente,
IsidoroKZ
38 messaggi
• Pagina 1 di 4 • 1, 2, 3, 4
0
voti
lucaking ha scritto:a frequenze basse (sotto i 3 kHz) a parità di duty cycle il motore gira piu lento
Parità di duty cycle intendi parità in percentuale dell'impulso rispetto al periodo totale, o parità in durata dell'impulso? Ovviamente il diodo sta ai capi del motore, vero?
1
voti
- a frequenze basse (sotto i 3 kHz) a parità di duty cycle il motore gira piu lento.
Mi pare strano, non saprei spiegarne il motivo. prova a indagare di nuovo provando per valori di duty cicle di 10%, 50%, 90% con frequenza di 50 Hz, 1000 Hz, 3000 Hz, 5000 Hz.
come misuri la velocità del motore? Il motore gire a vuoto o con un certo carico?
Il MOSFET è in serie al motore ? Sono poco competente, ma e' provvisto di diodo limitatore di extratensioni o di uno snubber ( R e C spegniscintilla)?
1
voti
Ti chiedo scusa nessuna risposta tecnica ma solo ad intuito
Probabilmente se vedi le commutazoni diventano "pinne di squalo" Non avrai fronti dritti verticali, ci vuole un certo tempo per il fronte di salita e discesca. Sotto un certo duty cycle sale un poco e poi deve già scendere.
Questa secondo me è la frequenza della PWM se la sposti oltre i 20KHz poniamo a 30KHz sei fuori dall'udibile e non dovresti sentire più fischi.
In questo caso tra due impulsi di corrente passa troppo tempo Quello che vedi è un "valore medio" più basso.
Perdona ancora la descrizioen poco tecnica e forse inesatta. Per rispondere alla tua domanda dovresti salire in frequenza oltre i 20KHz che sono il limite dell'udibile per toglierti i fischi. Il limite superiore è sicuramente dato dal limite costruttivo del tuo drive (la massima frequenza a cui può commutare con fronti certi).
Io mi terrei lontano da questo limite superiore per avere garanzie di funzionamento.
Aspettiamo però qualcuno che ti fornisca dati e non chiacchere.
a frequenze alte (intorno al MHz) se si abbassa troppo il duty cycle il motore smette di girare.
Probabilmente se vedi le commutazoni diventano "pinne di squalo" Non avrai fronti dritti verticali, ci vuole un certo tempo per il fronte di salita e discesca. Sotto un certo duty cycle sale un poco e poi deve già scendere.
a frequenze comprese tra i 5 e 15 kHz non vedo variazioni di velocità in funzione della frequenza e si
avverte un lieve sibilo/fischio che sembra provenire dal motore.
Questa secondo me è la frequenza della PWM se la sposti oltre i 20KHz poniamo a 30KHz sei fuori dall'udibile e non dovresti sentire più fischi.
a frequenze basse (sotto i 3 kHz) a parità di duty cycle il motore gira piu lento.
In questo caso tra due impulsi di corrente passa troppo tempo Quello che vedi è un "valore medio" più basso.
Perdona ancora la descrizioen poco tecnica e forse inesatta. Per rispondere alla tua domanda dovresti salire in frequenza oltre i 20KHz che sono il limite dell'udibile per toglierti i fischi. Il limite superiore è sicuramente dato dal limite costruttivo del tuo drive (la massima frequenza a cui può commutare con fronti certi).
Io mi terrei lontano da questo limite superiore per avere garanzie di funzionamento.
Aspettiamo però qualcuno che ti fornisca dati e non chiacchere.
-

luxinterior
4.311 3 4 9 - Master EY

- Messaggi: 2690
- Iscritto il: 6 gen 2016, 17:48
0
voti
Marco a me non sembra affatto strano....
I PWM tipicamente girano tra 10000 e 20000 kHz. Ci sono molti fenomeni che portano a questo intervallo.
A frequenze troppo basse aumenta la "ruvidità" e si perde l'effetto filtraggio degli avvolgimenti del motore, detto in maniera semplice.
Ma in generale basta ricordare che col PWM si vuole ottenere una tensione "media" in maniera digitale, e scendere troppo in frequenza crea disturbi sonori, o per esempio "sfarfallio" se il PWM che alimenta un LED è troppo lento (m abisognerebbe scendere a poche decine di Hz)
A frequenze alte le perdite di commutazione diventano sempre più importanti, con una perdita di efficienza e quindi è possibile che il motore a parità di duty cycle dia meno potenza meccanica in uscita
I PWM tipicamente girano tra 10000 e 20000 kHz. Ci sono molti fenomeni che portano a questo intervallo.
A frequenze troppo basse aumenta la "ruvidità" e si perde l'effetto filtraggio degli avvolgimenti del motore, detto in maniera semplice.
Ma in generale basta ricordare che col PWM si vuole ottenere una tensione "media" in maniera digitale, e scendere troppo in frequenza crea disturbi sonori, o per esempio "sfarfallio" se il PWM che alimenta un LED è troppo lento (m abisognerebbe scendere a poche decine di Hz)
A frequenze alte le perdite di commutazione diventano sempre più importanti, con una perdita di efficienza e quindi è possibile che il motore a parità di duty cycle dia meno potenza meccanica in uscita
4
voti
richiurci ha scritto:A frequenze alte le perdite di commutazione diventano sempre più importanti, con una perdita di efficienza e quindi è possibile che il motore a parità di duty cycle dia meno potenza meccanica in uscita
A frequenze "alte" il motore eroga meno potenza anche perché l'induttanza degli avvolgimenti è responsabile di una minore corrente circolante e il motore assorbe meno potenza elettrica.
-

PietroBaima
90,7k 7 12 13 - G.Master EY

- Messaggi: 12206
- Iscritto il: 12 ago 2012, 1:20
- Località: Londra
1
voti
Se il circuito è quello semplice che penso io, può funzionare in 2 o in 3 tempi.
Se la frequenza è alta funziona in 2 tempi: in un tempo il motore viene alimentato alla tensione di batteria, e nell'altro tempo viene cortocircuitato dal diodo.
Se invece la frequenza è bassa funziona in 3 tempi: in un tempo il motore viene alimentato alla tensione di batteria, nel tempo successivo viene cortocircuitato dal diodo in conduzione, e nel terzo tempo la corrente è estinta quindi il motore resta flottante alla tensione da lui stesso generata in quanto dinamo. La tensione media, a parità di altre condizioni, risulta superiore quindi anch'io non so spiegare perché giri più piano specialmente se è senza carico meccanico.
Se la frequenza è alta funziona in 2 tempi: in un tempo il motore viene alimentato alla tensione di batteria, e nell'altro tempo viene cortocircuitato dal diodo.
Se invece la frequenza è bassa funziona in 3 tempi: in un tempo il motore viene alimentato alla tensione di batteria, nel tempo successivo viene cortocircuitato dal diodo in conduzione, e nel terzo tempo la corrente è estinta quindi il motore resta flottante alla tensione da lui stesso generata in quanto dinamo. La tensione media, a parità di altre condizioni, risulta superiore quindi anch'io non so spiegare perché giri più piano specialmente se è senza carico meccanico.
1
voti
La scelta della frequenza PWM, oltre per le questioni che ti sono state suggerite, va operata anche in funzione del tipo di applicazione. Un esempio è quello del pilotaggio in PWM di un motore in DC che porta in vibrazione acustica alcune strutture metalliche che si mettono a "suonare"; questo si manifesta in presenza di lamiere sottili o con superfici estese. Per esperienza, la scelta di una frequenza compresa tra i 10kHz e i 15kHz, per motori entro i 150w-200w, è accettabile anche per le questioni acustiche.
Ciao.
Paolo.
Ciao.
Paolo.
"Houston, Tranquillity Base here. The Eagle has landed." - Neil A.Armstrong
-------------------------------------------------------------
PIC Experience - http://www.picexperience.it
-------------------------------------------------------------
PIC Experience - http://www.picexperience.it
-

Paolino
32,6k 8 12 13 - G.Master EY

- Messaggi: 4226
- Iscritto il: 20 gen 2006, 11:42
- Località: Vigevano (PV)
0
voti
questa dei due tempi e tre tempi mi sembra un retaggio dei motori endotermici
Altra osservazione, oltre a quelle di Pietro e Paolo (che scritti così sembrano Apostoli
): qualsiasi PWM se misurato con precisione risulta avere un rendimento ottimo ad una certa potenza di uscita dipendente (anche) dalla frequenza di lavoro.
E quando bisogna pilotare carichi "importanti", cioè potenze elevate o con spunti di corrente (come nei motori) la scelta dei componenti è critica.
MOSFET di potenza tipicamente hanno capacità di Gate elevata, e diventa critico anche lo stadio precedente (driver) che deve pilotarlo in modo da minimizzare il tempo di commutazione e le perdite che ne derivano.
Oltre alle pittoresche "pinne di squalo" descritte da Lux (immagino intenda i fronti di salita meno ripidi di quelli di discesa) con PWM di potenza e/o pilotaggio inadeguato è possibile vedere un arresto nella salita di Vgate, che è il tempo impiegato dal driver per "caricare" la capacità di gate.
Altra osservazione, oltre a quelle di Pietro e Paolo (che scritti così sembrano Apostoli
E quando bisogna pilotare carichi "importanti", cioè potenze elevate o con spunti di corrente (come nei motori) la scelta dei componenti è critica.
MOSFET di potenza tipicamente hanno capacità di Gate elevata, e diventa critico anche lo stadio precedente (driver) che deve pilotarlo in modo da minimizzare il tempo di commutazione e le perdite che ne derivano.
Oltre alle pittoresche "pinne di squalo" descritte da Lux (immagino intenda i fronti di salita meno ripidi di quelli di discesa) con PWM di potenza e/o pilotaggio inadeguato è possibile vedere un arresto nella salita di Vgate, che è il tempo impiegato dal driver per "caricare" la capacità di gate.
0
voti
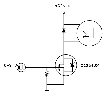
Intanto grazie a tutti per le risposte ora provo a rispondere ad alcune delle vostre domande.
Intanto il circuito che ho provato è questo:
Quindi niente snubber.
Del motore non conosco le caratteristiche, so solo che alimentato a 24 Vdc non scalda e a vuoto assorbe 0,07 A e frenandolo leggermente a valle del riduttore circa 0,17 A.
Nelle prove motore girava a vuoto e, l' unico attrito poteva essere quello del riduttore.
Per per il duty cycle intendevo in percentuale.
In effetti guardare due forme d' onda poteva essere cosa buona e giusta.
Stasera ci attacco l' oscilloscopio e vediamo di capirci qualcosa di piu.
richiurci: errore di battitura, ti è scappata una k?
Intanto il circuito che ho provato è questo:
Quindi niente snubber.
Del motore non conosco le caratteristiche, so solo che alimentato a 24 Vdc non scalda e a vuoto assorbe 0,07 A e frenandolo leggermente a valle del riduttore circa 0,17 A.
Nelle prove motore girava a vuoto e, l' unico attrito poteva essere quello del riduttore.
Per per il duty cycle intendevo in percentuale.
In effetti guardare due forme d' onda poteva essere cosa buona e giusta.
Stasera ci attacco l' oscilloscopio e vediamo di capirci qualcosa di piu.
richiurci ha scritto:I PWM tipicamente girano tra 10000 e 20000 kHz.
38 messaggi
• Pagina 1 di 4 • 1, 2, 3, 4
Chi c’è in linea
Visitano il forum: Majestic-12 [Bot] e 206 ospiti

Elettrotecnica e non solo (admin)
Un gatto tra gli elettroni (IsidoroKZ)
Esperienza e simulazioni (g.schgor)
Moleskine di un idraulico (RenzoDF)
Il Blog di ElectroYou (webmaster)
Idee microcontrollate (TardoFreak)
PICcoli grandi PICMicro (Paolino)
Il blog elettrico di carloc (carloc)
DirtEYblooog (dirtydeeds)
Di tutto... un po' (jordan20)
AK47 (lillo)
Esperienze elettroniche (marco438)
Telecomunicazioni musicali (clavicordo)
Automazione ed Elettronica (gustavo)
Direttive per la sicurezza (ErnestoCappelletti)
EYnfo dall'Alaska (mir)
Apriamo il quadro! (attilio)
H7-25 (asdf)
Passione Elettrica (massimob)
Elettroni a spasso (guidob)
Bloguerra (guerra)





pigreco]=π