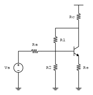
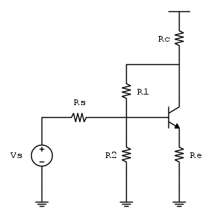
Stamattina mi sono svegliato con un dubbio: quanto vale l'impedenza d'uscita di un amplificatore common emitter con reazione collettore-base?
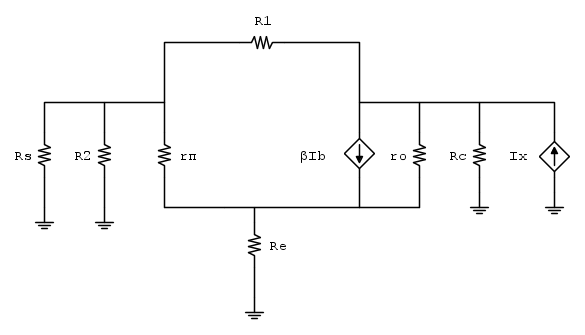
Ovviamente, ho fatto un disegno del circuito equivalente di piccolo segnale, e ho analizzato quello... ve lo mostro con i generatori già spenti ed un generatore arbitrario applicato:
Appena finito il disegno, mi son detto: "oh cavolo, questo circuito chiama il teorema di Miller a gran voce!!"... ho quindi provveduto intanto ad "isolare" i miei due bipoli terminali, dividendo
in due resistenze:

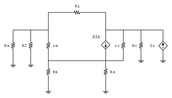
E dunque ho ridisegnato il circuito così:
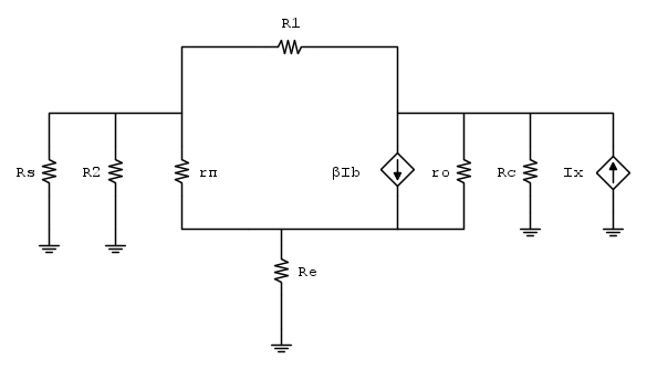
A questo punto, il teorema di Miller: detto
il guadagno in tensione dell'amplificatore (che non specifico ulteriormente, perché spesso per il common emitter viene approssimato e semplificato), ho sostituito
con le due resistenze:

E quindi il circuito è diventato questo:
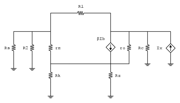
Qui, ho ovviamente identificato i due "semi-circuiti" separati:
A questo punto, il circuito d'ingresso è poco interessante: basta notare che non scorre corrente al suo interno, ovvero
.Concentrandoci sul circuito d'uscita, invece, si può sfruttare quanto determinato appena ora per ridisegnarlo così:
E si ricava velocemente:

Che ne dite? Ho ragionato correttamente, oppure mi son perso qualcosa? Che far 'sti ragionamenti alle cinque di mattina non è proprio facilissimo

Elettrotecnica e non solo (admin)
Un gatto tra gli elettroni (IsidoroKZ)
Esperienza e simulazioni (g.schgor)
Moleskine di un idraulico (RenzoDF)
Il Blog di ElectroYou (webmaster)
Idee microcontrollate (TardoFreak)
PICcoli grandi PICMicro (Paolino)
Il blog elettrico di carloc (carloc)
DirtEYblooog (dirtydeeds)
Di tutto... un po' (jordan20)
AK47 (lillo)
Esperienze elettroniche (marco438)
Telecomunicazioni musicali (clavicordo)
Automazione ed Elettronica (gustavo)
Direttive per la sicurezza (ErnestoCappelletti)
EYnfo dall'Alaska (mir)
Apriamo il quadro! (attilio)
H7-25 (asdf)
Passione Elettrica (massimob)
Elettroni a spasso (guidob)
Bloguerra (guerra)











, per cui si usa approssimare questo guadagno a quello del circuito non retroazionato:
non passasse corrente... avendo scelto di considerare l'effetto Early non è proprio correttissimo, ma guardando i calcoli "precisi" (come sviluppati per esempio in Jaeger-Blalock) mi sono accorto che di fatto la corrente passa quasi tutta in
adesso si calcola
, supponendo di mantenere lo stesso nome ai morsetti. Ovviamente se il nuovo guadagno senza reazione non risulta molto maggiore di 1 l'approssimazione fondamentale per l'utilizzo del teorema di Miller non serve a granché. Quanto appena scritto ha tuttavia un'altra conseguenza: l'impedenza di
calcolata nel messaggio iniziale. Sono consapevole che quanto appena detto sia una bestemmia in ambito ingegneristico ma potrebbe essere un'informazione utile.

...)
![I_x = \frac{V_x}{R_c} + \beta I_b + \frac{V_x(1 - \frac{1}{G_v})}{R_1} = \frac{V_x}{R_c} + \beta \frac{V_x}{G_v[r_\pi + (\beta + 1)R_e]} + \frac{V_x}{\frac{R_1 G_v}{G_v - 1}} I_x = \frac{V_x}{R_c} + \beta I_b + \frac{V_x(1 - \frac{1}{G_v})}{R_1} = \frac{V_x}{R_c} + \beta \frac{V_x}{G_v[r_\pi + (\beta + 1)R_e]} + \frac{V_x}{\frac{R_1 G_v}{G_v - 1}}](/forum/latexrender/pictures/1cc7451f0b235be86e39c01b7d9c38a7.png)
![R_{out} = \bigg| R_c \parallel R_1 \frac{G_v}{G_v - 1} \parallel \frac{G_v[r_\pi + (\beta + 1)R_e]}{\beta} \bigg| R_{out} = \bigg| R_c \parallel R_1 \frac{G_v}{G_v - 1} \parallel \frac{G_v[r_\pi + (\beta + 1)R_e]}{\beta} \bigg|](/forum/latexrender/pictures/697e50b94c02e91ab61f540182a5e3ee.png)
, non
) non vale affatto.
è l'impedenza equivalente tra i morsetti di interesse a generatore spento,
e
sono i rapporti di ritorno calcolati supponendo i morsetti di uscita in cortocircuito (ovviamente in questo caso è nullo) e circuito aperto (coincidente in tal caso con il rapporto di ritorno del modello asintotico) rispettivamente.
, per cui alla fine ho preferito la "cara vecchia elettrotecnica".
che fa si` che la suddivisione della corrnente fra i due rami non sia piu` dipendente solo da
. Poi pero` hai deciso che era in caso di trascurare
che e` praticamente tutto quello che serve nei conti successivi. Eventualmente si potrebbe anche calcolare la transconduttanza del blocco transistore+RE, che vale circa 1/RE, ma si puo` fare a meno di usarla. 
e questa da` una prima approssimazione della corrente IT. Il primo partitore calcola la tensione di base, che moltiplicata per la gm equivalente da` la corrente I3.
e questa e` una cruda approssimazione della resistenza di uscita. Se si vuole fare tutto il conto per bene, allora si trovano i tre contributi separati delle correnti, alcuni immediati, altri piu` lunghi



