salve ragazzi mi servirebbe una mano con questo circuito. Ho calcolato la polarizzazione e verificato che fossero in saturazione. Ho problemi però nella seconda richiesta. Per calcolare la frequenza di taglio ho pensato di usare il metodo delle costanti tempo, quindi dovrei calcolarmi le resistenze equivalenti viste da ogni condensatore giusto?
non c'è un modo più veloce per non dover calcolare tutte le resistenze equivalenti??
Esercizio Mosfet
Moderatori:
carloc,
g.schgor,
BrunoValente,
IsidoroKZ
7 messaggi
• Pagina 1 di 1
0
voti
[1] Esercizio Mosfet
-

marcot1004
15 1 7 - Frequentatore

- Messaggi: 131
- Iscritto il: 14 nov 2016, 13:57
0
voti
Ogni condensatore mi pare eccessivo. C'e` un segnale solo differenziale, quindi puoi sfruttare la simmetria e calcolare solo cosa capita in mezzo differenziale a cascode.
Servono, se proprio uno vuole fare i conti completi, 4 capacita`, ma tre costanti di tempo si calcolano a vista, solo una potrebbe richiedere qualche conto in piu`.
Servono, se proprio uno vuole fare i conti completi, 4 capacita`, ma tre costanti di tempo si calcolano a vista, solo una potrebbe richiedere qualche conto in piu`.
Per usare proficuamente un simulatore, bisogna sapere molta più elettronica di lui
Plug it in - it works better!
Il 555 sta all'elettronica come Arduino all'informatica! (entrambi loro malgrado)
Se volete risposte rispondete a tutte le mie domande
Plug it in - it works better!
Il 555 sta all'elettronica come Arduino all'informatica! (entrambi loro malgrado)
Se volete risposte rispondete a tutte le mie domande
0
voti
IsidoroKZ ha scritto:Ogni condensatore mi pare eccessivo. C'e` un segnale solo differenziale, quindi puoi sfruttare la simmetria e calcolare solo cosa capita in mezzo differenziale a cascode.
Servono, se proprio uno vuole fare i conti completi, 4 capacita`, ma tre costanti di tempo si calcolano a vista, solo una potrebbe richiedere qualche conto in piu`.
Quindi volendo fare i conti precisi procedo così:
- spezzo il circuito in due indipendenti tramite Bartlett
- Calcolo la Req per ogni condensatore
- Sommo tutte le costanti tempo
Poi sappiamo che
dove con
ho indicato quella totale.E dividendo per 2pi trovo la frequenza
Mi stavo però domandando una cosa, non è necessario ripetere il procedimento per l'altra metà del circuito tanto avrà la stessa frequenza di taglio giusto?
inoltre quella ottenuta è la medesima del circuito di partenza, prima della semplificazione con Bartlett visto che i due circuiti ottenuti essendo connessi solo tramite un nodo sono indipendenti?
-

marcot1004
15 1 7 - Frequentatore

- Messaggi: 131
- Iscritto il: 14 nov 2016, 13:57
0
voti
Fai i conti solo su meta` circuito e il risultato vale anche per tutto il circuito. Quella che calcoli in quel modo e` solo una stima della frequenza di taglio superiore, talvolta neanche tanto buona se non si e` in presenza di un polo dominante.
Dal punto di vista pratico i poli del circuito sono due, quello del nodo di ingresso con Cgs e 2xCgd e quello di uscita con Cgd.
Dal punto di vista pratico i poli del circuito sono due, quello del nodo di ingresso con Cgs e 2xCgd e quello di uscita con Cgd.
Per usare proficuamente un simulatore, bisogna sapere molta più elettronica di lui
Plug it in - it works better!
Il 555 sta all'elettronica come Arduino all'informatica! (entrambi loro malgrado)
Se volete risposte rispondete a tutte le mie domande
Plug it in - it works better!
Il 555 sta all'elettronica come Arduino all'informatica! (entrambi loro malgrado)
Se volete risposte rispondete a tutte le mie domande
0
voti
IsidoroKZ ha scritto:Fai i conti solo su meta` circuito e il risultato vale anche per tutto il circuito. Quella che calcoli in quel modo e` solo una stima della frequenza di taglio superiore, talvolta neanche tanto buona se non si e` in presenza di un polo dominante.
Dal punto di vista pratico i poli del circuito sono due, quello del nodo di ingresso con Cgs e 2xCgd e quello di uscita con Cgd.
Non mi è chiaro però tra i due metodi, ovvero applicando Miller oppure calcolando tutte le resistenze equivalenti individualmente è il migliore.
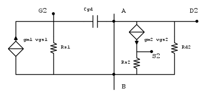
Inoltre ti volevo chiedere un'altra cosa: è possibile calcolare la Req di una porzione di circuito in cui è presente un generatore di corrente controllato gm Vgs ma nella quale porzione non è presente il nodo di gate?
Considerando il circuito di sopra, posso calcolarmi la Req tra A e B della porzione di Destra in cui però non è presente il nodo di Gate2 che mi controlla il generatore di corrente?
-

marcot1004
15 1 7 - Frequentatore

- Messaggi: 131
- Iscritto il: 14 nov 2016, 13:57
0
voti
Fra usare il teorema di Miller e calcolare le costanti di tempo a circuito aperto? Boh? Se c'e` un polo dominante sono equivalenti, altrimenti mi pare che Miller sovrastimi e le costanti di tempo sottostimino (anche di parecchio) la frequenza di taglio superiore.
Per la seconda domanda non capisco il circuito, disegnalo lasciando i simboli dei MOS, si capisce di piu`. A sentimento direi che non si possa fare quello che vuoi fare, anche se in certi casi potrebbe essere possibile.
Per la seconda domanda non capisco il circuito, disegnalo lasciando i simboli dei MOS, si capisce di piu`. A sentimento direi che non si possa fare quello che vuoi fare, anche se in certi casi potrebbe essere possibile.
Per usare proficuamente un simulatore, bisogna sapere molta più elettronica di lui
Plug it in - it works better!
Il 555 sta all'elettronica come Arduino all'informatica! (entrambi loro malgrado)
Se volete risposte rispondete a tutte le mie domande
Plug it in - it works better!
Il 555 sta all'elettronica come Arduino all'informatica! (entrambi loro malgrado)
Se volete risposte rispondete a tutte le mie domande
0
voti
IsidoroKZ ha scritto:Fra usare il teorema di Miller e calcolare le costanti di tempo a circuito aperto? Boh? Se c'e` un polo dominante sono equivalenti, altrimenti mi pare che Miller sovrastimi e le costanti di tempo sottostimino (anche di parecchio) la frequenza di taglio superiore.
Per la seconda domanda non capisco il circuito, disegnalo lasciando i simboli dei MOS, si capisce di piu`. A sentimento direi che non si possa fare quello che vuoi fare, anche se in certi casi potrebbe essere possibile.
Credo che non sia fattibile visto che non saprei neanche come far vedere dove tagliare visto che tra gate e drain non ho collegamenti.... comunque poi ho risolto diversamente, facendo qualche conto in più ma mi è tornato

-

marcot1004
15 1 7 - Frequentatore

- Messaggi: 131
- Iscritto il: 14 nov 2016, 13:57
7 messaggi
• Pagina 1 di 1
Chi c’è in linea
Visitano il forum: Nessuno e 203 ospiti

Elettrotecnica e non solo (admin)
Un gatto tra gli elettroni (IsidoroKZ)
Esperienza e simulazioni (g.schgor)
Moleskine di un idraulico (RenzoDF)
Il Blog di ElectroYou (webmaster)
Idee microcontrollate (TardoFreak)
PICcoli grandi PICMicro (Paolino)
Il blog elettrico di carloc (carloc)
DirtEYblooog (dirtydeeds)
Di tutto... un po' (jordan20)
AK47 (lillo)
Esperienze elettroniche (marco438)
Telecomunicazioni musicali (clavicordo)
Automazione ed Elettronica (gustavo)
Direttive per la sicurezza (ErnestoCappelletti)
EYnfo dall'Alaska (mir)
Apriamo il quadro! (attilio)
H7-25 (asdf)
Passione Elettrica (massimob)
Elettroni a spasso (guidob)
Bloguerra (guerra)

