Matrice LED
Moderatori:
carloc,
g.schgor,
BrunoValente,
IsidoroKZ
20 messaggi
• Pagina 2 di 2 • 1, 2
0
voti
[11] Re: Matrice LED
Hai ragione...l' unico driver led che potrebbe andare bene ha un output di 30 - 36 volt 600 mA....
1
voti
[12] Re: Matrice LED
Ci andrei di resistenza serie dimensionata pensando a un worst case di temperatura e tensione di soglia (max 4.3V circa sul datasheet a 25°C, ma si scalderanno come dice
boiler). Segnalo gli articoli di
IsidoroKZ sui LED nel caso tu voglia capirci qualcosa. Parti da questo: http://www.electroyou.it/isidorokz/wiki/stringhe-di-led-alimentate-a-corrente-costante
------------------
Premessa: se ti va di fare un po' di elettronica, sennò salta tutto. Scrivo anche per sapere se qualcuno usa circuiti simili, magari con migliorie varie.
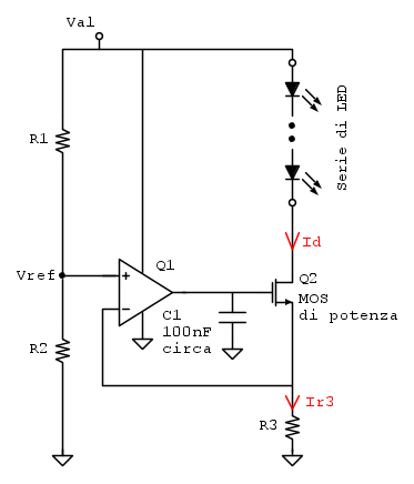
Se vuoi puoi provare a fare un generatore di corrente da 700mA, usando questo schema (che va un po' compensato e aggiustato). Non è tanto facile ma è un bel progettino dove puoi vedere roba surriscaldarsi e oscillare. Nel caso ti voglia divertire con una sfida elettronica "hobbistica" provaci, io ne ho montati un po', da 10mA a 3A.
Chiamiamo Id la corrente che attraverserà i LED ed il drain, Ir3 la corrente su R3. Se va tutto bene saranno pressoché identiche.
L'operazionale farà di tutto (fino a saturare e amen) per tenere più simili che può le tensioni al piedino + ed al piedino -.
Fissiamo noi la tensione sul +, per farlo usiamo il partitore resistivo formato da R1 ed R2, facendo cadere sul piedino + la tensione

Come detto prima l'operazionale farà di tutto per tenere il più simili possibili le tensioni sul + e sul -. Quindi se il resto del circuito lo permette sul piedino + e sul piedino - cadrà la stessa tensione, chiamata Vref nello schema. È la tensione che abbiamo impostato poco fa col partitore formato da R1 ed R2.
Assumiamo che vada tutto bene e che l'operazionale (assieme al resto del circuito) ce la faccia a tenere (quasi) Vref sia sul + che sul -.
Quindi abbiamo Vref sul piedino - e su R3 cade la stessa tensione. Nella resistenza R3 passa la corrente Ir3 che vale

Riassumendo, per ora:
- Fissata la tensione sul + (chiamata Vref) col partitore di tensione formato da R1 ed R2.
- Abbiamo assunto che l'operazionale ed il resto del circuito ce la facciano a tenere quasi identiche le tensioni sul piedino + e sul piedino - dell'operazionale, quindi la tensione su R3 è la stessa dei piedini + e -, cioè Vref.
- Si conclude che in R3 scorrerà una corrente che dipende da Vref (fissata da noi) e dal valore di R3 (che dobbiamo ancora scegliere).
Il piedino - assorbe una corrente trascurabile rispetto alla Id=700mA (ed alla precisione) che ci interessano. Quindi la corrente Ir3 è pressoché identica alla corrente Id che scorre nei LED. Ottimo, possiamo fissare Id:

Impostiamo noi Val, R1, R2, R3. Cerchiamo di far stare Vref sopra 1V o 2V, non dev'essere troppo bassa per farla "osservare decentemente " dall'opamp.
-----------------------
Non sono tutte rose e fiori. Innanzitutto abbiamo assunto che "l'operazionale ed il resto del circuito ce la facciano a mantenere quasi identiche le tensioni al + ed al -". Dobbiamo rispettare il modo con cui funziona l'opamp. Ad esempio deve riuscire a fornire in uscita una tensione di almeno

Con
la tensione gate-source calcolata per la Id desiderata. Non è troppo facile calcolarla senza dover assumere i parametri di fabbricazione del MOS.
Poi la tensione di alimentazione dev'essere sufficientemente alta affinché il MOS stia felicemente in saturazione, comandato dall'opamp. Il MOS dovrà avere almeno
con Vth la sua tensione di soglia (di worst case!) e Vds la tensione drain-source.
In più ci sono le tensioni di soglia
dei LED e la tensione che cade su R3.

L'opamp dev'essere in grado di reggere quella tensione di alimentazione senza bruciare. Il fattore di 1.2 l'ho messo lì a bella posta, è empirico.
Il MOS dissiperà una potenza di
. Servirà quasi sicuramente un dissipatore per il MOS, che dovrà comunque essere in grado di erogare Id=700mA (quindi roba di segnale non va bene).
La resistenza R3 dissiperà una potenza di
. Per Id=700mA potrebbe servire un resistore da 1W o più a seconda della Vref impostata. Conviene che Vref non sia troppo bassa.
...e la baracca tende ad oscillare. Risolvevo violentemente e senza usare il cervello, cambiando il valore del condensatore sul gate del MOS.
------------------
Premessa: se ti va di fare un po' di elettronica, sennò salta tutto. Scrivo anche per sapere se qualcuno usa circuiti simili, magari con migliorie varie.
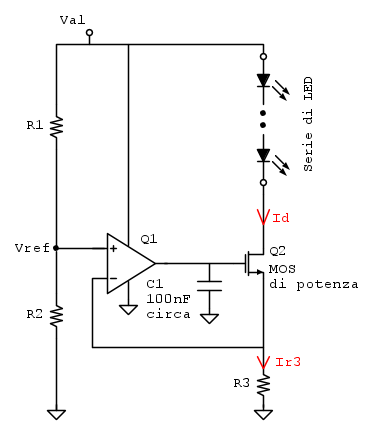
Se vuoi puoi provare a fare un generatore di corrente da 700mA, usando questo schema (che va un po' compensato e aggiustato). Non è tanto facile ma è un bel progettino dove puoi vedere roba surriscaldarsi e oscillare. Nel caso ti voglia divertire con una sfida elettronica "hobbistica" provaci, io ne ho montati un po', da 10mA a 3A.
Chiamiamo Id la corrente che attraverserà i LED ed il drain, Ir3 la corrente su R3. Se va tutto bene saranno pressoché identiche.
L'operazionale farà di tutto (fino a saturare e amen) per tenere più simili che può le tensioni al piedino + ed al piedino -.
Fissiamo noi la tensione sul +, per farlo usiamo il partitore resistivo formato da R1 ed R2, facendo cadere sul piedino + la tensione

Come detto prima l'operazionale farà di tutto per tenere il più simili possibili le tensioni sul + e sul -. Quindi se il resto del circuito lo permette sul piedino + e sul piedino - cadrà la stessa tensione, chiamata Vref nello schema. È la tensione che abbiamo impostato poco fa col partitore formato da R1 ed R2.
Assumiamo che vada tutto bene e che l'operazionale (assieme al resto del circuito) ce la faccia a tenere (quasi) Vref sia sul + che sul -.
Quindi abbiamo Vref sul piedino - e su R3 cade la stessa tensione. Nella resistenza R3 passa la corrente Ir3 che vale

Riassumendo, per ora:
- Fissata la tensione sul + (chiamata Vref) col partitore di tensione formato da R1 ed R2.
- Abbiamo assunto che l'operazionale ed il resto del circuito ce la facciano a tenere quasi identiche le tensioni sul piedino + e sul piedino - dell'operazionale, quindi la tensione su R3 è la stessa dei piedini + e -, cioè Vref.
- Si conclude che in R3 scorrerà una corrente che dipende da Vref (fissata da noi) e dal valore di R3 (che dobbiamo ancora scegliere).
Il piedino - assorbe una corrente trascurabile rispetto alla Id=700mA (ed alla precisione) che ci interessano. Quindi la corrente Ir3 è pressoché identica alla corrente Id che scorre nei LED. Ottimo, possiamo fissare Id:

Impostiamo noi Val, R1, R2, R3. Cerchiamo di far stare Vref sopra 1V o 2V, non dev'essere troppo bassa per farla "osservare decentemente " dall'opamp.
-----------------------
Non sono tutte rose e fiori. Innanzitutto abbiamo assunto che "l'operazionale ed il resto del circuito ce la facciano a mantenere quasi identiche le tensioni al + ed al -". Dobbiamo rispettare il modo con cui funziona l'opamp. Ad esempio deve riuscire a fornire in uscita una tensione di almeno

Con
la tensione gate-source calcolata per la Id desiderata. Non è troppo facile calcolarla senza dover assumere i parametri di fabbricazione del MOS.Poi la tensione di alimentazione dev'essere sufficientemente alta affinché il MOS stia felicemente in saturazione, comandato dall'opamp. Il MOS dovrà avere almeno
con Vth la sua tensione di soglia (di worst case!) e Vds la tensione drain-source.In più ci sono le tensioni di soglia
dei LED e la tensione che cade su R3.
L'opamp dev'essere in grado di reggere quella tensione di alimentazione senza bruciare. Il fattore di 1.2 l'ho messo lì a bella posta, è empirico.
Il MOS dissiperà una potenza di
. Servirà quasi sicuramente un dissipatore per il MOS, che dovrà comunque essere in grado di erogare Id=700mA (quindi roba di segnale non va bene).La resistenza R3 dissiperà una potenza di
. Per Id=700mA potrebbe servire un resistore da 1W o più a seconda della Vref impostata. Conviene che Vref non sia troppo bassa....e la baracca tende ad oscillare. Risolvevo violentemente e senza usare il cervello, cambiando il valore del condensatore sul gate del MOS.
I don't fight weather - Woodrow W. Smith
0
voti
[13] Re: Matrice LED
Se i LED sono da 700mA io li polarizzerei a 4-500mA max, a meno che non siano LED "seri" e soprattutto non si provveda a raffreddarli MOLTO ACCURATAMENTE.
I dati dichiarati sono spesso ottimistici e comunque basati su un raffreddamento ottimale, basta metterli troppo vicini per fare la frittura....
I dati dichiarati sono spesso ottimistici e comunque basati su un raffreddamento ottimale, basta metterli troppo vicini per fare la frittura....
0
voti
[14] Re: Matrice LED
Fedhman ha scritto:...e la baracca tende ad oscillare. Risolvevo violentemente e senza usare il cervello, cambiando il valore del condensatore sul gate del MOS.
Mai provato a metterci una resistenza? ;)
Boiler
0
voti
[15] Re: Matrice LED
boiler ha scritto:Mai provato a metterci una resistenza? ;)
Boiler
In serie al gate, per smorzare "l'oscillatore parassita"? Sì avevo fatto qualche prova anni fa con successi altalenanti, ho vaghi ricordi.
I don't fight weather - Woodrow W. Smith
1
voti
[18] Re: Matrice LED
Fedhman ha scritto:Eliminava le oscillazioni.
Piú probabilmente le causava
Quel condensatore lì non ha senso. C'è già la capacità del gate che rompe le scatole.
Ci sono opamp che non hanno problemi con piccole capacità. Per il FET che hai citato, per esempio l'LMV601 è stabile per tutte le tensioni d'uscita.
In ogni caso, proprio quando la corrente in uscita è bassissima, vale la pena mettere una resistenza in serie che sposta il polo (la resistenza d'uscita dell'opamp stesso è troppo bassa).
Aggiugerei anche una resistenza tra gate a GND per generare un minimo di carico, altrimenti certi opamp non riescono a scendere a zero. E anche se siamo sotto al threshold, il leakage basta a far illuminare i moderni LED ad alta efficienza.
Boiler
0
voti
[19] Re: Matrice LED
boiler ha scritto:Piú probabilmente le causava
Quel condensatore lì non ha senso. C'è già la capacità del gate che rompe le scatole.
Possibilissimo che io ricordi male. Ricordo che sperimentavo sul circuito ed inserendolo eliminavo le oscillazioni sulla corrente d'uscita. Magari rimonto tutto tra un po'. Forse spostavo la frequenza di oscillazione e basta.
Va sicuramente in parallelo a Cgs, alzandola.
boiler ha scritto:Ci sono opamp che non hanno problemi con piccole capacità. Per il FET che hai citato, per esempio l'LMV601 è stabile per tutte le tensioni d'uscita.
Non conoscevo la famiglia. Ha un absolute maximum rating di 6 V sull'alimentazione, pochi per un circuito del genere.
boiler ha scritto:Aggiugerei anche una resistenza tra gate a GND per generare un minimo di carico, altrimenti certi opamp non riescono a scendere a zero.
Qui l'opamp deve tenere una tensione di uscita pari a Vgs+Id*R3, non dovrebbe scendere mai a zero. Interessante il discorso sulla minima corrente erogata, hai qualche schema in particolare a cui fare riferimento?
boiler ha scritto:E anche se siamo sotto al threshold, il leakage basta a far illuminare i moderni LED ad alta efficienza.
Più o meno di quanto, rispetto al caso sopra soglia?
I don't fight weather - Woodrow W. Smith
1
voti
[20] Re: Matrice LED
Fedhman ha scritto:Non conoscevo la famiglia. Ha un absolute maximum rating di 6 V sull'alimentazione, pochi per un circuito del genere.
Era un discorso generico, sul pilotare un mosfet con un opamp. Ma anche nell'applicazione in questione andrebbe benissimo. Visto il consumo (0.1 mA) lo puoi anche alimentare con uno zener e una resistenza.
Qui l'opamp deve tenere una tensione di uscita pari a Vgs+Id*R3, non dovrebbe scendere mai a zero.
Vero, stavo pensando ad un caso in cui Vref possa cambiare (dimmer) e scendere a zero.
Più o meno di quanto, rispetto al caso sopra soglia?boiler ha scritto:E anche se siamo sotto al threshold, il leakage basta a far illuminare i moderni LED ad alta efficienza.
Vedi il messaggio [11] qui: viewtopic.php?f=1&t=60918&p=610382
Boiler
20 messaggi
• Pagina 2 di 2 • 1, 2
Chi c’è in linea
Visitano il forum: Nessuno e 190 ospiti

Elettrotecnica e non solo (admin)
Un gatto tra gli elettroni (IsidoroKZ)
Esperienza e simulazioni (g.schgor)
Moleskine di un idraulico (RenzoDF)
Il Blog di ElectroYou (webmaster)
Idee microcontrollate (TardoFreak)
PICcoli grandi PICMicro (Paolino)
Il blog elettrico di carloc (carloc)
DirtEYblooog (dirtydeeds)
Di tutto... un po' (jordan20)
AK47 (lillo)
Esperienze elettroniche (marco438)
Telecomunicazioni musicali (clavicordo)
Automazione ed Elettronica (gustavo)
Direttive per la sicurezza (ErnestoCappelletti)
EYnfo dall'Alaska (mir)
Apriamo il quadro! (attilio)
H7-25 (asdf)
Passione Elettrica (massimob)
Elettroni a spasso (guidob)
Bloguerra (guerra)





