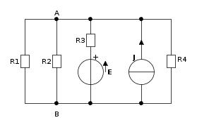
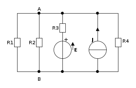
nunziato ha scritto:Ipotizzo che le polarità dei generatori siano quelle sotto riportate ( se sono diverse rivedi i calcoli).
Millman non l'hai fatto ancora quindi utilizziamo sovrapposizione degli effetti.
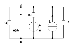
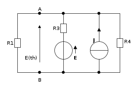
Per la resistenza equivalente di Thevenin:va bene.
Quindi per la fem del generatore di Thevenin usi questo (in accordo con le polarità che ho introdotto prima):
e quindi, per sovrapposizione degli effetti risolvi i seguenti due circuiti e, appunto, sommi gli effetti:
Salve a tutti, riprendo questa vecchia discussione perché sono iscritto allo stesso corso di laurea e sto studiando dallo stesso libro.
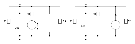
Usando al sovrapposizione degli effetti sono arrivato anche io ai due circuiti di nunziato.
Ora per quanto riguarda E01 ottengo che R3 è in serie ad R4 quindi R3+R4=7000 ohm
Facendo il partitore di tensione E01=E*(R1/(R1+R3+R4))= 0,125V
Per quanto riguarda E02 ottengo che è proprio la tensione tra i morsetti di R1 quindi facendo il partitore di corrente trovo la corrente che attraversa R1
i1= J* (R3//R4/(R1+R3//R4))= 0,002* (1428,57/2428,57)= 0,001177 A
Quindi E02=i1*R1= 1,1765
E0=1,1767+0,125= 1,30V
Quindi il generatore reale di Thévenin ha un resistenza di 588ohm e una tensione di 1,30V
Aggiungendo la resistenza R2 =1000ohm ottengo che la corrente i2 è
i2=1,30/1588=0,00082A
dove R2+Rth=1588
Quindi la potenza assorbita da R2 dovrebbe essere P=R2*(i2^2)=0,00067 Watt cioè 0,67mWatt
Invece il risultato è 0,85mWatt...
Dove sbaglio? Spero possiate darmi una mano.


Elettrotecnica e non solo (admin)
Un gatto tra gli elettroni (IsidoroKZ)
Esperienza e simulazioni (g.schgor)
Moleskine di un idraulico (RenzoDF)
Il Blog di ElectroYou (webmaster)
Idee microcontrollate (TardoFreak)
PICcoli grandi PICMicro (Paolino)
Il blog elettrico di carloc (carloc)
DirtEYblooog (dirtydeeds)
Di tutto... un po' (jordan20)
AK47 (lillo)
Esperienze elettroniche (marco438)
Telecomunicazioni musicali (clavicordo)
Automazione ed Elettronica (gustavo)
Direttive per la sicurezza (ErnestoCappelletti)
EYnfo dall'Alaska (mir)
Apriamo il quadro! (attilio)
H7-25 (asdf)
Passione Elettrica (massimob)
Elettroni a spasso (guidob)
Bloguerra (guerra)
va bene.


non è in serie ad
, ma in serie al parallelo di
con 





