Cos'è ElectroYou | Login Iscriviti

ElectroYou - la comunità dei professionisti del mondo elettrico

Calcolare la corrente, usando Thévenin

Circuiti, campi elettromagnetici e teoria delle linee di trasmissione e distribuzione dell’energia elettrica

Moderatori: Foto Utenteg.schgor, Foto UtenteIsidoroKZ

0
voti

[1] Calcolare la corrente, usando Thévenin

Messaggioda Foto Utentenoisemake » 3 giu 2017, 17:12

Salve a tutti, sto avendo dei problemi con questo esercizio.

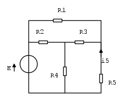
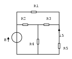
Utilizzando il teorema di Thévenin calcolare la corrente i5.
Risultato = -18mA

E= 12V ; R_1=R_3=200ohm; R_2=600ohm ; R_4=R_5=400ohm



Spegnendo E ed eliminando R_5 ottengo:



Nel circuito a sinistra ho una stella che ho trasformato a destra in un triangolo dove

R_13=(R_2*R_3+R_2*R_4+R_3*R_4)/R_4= 1100ohm
R_12=(R_2*R_3+R_2*R_4+R_3*R_4)/R_3= 2200ohm
R_23=(R_2*R_3+R_2*R_4+R_3*R_4)/R_2= 733,33 ohm

Ora essendo R_12 in parallelo con un CC posso eliminarlo e quindi ottenere Req_Th=R_1//R_13//R_23?


Grazie!
Avatar utente
Foto Utentenoisemake
10 2
 
Messaggi: 22
Iscritto il: 24 mag 2016, 19:46

0
voti

[2] Re: Calcolare la corrente, usando Thévenin

Messaggioda Foto Utenteadmin » 3 giu 2017, 17:21

E i problemi quali sarebbero?
Avatar utente
Foto Utenteadmin
196,6k 9 12 17
Manager
Manager
 
Messaggi: 11950
Iscritto il: 6 ago 2004, 13:14

0
voti

[3] Re: Calcolare la corrente, usando Thévenin

Messaggioda Foto Utentenoisemake » 3 giu 2017, 17:40

Rifacendo bene i conti mi trovo con il risultato , scrivo per completezza, magari può servire a qualcun altro.

La resistenza equivalente è quindiReq_th=137,5ohm

Nel circuito a destra , riattivando E al posto del CC ed usando il partitore di tensione ottengo cheE_0 è:

E_0=-E*R_23/((R_1//R_13)+R_23)=-9,75V

quindi
i5=-E_0/(Req_th+R5)=-18mA
Avatar utente
Foto Utentenoisemake
10 2
 
Messaggi: 22
Iscritto il: 24 mag 2016, 19:46

2
voti

[4] Re: Calcolare la corrente, usando Thévenin

Messaggioda Foto UtenteIlGuru » 3 giu 2017, 17:57

Si poteva anche fare senza trasformazione stella-triangolo.
R_{TH}  = ( ( R_2 \parallel R_4 ) + R_3 ) \parallel R_1
\Gamma\nu\tilde{\omega}\theta\i\ \sigma\epsilon\alpha\upsilon\tau\acute{o}\nu
Avatar utente
Foto UtenteIlGuru
5.482 2 10 13
G.Master EY
G.Master EY
 
Messaggi: 1924
Iscritto il: 31 lug 2015, 23:32

0
voti

[5] Re: Calcolare la corrente, usando Thévenin

Messaggioda Foto Utentenoisemake » 3 giu 2017, 18:15

IlGuru ha scritto:Si poteva anche fare senza trasformazione stella-triangolo.
R_{TH}  = ( ( R_2 \parallel R_4 ) + R_3 ) \parallel R_1



:ok:
Avatar utente
Foto Utentenoisemake
10 2
 
Messaggi: 22
Iscritto il: 24 mag 2016, 19:46


Torna a Elettrotecnica generale

Chi c’è in linea

Visitano il forum: Nessuno e 14 ospiti