Salve,
Potete aiutarmi con il seguente circuito?
Non riesco a capire come si comportano le tensioni, ne quanti tipi di correnti ci sono. Vorrei risolverlo con Kirchhoff, però quando vado a scrivere l'equazione non so come si comportano gli altri generatori (non so se metterli negativi o positivi).
[url=]Qui[/url] ho provato ad indicare il verso delle tensioni, però non credo proprio che si faccia così. In pratica, la prima maglia l'ho scritta come se V2 e V3 si comportassero da utilizzatori, il verso della loro tensione è contrario al verso della corrente che genera V1. La seconda maglia ho messo V2 come generatore...
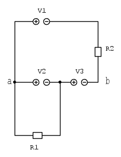
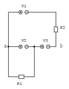
I dati sono:
V1 = 6V
V2 = 5V
V3 = 4V
R1 = 100 ohm
R2 = 50 Ohm
Quello che vorrei sapere è: cosa succede in quel circuito? Quale sarebbe l'equazione da scrivere?
---------------------
P.S. chiedo scusa se ho fatto pasticci con l'[url][/url], ho già visto la guida, ma non capisco dove ho sbagliato...
Risoluzione circuito elettrico
Moderatori:
g.schgor,
IsidoroKZ
9 messaggi
• Pagina 1 di 1
0
voti
0
voti
Caro Luigi, 20anni? elettrotecnica1?,
oggi sono in vena di risolvere quiz.
Prima domanda, a risposta quasi ovvia: i generatori sono generatori ideali di tensione?
Nel definire il verso delle tensioni, consiglierei di mettere la freccia verso il +.
Per il calcolo delle correnti, direi:
I2= V2/R1;
I = (V2+V3-V1)/R2.
valori in valore assoluto, per il senso di precorrenza vedi tu.
Poi potrei aver commesso errori, il forum è un lavoro di gruppo

oggi sono in vena di risolvere quiz.
Prima domanda, a risposta quasi ovvia: i generatori sono generatori ideali di tensione?
Nel definire il verso delle tensioni, consiglierei di mettere la freccia verso il +.
Per il calcolo delle correnti, direi:
I2= V2/R1;
I = (V2+V3-V1)/R2.
valori in valore assoluto, per il senso di precorrenza vedi tu.
Poi potrei aver commesso errori, il forum è un lavoro di gruppo

0
voti
MarcoD ha scritto:Caro Luigi, 20anni? elettrotecnica1?
Si, ho da recuperare tante cose.
MarcoD ha scritto: i generatori sono generatori ideali di tensione?
Purtroppo l'esercizio non lo specifica. Tale esercizio l'ho preso da un sito internet.
MarcoD ha scritto:Per il calcolo delle correnti, direi:
I2= V2/R1;
I = (V2+V3-V1)/R2.
valori in valore assoluto, per il senso di precorrenza vedi tu.
Poi potrei aver commesso errori, il forum è un lavoro di gruppo![]()
Nella prima maglia, V2 e V3 si comportano da utilizzatori?
0
voti
Nella prima maglia, V2 e V3 si comportano da utilizzatori?
Non saprei se sono utilizzatori o generatori, dipende dalla convenzione e riferimenti corrente e tensione,
e non avrei voglia di occuparmente.

0
voti
I generatori disegnati così non si possono vedere, le tensioni sono quelle date dalle frecce o dai segni + e - ?
Scrivi le equazioni di due maglie scegliendo un verso di percorrenza a piacere.
Scrivi le equazioni di due maglie scegliendo un verso di percorrenza a piacere.

0
voti
IlGuru ha scritto:I generatori disegnati così non si possono vedere.
Nelle librerie standard non sono riuscito a trovare il simbolo del generatore.
IlGuru ha scritto:le tensioni sono quelle date dalle frecce o dai segni + e - ?
Le tensioni sono quelle indicate dal verso delle frecce nere. La freccia color arancio indica il verso di percorrenza.
IlGuru ha scritto:Scrivi le equazioni di due maglie scegliendo un verso di percorrenza a piacere.
Il fatto è che non se prendere V2 e V3 positivi oppure negativi...
Per esempio la prima maglia scriverei:

La seconda maglia:

Che poi non è nemmeno un sistema di equazioni: sono semplicemente due equazioni. C'è qualcosa che non va.
---------------------------
Aggiornamento: il simbolo del generatore l'ho trovato adesso. Non so come io abbia fatto a non vederlo prima... chiedo scusa!
0
voti
Se hai indicato la i che va nello stesso verso di quello che hai scelto come verso di percorrenza della maglia ,nella prima equazione devi scrivere +50i. +V1, -V2 e -V3 vanno bene perché entri nel generatore V1 dal polo positivo e negli altri due dal polo negativo.

Anche la seconda è sbagliata per lo stesso motivo.
I2 ed il verso di percorrenza della maglia sono concordi, quindi è

Scrivi le equazioni usando le variabili, fai i conti che semplificano le equazioni e poi sostituisci solo alla fine.
Verranno delle correnti negative, che non significa aver sbagliato a fare i conti, ma solo che vanno nel verso opposto a quello indicato dalle frecce.

Anche la seconda è sbagliata per lo stesso motivo.
I2 ed il verso di percorrenza della maglia sono concordi, quindi è

Scrivi le equazioni usando le variabili, fai i conti che semplificano le equazioni e poi sostituisci solo alla fine.
Verranno delle correnti negative, che non significa aver sbagliato a fare i conti, ma solo che vanno nel verso opposto a quello indicato dalle frecce.

0
voti
IlGuru ha scritto:Se hai indicato la i che va nello stesso verso di quello che hai scelto come verso di percorrenza della maglia ,nella prima equazione devi scrivere +50i. +V1, -V2 e -V3 vanno bene perché entri nel generatore V1 dal polo positivo e negli altri due dal polo negativo.
Mi scuso per l'ignoranza, ma la convenzione degli utilizzatori non dice che corrente e tensione hanno versi opposti? Quindi la tensione di R2 non dovrebbe essere nel verso opposto al verso di percorrenza? V2 e V3 li ho presi negativi perché li ho considerati utilizzatori (e di conseguenza credevo che anche loro, siccome la corrente andava in quel verso, allora le loro tensioni andavano nel verso opposto), in realtà allora si prendono negativi perché la corrente entra dal polo negativo?
IlGuru ha scritto:Anche la seconda è sbagliata per lo stesso motivo.
I2 ed il verso di percorrenza della maglia sono concordi, quindi è
Anche qui ho preso R1 negativo sempre per il fatto della convenzione degli utilizzatori....
IlGuru ha scritto:Scrivi le equazioni usando le variabili, fai i conti che semplificano le equazioni e poi sostituisci solo alla fine.
Comunque secondo me le equazioni non sono solo due... si dovrebbe trovare l'equazione delle correnti, però non so quale sia...
In altri circuiti più semplici è stato facile scrivere l'equazione delle correnti (per esempio in circuiti a due maglie con due generatori uno in una magia ed uno in un'altra), ma qui con tre generatori in una sola maglia, non so quale siano le correnti. Le correnti dovrebbero essere due oppure tre? Se ci sono tre generatori, dovrebbero esserci tre correnti?
-------------------------
Un'altra cosa: nel circuito che hai disegnato, come hai fatto a fare le frecce gialle?
0
voti
Luigi97 ha scritto:la convenzione degli utilizzatori non dice che corrente e tensione hanno versi opposti? Quindi la tensione di R2 non dovrebbe essere nel verso opposto al verso di percorrenza?
Infatti, i entra da sopra e va verso il basso, il polo positivo quindi è in altro ed entrando da li con la freccia scrivi +R2*I. Se vuoi indicare la tensione su R2 con una freccia andrà dal basso verso l'altro e sarà nel senso opposto rispetto alla corrente che entra dall'alto verso il basso.
Luigi97 ha scritto:Comunque secondo me le equazioni non sono solo due... si dovrebbe trovare l'equazione delle correnti, però non so quale sia...
Hai due maglie e due equazioni indipendenti, quante te ne servono? Ne puoi scrivere altre 5000 ma saranno tutte dipendenti una dall'altra.
Luigi97 ha scritto:Le correnti dovrebbero essere due oppure tre? Se ci sono tre generatori, dovrebbero esserci tre correnti?
La terza corrente non si vede ma c'è, è quella che attraversa V2 ma è poco interessante visto che in quel ramo non ci sono utilizzatori.
Se vuoi in uno dei due nodi puoi anche scrivere anche l'equazione I=I2 + I3 ma che te ne fai qui?
Luigi97 ha scritto:Un'altra cosa: nel circuito che hai disegnato, come hai fatto a fare le frecce gialle?(non per il colore, ma per la forma)
Ho usato il tracciato Bezier

9 messaggi
• Pagina 1 di 1
Torna a Elettrotecnica generale
Chi c’è in linea
Visitano il forum: Nessuno e 128 ospiti

Elettrotecnica e non solo (admin)
Un gatto tra gli elettroni (IsidoroKZ)
Esperienza e simulazioni (g.schgor)
Moleskine di un idraulico (RenzoDF)
Il Blog di ElectroYou (webmaster)
Idee microcontrollate (TardoFreak)
PICcoli grandi PICMicro (Paolino)
Il blog elettrico di carloc (carloc)
DirtEYblooog (dirtydeeds)
Di tutto... un po' (jordan20)
AK47 (lillo)
Esperienze elettroniche (marco438)
Telecomunicazioni musicali (clavicordo)
Automazione ed Elettronica (gustavo)
Direttive per la sicurezza (ErnestoCappelletti)
EYnfo dall'Alaska (mir)
Apriamo il quadro! (attilio)
H7-25 (asdf)
Passione Elettrica (massimob)
Elettroni a spasso (guidob)
Bloguerra (guerra)





