Punto Luce a LED per prese a 220 Vac
Moderatori:
carloc,
g.schgor,
BrunoValente,
IsidoroKZ
11 messaggi
• Pagina 1 di 2 • 1, 2
0
voti
Gentilissimi del Forum, mi trovo nella condizione di dover realizzare alcuni punti luce a LED, utilizzando dei vecchi contenitori dove alloggiavano delle semplici lampadine al NEON.
Cercando in internet, ho trovato il semplice circuito che posto utilizzando il sistema del bellissimo programma FidoCADj (v0.24.7):
Io ho realizzato il semplicissimo circuito suggerito, ma lo zener si brucia pressochè immediatamente ed il LED bianco ad alta luminosità si accende per una frazione di secondo appena inserito il circuito nella presa 220 Vac, ma poi rimane sempre spento (senza però mai bruciarsi).
Per dovere di cronaca è da dire che lo zener da me utilizzato è da 0.5 W (perché il rivenditoere non lo aveva da 1 W), ma non credo che sia questo che possa determinarne la bruciatura immediata, ovvero appena il circuito viene collegato alla rete 220 Vac.
Ho anche pensato che lo zener si bruci perché montato in maniera erronea, ma quest'ultimo fa la stessa identica fine anche se lo monto invertito rispetto allo schema suggerito.
Avreste cortesemente da fornirmi Vs. considerazioni al fine di realizzare un semplice circuito funzionante con lo schema suggerito sopra, oppure un altro, ma che abbia la componentistica ridotta veramente al minimo indispensabile?
Un Grazie anticipato per la Vs. cortese attenzione e considerazione.
P.S.: se li compero dai cinesi spendo di meno, ma la luminosità dei LED dopo pochissime settimane di funzionamento decade paurosamente e debbo sostituire continuamente il condensatore posto sull'alimentazione (se non addirittura il LED stesso), perché va in perdita a seguito del funzionamento continuo. Quindi vorrei realizzarli personalmente.
Inserito schema.
Devi "incollare" il sorgente fra i tag fcd.
Cercando in internet, ho trovato il semplice circuito che posto utilizzando il sistema del bellissimo programma FidoCADj (v0.24.7):
Io ho realizzato il semplicissimo circuito suggerito, ma lo zener si brucia pressochè immediatamente ed il LED bianco ad alta luminosità si accende per una frazione di secondo appena inserito il circuito nella presa 220 Vac, ma poi rimane sempre spento (senza però mai bruciarsi).
Per dovere di cronaca è da dire che lo zener da me utilizzato è da 0.5 W (perché il rivenditoere non lo aveva da 1 W), ma non credo che sia questo che possa determinarne la bruciatura immediata, ovvero appena il circuito viene collegato alla rete 220 Vac.
Ho anche pensato che lo zener si bruci perché montato in maniera erronea, ma quest'ultimo fa la stessa identica fine anche se lo monto invertito rispetto allo schema suggerito.
Avreste cortesemente da fornirmi Vs. considerazioni al fine di realizzare un semplice circuito funzionante con lo schema suggerito sopra, oppure un altro, ma che abbia la componentistica ridotta veramente al minimo indispensabile?
Un Grazie anticipato per la Vs. cortese attenzione e considerazione.
P.S.: se li compero dai cinesi spendo di meno, ma la luminosità dei LED dopo pochissime settimane di funzionamento decade paurosamente e debbo sostituire continuamente il condensatore posto sull'alimentazione (se non addirittura il LED stesso), perché va in perdita a seguito del funzionamento continuo. Quindi vorrei realizzarli personalmente.
Inserito schema.
Devi "incollare" il sorgente fra i tag fcd.
0
voti
perché complicarsi la vita con zener, condensatori & c quando si può semplicemente usare un diodo e una resistenza ?
Se non c'e' da illuminare un ambiente, dovrebbe bastare una resistenza sui 200-300 kohm.
Meno ingombrante, unico neo dissiperà qualcosa in più del circuito col condensatore
Se non c'e' da illuminare un ambiente, dovrebbe bastare una resistenza sui 200-300 kohm.
Meno ingombrante, unico neo dissiperà qualcosa in più del circuito col condensatore
0
voti
Nel circuito originale direi che la tensione di zener sia troppo bassa, andrei almeno a 6V e poi calcolerei la resistenza di conseguenza, che verra` di valore maggiore rispetto ai 10ohm dello schema. In questo modo si alimenta meglio il led, con una corrente un po' piu` costante. Inoltre in serie al condensatore sarebbe opportuno mettere una resistenza da alcune centinaia di ohm o anche di piu`, in modo da proteggere il resto del circuito dalla corrente di accensione e quella dovuta ai disturbi sulla rete.
Il circuito di
edgar e` piu` semplice, ma la resistenza, come ti e` stato detto, dissipa parecchio e se sei in un contenitore piccolo e vuoi una luce di elevata intensita`, portare via il calore diventa difficile.
Ad esempio con una R da 10kohm la corrente media viene di circa 10mA, ma la resistenza dissipa piu` di 2W. Con una R da 100kohm si scala tutto di un fattore 10: la corrente media e` di circa 1mA, ma la dissipazione scende a 0.2W. Devi solo verificare che con basse correnti la luce sia sufficiente.
Il circuito di
Ad esempio con una R da 10kohm la corrente media viene di circa 10mA, ma la resistenza dissipa piu` di 2W. Con una R da 100kohm si scala tutto di un fattore 10: la corrente media e` di circa 1mA, ma la dissipazione scende a 0.2W. Devi solo verificare che con basse correnti la luce sia sufficiente.
Per usare proficuamente un simulatore, bisogna sapere molta più elettronica di lui
Plug it in - it works better!
Il 555 sta all'elettronica come Arduino all'informatica! (entrambi loro malgrado)
Se volete risposte rispondete a tutte le mie domande
Plug it in - it works better!
Il 555 sta all'elettronica come Arduino all'informatica! (entrambi loro malgrado)
Se volete risposte rispondete a tutte le mie domande
0
voti
Per sostituire una spia al neon 100 kohm potrebbero pure essere pochi. Ho giusto usato questo circuito in un interruttore luminoso, con un led bianco e 330 kohm si vede bene anche in pieno giorno.
0
voti
Innanzi tutto GRAZIE per la Vs. cortese disponibilità e per i Vs. preziosi consigli.
Seguendo quanto da Voi esposto ho realizzato quanto di seguito:
In questo circuito, con i valori indicati sopra, sono riuscito ad ottenere una accensione perfetta del LED bianco ad alta luminosità.
Molto evidente, ma dopo circa 5 ore di funzionamento, riesco ad appoggiare le dita sulla resistenza, ma sento che si trova al limite della sensazione di bruciore (quindi presumo che abbia assunto una temperatura superficiale che oscilla tra i 50÷55 °C).
Di conseguenza il calore da essa generato non so se potrà essere smaltito all'interno del contenitore plastico del vecchio punto luce.
Ora monterò il circuitino all'interno e poi vi aggiornerò.
Successivamente ho anche realizzato il seguente altro schema:
In questo circuito, con i valori dei componenti in esso indicati, sono riuscito ad ottenere un'illuminazione del LED (di identico tipo del precedente circuito) un po' inferiore di intensità rispetto al precedente, ma in compenso non si verifica alcun aumento di temperatura della resistenza (o di alcun altro componente che costituisce questo secondo circuito).
Dal punto di vista della luminosità è preferibile il primo circuito (quello semplicissimo), ma dovrei porvi una questione:
Come posso calcolare il potenza in gioco sulla resistenza da 39 kohm?
Giusto per avere un ragguaglio sulla potenza dissipata ed in gioco.
Potreste fornirmi alcune tracce per le formule da utilizzare nel caso in questioen?
Grazie ancora per la Vs. gentilezza e competenza.
Seguendo quanto da Voi esposto ho realizzato quanto di seguito:
In questo circuito, con i valori indicati sopra, sono riuscito ad ottenere una accensione perfetta del LED bianco ad alta luminosità.
Molto evidente, ma dopo circa 5 ore di funzionamento, riesco ad appoggiare le dita sulla resistenza, ma sento che si trova al limite della sensazione di bruciore (quindi presumo che abbia assunto una temperatura superficiale che oscilla tra i 50÷55 °C).
Di conseguenza il calore da essa generato non so se potrà essere smaltito all'interno del contenitore plastico del vecchio punto luce.
Ora monterò il circuitino all'interno e poi vi aggiornerò.
Successivamente ho anche realizzato il seguente altro schema:
In questo circuito, con i valori dei componenti in esso indicati, sono riuscito ad ottenere un'illuminazione del LED (di identico tipo del precedente circuito) un po' inferiore di intensità rispetto al precedente, ma in compenso non si verifica alcun aumento di temperatura della resistenza (o di alcun altro componente che costituisce questo secondo circuito).
Dal punto di vista della luminosità è preferibile il primo circuito (quello semplicissimo), ma dovrei porvi una questione:
Come posso calcolare il potenza in gioco sulla resistenza da 39 kohm?
Giusto per avere un ragguaglio sulla potenza dissipata ed in gioco.
Potreste fornirmi alcune tracce per le formule da utilizzare nel caso in questioen?
Grazie ancora per la Vs. gentilezza e competenza.
1
voti
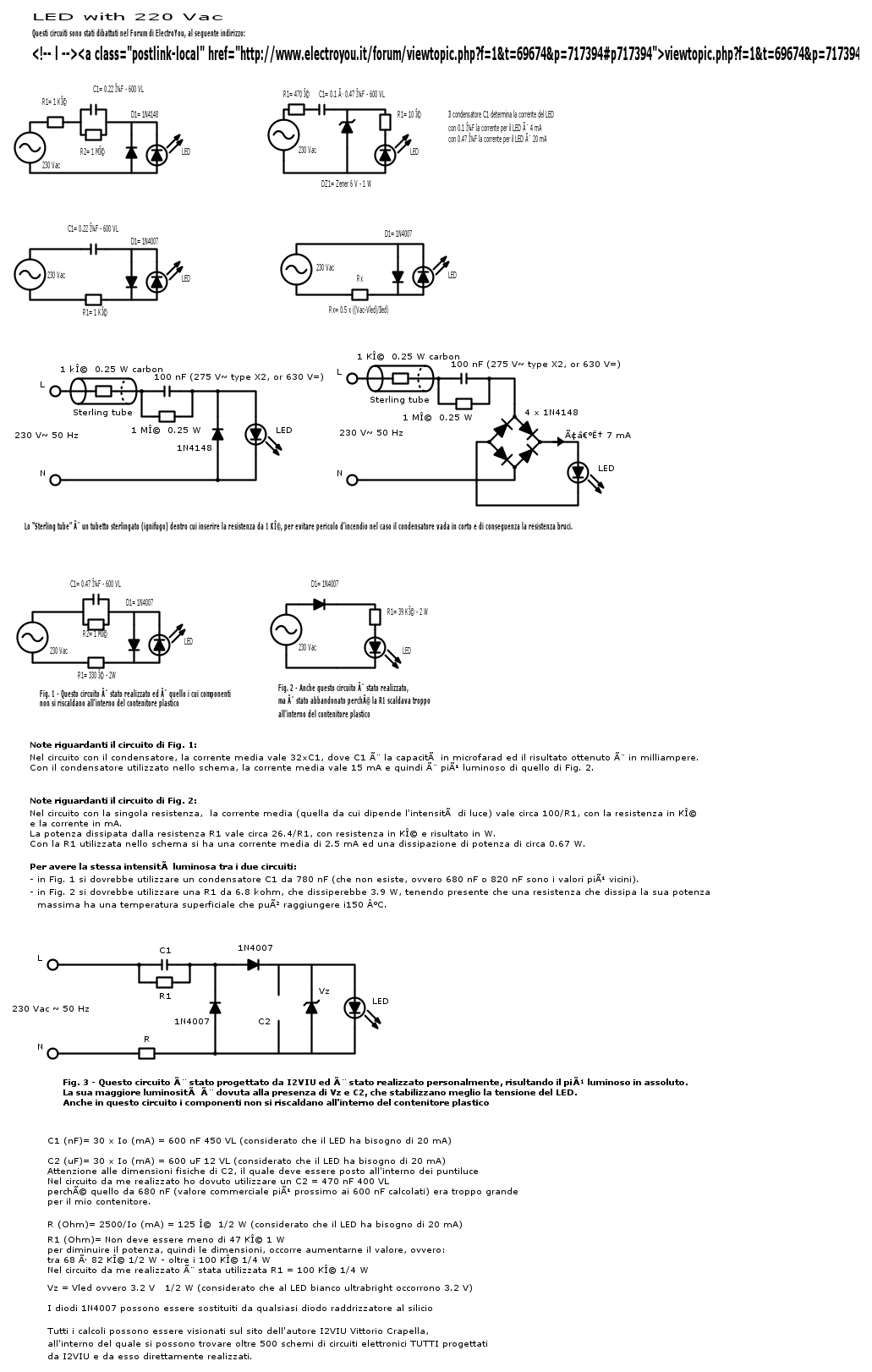
Con la singola resistenza e alimentazione a 230V la corrente media, quella da cui dipende la luce, vale circa 100/R con la resistenza in kilohom e la corrente in milliampere. La potenza dissipata dalla resistenza vale circa 26.4/R, resistenza in kiloohm, risultato in watt.
Con la resistenza che hai messo hai una corrente media di 2.5mA e una dissipazione di potenza di circa 0.67W.
Invece nel secodo circuito con il condensatore, la corrente media vale 32xC dove C e` la capacita` in microfarad e il risultato e` in milliampere. Con il condensatore che hai usato la corrente media vale 15mA, e quindi e` piu` luminoso che con la resistenza.
Per avere la stessa luminosita` dovresti usare un condensatore da 78nF (non esiste, 68nF o 82nF sono i valori piu` vicini), mentre se con la resistenza volessi avere la stessa luce, dovrebbe essere da 6.8kohm e dissiperebbe 3.9W. Tieni presente che una resistenza che dissipa la sua potenza massima ha una temperatura superficiale che puo` raggiungere i 150°C.
Oggi e` sabato, mi sento molto nuova elettronica
Con la resistenza che hai messo hai una corrente media di 2.5mA e una dissipazione di potenza di circa 0.67W.
Invece nel secodo circuito con il condensatore, la corrente media vale 32xC dove C e` la capacita` in microfarad e il risultato e` in milliampere. Con il condensatore che hai usato la corrente media vale 15mA, e quindi e` piu` luminoso che con la resistenza.
Per avere la stessa luminosita` dovresti usare un condensatore da 78nF (non esiste, 68nF o 82nF sono i valori piu` vicini), mentre se con la resistenza volessi avere la stessa luce, dovrebbe essere da 6.8kohm e dissiperebbe 3.9W. Tieni presente che una resistenza che dissipa la sua potenza massima ha una temperatura superficiale che puo` raggiungere i 150°C.
Oggi e` sabato, mi sento molto nuova elettronica
Per usare proficuamente un simulatore, bisogna sapere molta più elettronica di lui
Plug it in - it works better!
Il 555 sta all'elettronica come Arduino all'informatica! (entrambi loro malgrado)
Se volete risposte rispondete a tutte le mie domande
Plug it in - it works better!
Il 555 sta all'elettronica come Arduino all'informatica! (entrambi loro malgrado)
Se volete risposte rispondete a tutte le mie domande
0
voti
Tempo fa avevo trovato questo circuito (non è mio), lo ritengo valido e te lo ripropongo:
Questa seconda versione è una variante mia, più efficiente perché usa entrambe le semionde per accendere il LED, e di conseguenza elimina lo sfarfallamento a 50 Hz del LED e lo rende un po' più luminoso:
Lo "Sterling tube" è un tubetto sterlingato (ignifugo) dentro cui inserire la resistenza da 1 kΩ, per evitare pericolo d'incendio nel caso il condensatore vada in corto e di conseguenza la resistenza bruci e faccia una scintilla prima di interrompersi.
Questa seconda versione è una variante mia, più efficiente perché usa entrambe le semionde per accendere il LED, e di conseguenza elimina lo sfarfallamento a 50 Hz del LED e lo rende un po' più luminoso:
Lo "Sterling tube" è un tubetto sterlingato (ignifugo) dentro cui inserire la resistenza da 1 kΩ, per evitare pericolo d'incendio nel caso il condensatore vada in corto e di conseguenza la resistenza bruci e faccia una scintilla prima di interrompersi.
Big fan of ⋮ƎlectroYou! Ausili per disabili e anziani su ⋮ƎlectroYou
Caratteri utili: À È É Ì Ò Ó Ù α β γ δ ε η θ λ μ π ρ σ τ φ ω Ω º ª ² ³ √ ∛ ∜ ₀ ₁ ₂ ₃ ₄ ₅ ₆ ∃ ∄ ∆ ∈ ∉ ± ∓ ∾ ≃ ≈ ≠ ≤ ≥
Caratteri utili: À È É Ì Ò Ó Ù α β γ δ ε η θ λ μ π ρ σ τ φ ω Ω º ª ² ³ √ ∛ ∜ ₀ ₁ ₂ ₃ ₄ ₅ ₆ ∃ ∄ ∆ ∈ ∉ ± ∓ ∾ ≃ ≈ ≠ ≤ ≥
1
voti
Ringrazio veramente quanti mi hanno fornito le giuste delucidzioni tecniche.
A seguito dei Vs. consigli ho utilizzato il circuito con il condensatore, soprattutto per il fatto che non scalda minimamente all'interno del contenitore.
Ho voluto riassumere i vari circuiti in un unico file di FidoCADj, e metterlo a disposizione di questo bellissimo Forum e dei suoi frequentatori, qualora qualcun altro ne fosse interessato:
L'unico che è rimasto parzialmente incompleto è quello con lo zener, i cui componenti dovrebbero essere aggiornati tramite le formule, ma siccome non le conoscevo perfettamente, non ho potuto scrivere i valori effettivi.
Nella preview del Forum, le scritte dello schema risultano poco leggibili, ma se importate il tutto in FidoCADj vedrete che sono perfette.
Gazie ancora per il Vs. preziosissimo aiuto.
A seguito dei Vs. consigli ho utilizzato il circuito con il condensatore, soprattutto per il fatto che non scalda minimamente all'interno del contenitore.
Ho voluto riassumere i vari circuiti in un unico file di FidoCADj, e metterlo a disposizione di questo bellissimo Forum e dei suoi frequentatori, qualora qualcun altro ne fosse interessato:
L'unico che è rimasto parzialmente incompleto è quello con lo zener, i cui componenti dovrebbero essere aggiornati tramite le formule, ma siccome non le conoscevo perfettamente, non ho potuto scrivere i valori effettivi.
Nella preview del Forum, le scritte dello schema risultano poco leggibili, ma se importate il tutto in FidoCADj vedrete che sono perfette.
Gazie ancora per il Vs. preziosissimo aiuto.
0
voti
Finalmente ho ritrovato il sito internet di I2VIU ( http://www.webalice.it/crapellavittorio ) da dove ho potuto apprendere le esatte formule per il circuito con lo zener e dove ho trovato una vera miniera di schemi elettrici da lui realizzati.
Ho aggiornato il file di FidoCADj, cambiando anche alcune unità di misura che avevo sbagliate nel precedente schema e lo ripropongo per intero al Forum, al fine di farne usufruire anche ad altri eventualmente interessati:
Ringraziandovi ancora per il Vs. interessamento.
Ho aggiornato il file di FidoCADj, cambiando anche alcune unità di misura che avevo sbagliate nel precedente schema e lo ripropongo per intero al Forum, al fine di farne usufruire anche ad altri eventualmente interessati:
Ringraziandovi ancora per il Vs. interessamento.
0
voti
Nei primi due schemi mi sembra che il led sia a rovescio e nell'ultimo lo zener in parallelo al led non mi pare una buona idea.
Per usare proficuamente un simulatore, bisogna sapere molta più elettronica di lui
Plug it in - it works better!
Il 555 sta all'elettronica come Arduino all'informatica! (entrambi loro malgrado)
Se volete risposte rispondete a tutte le mie domande
Plug it in - it works better!
Il 555 sta all'elettronica come Arduino all'informatica! (entrambi loro malgrado)
Se volete risposte rispondete a tutte le mie domande
11 messaggi
• Pagina 1 di 2 • 1, 2
Chi c’è in linea
Visitano il forum: Majestic-12 [Bot] e 44 ospiti

Elettrotecnica e non solo (admin)
Un gatto tra gli elettroni (IsidoroKZ)
Esperienza e simulazioni (g.schgor)
Moleskine di un idraulico (RenzoDF)
Il Blog di ElectroYou (webmaster)
Idee microcontrollate (TardoFreak)
PICcoli grandi PICMicro (Paolino)
Il blog elettrico di carloc (carloc)
DirtEYblooog (dirtydeeds)
Di tutto... un po' (jordan20)
AK47 (lillo)
Esperienze elettroniche (marco438)
Telecomunicazioni musicali (clavicordo)
Automazione ed Elettronica (gustavo)
Direttive per la sicurezza (ErnestoCappelletti)
EYnfo dall'Alaska (mir)
Apriamo il quadro! (attilio)
H7-25 (asdf)
Passione Elettrica (massimob)
Elettroni a spasso (guidob)
Bloguerra (guerra)












