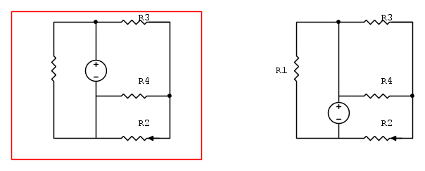
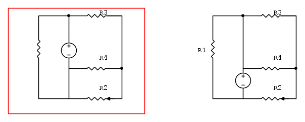
Ho usato il metodo di sovrapposizione degli effetti e questi sono i due circuiti
Nel circuito che ho evidenziato in rosso mi è sorto un dubbio.
In pratica per trovare la corrente che scorre in r2 avevo provato a mettere in parallelo i resistori
R2 ed R4 e poi tutto in serie con il resistore r3.
Poi avevo calcolato tutto come
il dubbio che mi è sorto è che in questo modo vado a calcolare la corrente che scorre nella resistenza equivalente e non su R2. Parlando in generale, per quanto riguarda l'analisi nodale secondo voi è sbagliato applicarla alla sovrapposizione degli effetti? ( nel caso decidessi di non applicarla al circuito originale)
Cioè se per esempio per tutti e due i circuiti usavo l'analisi nodale, ricavavo la corrente i2 e poi sovrappongo gli effetti si potrebbe fare?

Elettrotecnica e non solo (admin)
Un gatto tra gli elettroni (IsidoroKZ)
Esperienza e simulazioni (g.schgor)
Moleskine di un idraulico (RenzoDF)
Il Blog di ElectroYou (webmaster)
Idee microcontrollate (TardoFreak)
PICcoli grandi PICMicro (Paolino)
Il blog elettrico di carloc (carloc)
DirtEYblooog (dirtydeeds)
Di tutto... un po' (jordan20)
AK47 (lillo)
Esperienze elettroniche (marco438)
Telecomunicazioni musicali (clavicordo)
Automazione ed Elettronica (gustavo)
Direttive per la sicurezza (ErnestoCappelletti)
EYnfo dall'Alaska (mir)
Apriamo il quadro! (attilio)
H7-25 (asdf)
Passione Elettrica (massimob)
Elettroni a spasso (guidob)
Bloguerra (guerra)



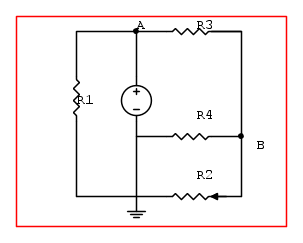
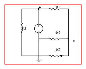
. Quindi
ti da la tensione del nodo fra
assumendo di mettere il terminale negativo del generatore a 0. E da quello calcolare la corrente che passa su
è immediato.









è in serie a