Cos'è ElectroYou | Login Iscriviti

ElectroYou - la comunità dei professionisti del mondo elettrico

Modulatore di fase

Elettronica lineare e digitale: didattica ed applicazioni

Moderatori: Foto Utentecarloc, Foto Utenteg.schgor, Foto UtenteBrunoValente, Foto UtenteIsidoroKZ

0
voti

[1] Modulatore di fase

Messaggioda Foto UtenteIanero » 24 giu 2017, 20:47



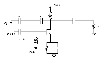
Questo dovrebbe essere un modulatore di fase.
Come risolverei io questo circuito (suppongo che C_G non si cortocircuiti, altrimenti la dipendenza da v_p scompare):

Analisi rimossa, quella corretta è al messaggio successivo.

Non vedo come m(t) possa modulare la fase della portante.

Qualche idea?
:shock:
Avatar utente
Foto UtenteIanero
8.069 5 8 13
Master EY
Master EY
 
Messaggi: 4320
Iscritto il: 21 mar 2012, 15:47

0
voti

[2] Re: Modulatore di fase

Messaggioda Foto UtenteIanero » 27 giu 2017, 20:51

Ho trovato lo svolgimento dell'analisi ma ci sono un paio di punti decisamente oscuri (Marietti -Elettronica dei sistemi a piccola banda frazionale- pag 228).

L'idea è quella di modulare la g_m del JFET con m(t) ed analizzare col modello di piccolo segnale solo la portante v_p(t).

g_m (m(t))=-\frac{2I_{DSS}}{V_p}(1-\frac{m(t)-V_{GS}}{V_p})

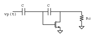
Il circuito di piccolo segnale il testo dice essere questo qui:



come se il condensatore che accoppia m(t) fosse tale da cortocircuitarsi a frequenze audio e di aprirsi a frequenze radio, cosa assurda.

L'analisi di questo circuito porta a questa funzione di trasferimento:

\frac{v_{out}\left( \omega  \right)}{v_{p}\left( \omega  \right)}=\frac{1-\frac{g_{m}}{j\omega {C}}}{1+\frac{g_{m}}{j\omega {C}}}

E anche il libro è d'accordo.
A questo punto io la fase la calcolo così:

\Phi =\arctan \left( -\frac{\omega {C}}{g_{m}} \right)-\arctan \left( \frac{\omega {C}}{g_{m}} \right)=-2\arctan \left( \frac{\omega {C}}{g_{m}} \right)

quella proposta dal libro è.

\Phi =2\arctan \left( \frac{g_{m}}{\omega {C}} \right)

non riesco veramente a vedere come sia possibile.

Qualcuno ci vede meglio?

Grazie in anticipo.
:shock:
Avatar utente
Foto UtenteIanero
8.069 5 8 13
Master EY
Master EY
 
Messaggi: 4320
Iscritto il: 21 mar 2012, 15:47

2
voti

[3] Re: Modulatore di fase

Messaggioda Foto UtenteMarkyMark » 27 giu 2017, 22:15

Io direi \Phi = \angle num - \angle den
\angle num = \arctan(\frac{g_m}{\omega C})

\angle den = \arctan(-\frac{g_m}{\omega C})

Ho portato le j a numeratore :)
mark
Avatar utente
Foto UtenteMarkyMark
3.422 2 5 6
Master EY
Master EY
 
Messaggi: 518
Iscritto il: 11 giu 2016, 12:01

0
voti

[4] Re: Modulatore di fase

Messaggioda Foto Utentegotthard » 27 giu 2017, 22:17

Concordo con Foto UtenteMarkyMark :ok:

Le j devono stare "sopra".
...\frac{\mathrm{d} p}{\mathrm{d} t}=JCM... :!:
Avatar utente
Foto Utentegotthard
4.611 2 5 9
Expert EY
Expert EY
 
Messaggi: 1357
Iscritto il: 5 lug 2013, 14:01

0
voti

[5] Re: Modulatore di fase

Messaggioda Foto UtenteIanero » 27 giu 2017, 22:29

Scusate ma la fase non è:

\Phi =\arctan \left( \frac{\mbox{Im}}{\mbox{Re}} \right)

o mi sono rimbambito del tutto?
:shock:
Avatar utente
Foto UtenteIanero
8.069 5 8 13
Master EY
Master EY
 
Messaggi: 4320
Iscritto il: 21 mar 2012, 15:47

0
voti

[6] Re: Modulatore di fase

Messaggioda Foto UtenteMarkyMark » 27 giu 2017, 22:37

Se anche tu stai guardando la partita allora ti capisco :(

Il numeratore si può riscrivere
num=1+j \frac{g_m}{\omega C}
e applicando la formula con l'arctan...
mark
Avatar utente
Foto UtenteMarkyMark
3.422 2 5 6
Master EY
Master EY
 
Messaggi: 518
Iscritto il: 11 giu 2016, 12:01

1
voti

[7] Re: Modulatore di fase

Messaggioda Foto Utentegotthard » 27 giu 2017, 22:39

La funzione di trasferimento la si può riscrivere così:

\frac{v_{out}\left( \omega  \right)}{v_{p}\left( \omega  \right)}=\frac{1-\frac{g_{m}}{j\omega {C}}}{1+\frac{g_{m}}{j\omega {C}}}=\frac{1+j \frac{g_{m}}{\omega {C}}}{1-j \frac{g_{m}}{\omega {C}}}

Allora la fase è:

\Phi=\arctan \left(\frac{g_m}{\omega C}\right)-\arctan \left(-\frac{g_m}{\omega C}\right)

E visto che l'arcotangente è una funzione dispari (-arctg(-x)=arctg(x)), allora:

\Phi=2\arctan \left(\frac{g_m}{\omega C}\right)
...\frac{\mathrm{d} p}{\mathrm{d} t}=JCM... :!:
Avatar utente
Foto Utentegotthard
4.611 2 5 9
Expert EY
Expert EY
 
Messaggi: 1357
Iscritto il: 5 lug 2013, 14:01

0
voti

[8] Re: Modulatore di fase

Messaggioda Foto UtenteIanero » 27 giu 2017, 22:47

Ma anche così però:

\frac{j\omega {C}-g_{m}}{j\omega {C}+g_{m}}
:shock:
Avatar utente
Foto UtenteIanero
8.069 5 8 13
Master EY
Master EY
 
Messaggi: 4320
Iscritto il: 21 mar 2012, 15:47

0
voti

[9] Re: Modulatore di fase

Messaggioda Foto UtenteMarkyMark » 27 giu 2017, 23:00

Sì, hai ragione :ok:
E' solo che il tuo numeratore ha la parte reale negativa e quindi credo ci sia un pi greco da sommare da qulche parte.
mark
Avatar utente
Foto UtenteMarkyMark
3.422 2 5 6
Master EY
Master EY
 
Messaggi: 518
Iscritto il: 11 giu 2016, 12:01

0
voti

[10] Re: Modulatore di fase

Messaggioda Foto Utentegotthard » 27 giu 2017, 23:18

\frac{j\omega {C}-g_{m}}{j\omega {C}+g_{m}}=-\frac{g_m}{g_m}\frac{1-j \frac{\omega {C}}{g_m}}{1+j \frac{\omega {C}}{g_m}}=-\frac{1-j \frac{\omega {C}}{g_m}}{1+j \frac{\omega {C}}{g_m}}

Allora la fase è:

\Phi=\pi+\arctan \left(-\frac{\omega C}{g_m}\right)-\arctan \left(\frac{\omega C}{g_m}\right)

E visto che l'arcotangente è una funzione dispari (-arctg(-x)=arctg(x)), allora:

\Phi=\pi-2\arctan \left(\frac{\omega C}{g_m}\right)

E siccome \arctan(x)+\arctan \left(\frac{1}{x}\right)=\frac{\pi}{2}:

\Phi=2\arctan \left(\frac{g_m}{\omega C}\right)
...\frac{\mathrm{d} p}{\mathrm{d} t}=JCM... :!:
Avatar utente
Foto Utentegotthard
4.611 2 5 9
Expert EY
Expert EY
 
Messaggi: 1357
Iscritto il: 5 lug 2013, 14:01

Prossimo

Torna a Elettronica generale

Chi c’è in linea

Visitano il forum: Nessuno e 34 ospiti