Salve!
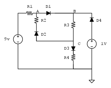
Come risolvereste il circuito di figura:
Sapendo che tutte le resistenze valgono 1k e i diodi sono ideali?
Qual è la loro zona di funzionamento e il valore della tensione ai capi di ogni diodo e delle correnti che li attraversano?
[Ho risolto il circuito ma ho alcuni dubbi sul caso ideale e vorrei confrontarli con qualcuno]
Grazie!
Circuito con diodi ideali
Moderatori:
carloc,
g.schgor,
BrunoValente,
IsidoroKZ
12 messaggi
• Pagina 1 di 2 • 1, 2
0
voti
Inizia ad inserire la tua soluzione e la verifichiamo.
Nel caso ideale i diodi sono cortocircuiti quando sono polarizzati direttamente e circuiti aperti nel caso inverso. Non hai nessuna soglia da rispettare.
Se hai dei dubbi puoi leggere questa discussione
Nel caso ideale i diodi sono cortocircuiti quando sono polarizzati direttamente e circuiti aperti nel caso inverso. Non hai nessuna soglia da rispettare.
Se hai dei dubbi puoi leggere questa discussione
Il Conte di Montecristo
Se non studio un giorno, me ne accorgo io. Se non studio due giorni, se ne accorge il pubblico.
Io devo studiare sodo e preparare me stesso perché prima o poi verrà il mio momento.
Abraham Lincoln
Se non studio un giorno, me ne accorgo io. Se non studio due giorni, se ne accorge il pubblico.
Io devo studiare sodo e preparare me stesso perché prima o poi verrà il mio momento.
Abraham Lincoln
-

EdmondDantes
11,9k 8 11 13 - Disattivato su sua richiesta
- Messaggi: 3619
- Iscritto il: 25 lug 2009, 22:18
- Località: Marsiglia
0
voti
Io ho ipotizzato:
D1 ON
D2 OFF
D3 ON
D4 ON
Per cui, R1 si trova tra 9V e 1V, mentre la serie R3+R4 invece ha come ddp 1V imposta dal generatore nel ramo più a destra.
Il diodo D2 in realtà è al limite, ai suoi capi non c'è ddp, potrebbe essere sia ON che OFF, ma ipotizzando che non vi scorra corrente in ogni caso, l'ho posto a OFF.
D4 non mi convince. Se fosse staccato il potenziale al catodo sarebbe di circa 3V (per le tre resistenze in serie). Ma è anche vero che l'ipotesi regge: trovo correnti con verso concorde, quindi è ON.
Che ne pensate?
0
voti
Hai dato una lettura alla discussione da me condivisa?
Il Conte di Montecristo
Se non studio un giorno, me ne accorgo io. Se non studio due giorni, se ne accorge il pubblico.
Io devo studiare sodo e preparare me stesso perché prima o poi verrà il mio momento.
Abraham Lincoln
Se non studio un giorno, me ne accorgo io. Se non studio due giorni, se ne accorge il pubblico.
Io devo studiare sodo e preparare me stesso perché prima o poi verrà il mio momento.
Abraham Lincoln
-

EdmondDantes
11,9k 8 11 13 - Disattivato su sua richiesta
- Messaggi: 3619
- Iscritto il: 25 lug 2009, 22:18
- Località: Marsiglia
0
voti
Devo ripostare il circuito perché non mi permette più di modificare il messaggio iniziale.
Ho inserito le informazioni richieste e
Come mai avrei dovuto ipotizzare D4 off?
[EDIT] L'ipotesi su D2 è corretta? Potrebbe essere sia ON che OFF nel caso ideale?
0
voti
Tutti i diodi (meno D3 sempre in conduzione) possono essere in conduzione o interdetti in funzione dei valori di tensione dei generatori E1 e E2.
Un diodo in conduzione è come un interruttore chiuso, interdetto come un interruttore aperto.
Per la soluzione, ipotizza che D4 sia interdetto (aperto)e calcola i valori di VA, VB, VC e poi ragiona sui risultati.
Il termine "pompato" non è usato dai professionisti, si dice in "conduzione"

Un diodo in conduzione è come un interruttore chiuso, interdetto come un interruttore aperto.
Per la soluzione, ipotizza che D4 sia interdetto (aperto)e calcola i valori di VA, VB, VC e poi ragiona sui risultati.
Il termine "pompato" non è usato dai professionisti, si dice in "conduzione"

0
voti
Beh, ipotizzando D4 off, resta il ramo con le 3 resistenze in serie su cui si scaricano i 9V del generatore a sn. Su ogni resistenza c'è una caduta di 3V, il che porta ad avere 6V sul catodo di D4 e a confermare l'interdizione.
Ma mi chiedo: partendo dalle ipotesi sbagliate (D4 on) come faccio a confutare la mia tesi iniziale? Arrivo comunque a dei valori coerenti con le ipotesi, quindi come mi accorgo dell'errore?
Ma mi chiedo: partendo dalle ipotesi sbagliate (D4 on) come faccio a confutare la mia tesi iniziale? Arrivo comunque a dei valori coerenti con le ipotesi, quindi come mi accorgo dell'errore?
2
voti
Io l'ho risolto così:
Va <= Vb.
Se Va < Vb, non c'è corrente in uscita dal generatore a 9 V e non essendoci alcun generatore a tensione più alta nel circuito, Va = 9 V. Questo implica Vb > 9 V e questo è impossibile, quindi Va = Vb.
L'estremo superiore di R3 può solo ricevere corrente, l'estremo inferiore può solo averla in uscita,
quindi Vc <= Vb.
Dato che Vc <= Vb = Va, allora D2 e R2 sono esclusi dal circuito.
La corrente del generatore a 9 V scorre allora su R1, R3, R4. Dato che Vb >= 2/3 * 9 V = 6 V, D4 e il generatore da 1 V sono esclusi dal circuito e l'unica corrente è quella fornita dal generatore a 9 V.
La tensione a 9 V si suddivide in parti uguali su R1, R3 e R4.
L'unica soluzione della rete è quindi:
Va = 6 V
Vb = 6 V
Vc = 3 V
D1 = conduzione
D2 = interdetto
D3 = conduzione
D4 = interdetto
IR1 = IR3 = IR4 = ID1 = ID3 = IG(9V) = 2 mA
IR2 = ID2 = ID4 = IG(1V) = 0
Questo è un bel problema di elettrotecnica che si può risolvere solo con la logica, senza ricorrere alla soluzione analitica.
Va <= Vb.
Se Va < Vb, non c'è corrente in uscita dal generatore a 9 V e non essendoci alcun generatore a tensione più alta nel circuito, Va = 9 V. Questo implica Vb > 9 V e questo è impossibile, quindi Va = Vb.
L'estremo superiore di R3 può solo ricevere corrente, l'estremo inferiore può solo averla in uscita,
quindi Vc <= Vb.
Dato che Vc <= Vb = Va, allora D2 e R2 sono esclusi dal circuito.
La corrente del generatore a 9 V scorre allora su R1, R3, R4. Dato che Vb >= 2/3 * 9 V = 6 V, D4 e il generatore da 1 V sono esclusi dal circuito e l'unica corrente è quella fornita dal generatore a 9 V.
La tensione a 9 V si suddivide in parti uguali su R1, R3 e R4.
L'unica soluzione della rete è quindi:
Va = 6 V
Vb = 6 V
Vc = 3 V
D1 = conduzione
D2 = interdetto
D3 = conduzione
D4 = interdetto
IR1 = IR3 = IR4 = ID1 = ID3 = IG(9V) = 2 mA
IR2 = ID2 = ID4 = IG(1V) = 0
Questo è un bel problema di elettrotecnica che si può risolvere solo con la logica, senza ricorrere alla soluzione analitica.
12 messaggi
• Pagina 1 di 2 • 1, 2
Chi c’è in linea
Visitano il forum: Nessuno e 266 ospiti

Elettrotecnica e non solo (admin)
Un gatto tra gli elettroni (IsidoroKZ)
Esperienza e simulazioni (g.schgor)
Moleskine di un idraulico (RenzoDF)
Il Blog di ElectroYou (webmaster)
Idee microcontrollate (TardoFreak)
PICcoli grandi PICMicro (Paolino)
Il blog elettrico di carloc (carloc)
DirtEYblooog (dirtydeeds)
Di tutto... un po' (jordan20)
AK47 (lillo)
Esperienze elettroniche (marco438)
Telecomunicazioni musicali (clavicordo)
Automazione ed Elettronica (gustavo)
Direttive per la sicurezza (ErnestoCappelletti)
EYnfo dall'Alaska (mir)
Apriamo il quadro! (attilio)
H7-25 (asdf)
Passione Elettrica (massimob)
Elettroni a spasso (guidob)
Bloguerra (guerra)





