Somma e differenza di tensioni
Moderatori:
carloc,
g.schgor,
BrunoValente,
IsidoroKZ
11 messaggi
• Pagina 1 di 2 • 1, 2
0
voti
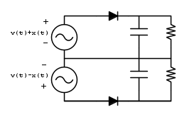
Devo realizzare questo:
dove x(t) è v(t) sfasato di pi/2.
avendo a disposizione solo il generatore di v(t), come posso giocare per realizzare quelle somme e differenze di sopra?
A me è venuto in mente questo per la parte superiore:
dove le due capacità extra sono di accordo perché ho bisogno di una rete risonante.
Ma da qui non riesco a sistemare la parte di sotto.
Idee?
dove x(t) è v(t) sfasato di pi/2.
avendo a disposizione solo il generatore di v(t), come posso giocare per realizzare quelle somme e differenze di sopra?
A me è venuto in mente questo per la parte superiore:
dove le due capacità extra sono di accordo perché ho bisogno di una rete risonante.
Ma da qui non riesco a sistemare la parte di sotto.
Idee?
0
voti
E' un'esigenza un po' strana... Non è che devi ottenere una tensione positiva e una negativa?... Che cosa devi fare?
2
voti
Dopo calcoli e calcoli al vento, credo di essere arrivato a una bella dimostrazione.
Posto la soluzione dell'intero demodulatore per chi è interessato (Sì,
MarcoD, volevo un tuo parere).
Cominciamo da qui: per demodulare un segnale FM, o uso un PLL e spero che la risposta del filtro passa basso sia circa costante alle frequenze coinvolte dal messaggio modulante, oppure devo usare uno stratagemma più astuto.
Tale stratagemma si concretizza nel cercare di derivare il segnale in modo che il problema si sposti da una demodulazione FM a una AM.
Ecco perché:


A questo punto basterebbe utilizzare un demodulatore di inviluppo per la classica AM e ottenere:

Un derivatore ideale non è sintetizzabile elettronicamente, allora mi invento questo:

Se ritardo di pochissimo ho una derivata sempre più fedele, ma l'ampiezza del segnale diventerebbe troppo bassa, al contrario con un ritardo troppo alto avrei una derivata pessima pur non soffrendo di problemi rivelazione del segnale.
Al solito, compromesso.
Come faccio un ritardatore?
La funzione di trasferimento di quello ideale sarebbe:

Se prendo una rete risonante posso approssimare questo comportamento intorno alla sua frequenza di risonanza, tanto meglio quanto il Q è basso:
Posso quindi approssimare intorno alla frequenza di risonanza (che sceglierò pari a
) la funzione di trasferimento come:

Per il corretto funzionamento del demodulatore però è necessario anche un ulteriore sfasamento (si vede tra poco con la matematica) che sarà introdotto da una rete sfasatrice opportuna.

Utilizzando come ritardatore la rete appena fatta si avrà:

ovvero:

Lo sfasamento istantaneo tra l'ingresso e questo segnale è pari a:


Questo termine in particolare:

posso approssimarlo in modo utile notando che:

una forma più leggibile si ottiene se si pone
in modo da avere:

che è una correlazione tra il messaggio e la funzione rettangolo, calcolata in
.
Per vedere come approssimarla trasformo secondo Fourier rispetto ad
:


tornando nel dominio di
:

e quindi ottenere come sfasamento approssimato tra
e
:

Dopo il sommatore avrò allora:

![v_{2}\left( t \right)=v_{p_{0}}\left[ \cos \left( \omega _{p}t+k_{\phi }\int_{-\infty }^{t}{m\left( t' \right)dt'} \right)-\cos \left( \omega _{p}t+k_{\phi }\int_{-\infty }^{t}{m\left( t' \right)dt'}-\Phi \left( t \right) \right) \right] v_{2}\left( t \right)=v_{p_{0}}\left[ \cos \left( \omega _{p}t+k_{\phi }\int_{-\infty }^{t}{m\left( t' \right)dt'} \right)-\cos \left( \omega _{p}t+k_{\phi }\int_{-\infty }^{t}{m\left( t' \right)dt'}-\Phi \left( t \right) \right) \right]](/forum/latexrender/pictures/b09f68e335f6845c480773a934788380.png)

Dopo il demodulatore di inviluppo otterrò il seguente segnale:


Sviluppando il seno:
![v_{2}\left( t \right)=2v_{p_{0}}\left[ \sin \left( \frac{k_{\phi }\tau }{2}m\left( t-\frac{\tau }{2} \right) \right)\cos \left( \frac{\theta }{2} \right)-\cos \left( \frac{k_{\phi }\tau }{2}m\left( t-\frac{\tau }{2} \right) \right)\sin \left( \frac{\theta }{2} \right) \right] v_{2}\left( t \right)=2v_{p_{0}}\left[ \sin \left( \frac{k_{\phi }\tau }{2}m\left( t-\frac{\tau }{2} \right) \right)\cos \left( \frac{\theta }{2} \right)-\cos \left( \frac{k_{\phi }\tau }{2}m\left( t-\frac{\tau }{2} \right) \right)\sin \left( \frac{\theta }{2} \right) \right]](/forum/latexrender/pictures/190ee3358c95a5da77fc3c5266a31259.png)
Se in questa espressione vale l'approssimazione:

allora:
![v_{2}\left( t \right) \approx 2v_{p_{0}}\left[ \frac{k_{\phi }\tau }{2}m\left( t-\frac{\tau }{2} \right)\cos \left( \frac{\theta }{2} \right)-\sin \left( \frac{\theta }{2} \right) \right] v_{2}\left( t \right) \approx 2v_{p_{0}}\left[ \frac{k_{\phi }\tau }{2}m\left( t-\frac{\tau }{2} \right)\cos \left( \frac{\theta }{2} \right)-\sin \left( \frac{\theta }{2} \right) \right]](/forum/latexrender/pictures/8a91865def6d1e668a4ec9a8d54ab77f.png)
Da qui si vede il motivo della necessità di
: se non ci fosse (
) si avrebbe un segnale sovramodulato AM che un demodulatore di inviluppo semplice non riuscirebbe a demodulare.
Scegliendo invece
si arriva a (il demodulatore di inviluppo tira fuori sempre un segnale positivo -ovvero fa il modulo- purché non ci sia sovramodulazione AM):
![v_{2}\left( t \right)=\sqrt{2}v_{p_{0}}\left[ 1-\frac{k_{\phi }\tau }{2}m\left( t-\frac{\tau }{2} \right) \right] v_{2}\left( t \right)=\sqrt{2}v_{p_{0}}\left[ 1-\frac{k_{\phi }\tau }{2}m\left( t-\frac{\tau }{2} \right) \right]](/forum/latexrender/pictures/a956871e4b75c2eef9d0e57d5a9fc3ca.png)
che invece va bene per un demodulatore di inviluppo purché
.
Se avessi usato
avrei ottenuto:
![v_{2}\left( t \right)=\sqrt{2}v_{p_{0}}\left[ 1+\frac{k_{\phi }\tau }{2}m\left( t-\frac{\tau }{2} \right) \right] v_{2}\left( t \right)=\sqrt{2}v_{p_{0}}\left[ 1+\frac{k_{\phi }\tau }{2}m\left( t-\frac{\tau }{2} \right) \right]](/forum/latexrender/pictures/175679c91a73ebe484d38183c64f0a2e.png)
Ora, se l'ingresso fosse non rumoroso avremmo finito.
In caso di presenza di rumore si avrebbe:
![v_{2}\left( t \right)=\sqrt{2}\left( v_{p_{0}}+n\left( t \right) \right)\left[ 1-\frac{k_{\phi }\tau }{2}m\left( t-\frac{\tau }{2} \right) \right] v_{2}\left( t \right)=\sqrt{2}\left( v_{p_{0}}+n\left( t \right) \right)\left[ 1-\frac{k_{\phi }\tau }{2}m\left( t-\frac{\tau }{2} \right) \right]](/forum/latexrender/pictures/ceb0059f67775865c4045e53fd3dade4.png)
La presenza di
potrebbe creare armoniche in banda difficilmente filtrabili.
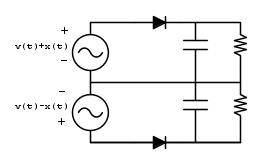
Si può tuttavia ridurre il suo effetto utilizzando uno schema bilanciato copiando dualmente quello iniziale ed aggiungendolo in parallelo:
che fornisce in uscita:

dove ora il rumore viene scalato secondo l'andamento del messaggio, e il suo contributo quindi è meno influente.
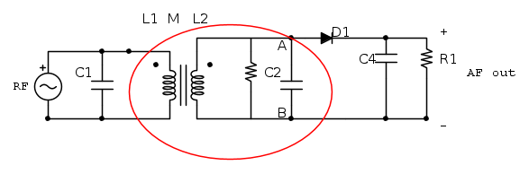
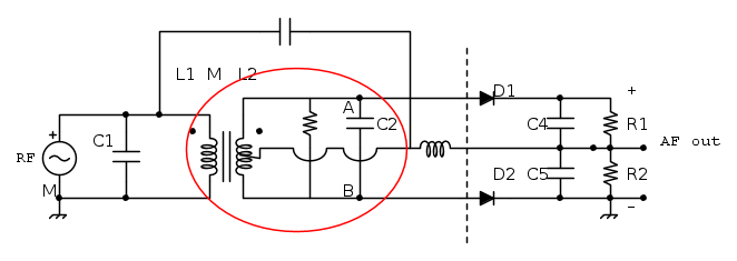
Non resta che tramutare in circuito elettronico lo schema a blocchi ultimo realizzando quello che volevo fare in [1]:
Eccolo qui: il demodulatore FM di Foster-Seeley.
Per l'analisi fatta funziona bene solo quando:

dove con
ho indicato la banda del messaggio modulante.
Posto la soluzione dell'intero demodulatore per chi è interessato (Sì,
Cominciamo da qui: per demodulare un segnale FM, o uso un PLL e spero che la risposta del filtro passa basso sia circa costante alle frequenze coinvolte dal messaggio modulante, oppure devo usare uno stratagemma più astuto.
Tale stratagemma si concretizza nel cercare di derivare il segnale in modo che il problema si sposti da una demodulazione FM a una AM.
Ecco perché:


A questo punto basterebbe utilizzare un demodulatore di inviluppo per la classica AM e ottenere:

Un derivatore ideale non è sintetizzabile elettronicamente, allora mi invento questo:

Se ritardo di pochissimo ho una derivata sempre più fedele, ma l'ampiezza del segnale diventerebbe troppo bassa, al contrario con un ritardo troppo alto avrei una derivata pessima pur non soffrendo di problemi rivelazione del segnale.
Al solito, compromesso.
Come faccio un ritardatore?
La funzione di trasferimento di quello ideale sarebbe:

Se prendo una rete risonante posso approssimare questo comportamento intorno alla sua frequenza di risonanza, tanto meglio quanto il Q è basso:
Posso quindi approssimare intorno alla frequenza di risonanza (che sceglierò pari a
) la funzione di trasferimento come:
Per il corretto funzionamento del demodulatore però è necessario anche un ulteriore sfasamento (si vede tra poco con la matematica) che sarà introdotto da una rete sfasatrice opportuna.

Utilizzando come ritardatore la rete appena fatta si avrà:

ovvero:

Lo sfasamento istantaneo tra l'ingresso e questo segnale è pari a:


Questo termine in particolare:

posso approssimarlo in modo utile notando che:

una forma più leggibile si ottiene se si pone
in modo da avere:
che è una correlazione tra il messaggio e la funzione rettangolo, calcolata in
.Per vedere come approssimarla trasformo secondo Fourier rispetto ad
:

tornando nel dominio di
:
e quindi ottenere come sfasamento approssimato tra
e
:
Dopo il sommatore avrò allora:

![v_{2}\left( t \right)=v_{p_{0}}\left[ \cos \left( \omega _{p}t+k_{\phi }\int_{-\infty }^{t}{m\left( t' \right)dt'} \right)-\cos \left( \omega _{p}t+k_{\phi }\int_{-\infty }^{t}{m\left( t' \right)dt'}-\Phi \left( t \right) \right) \right] v_{2}\left( t \right)=v_{p_{0}}\left[ \cos \left( \omega _{p}t+k_{\phi }\int_{-\infty }^{t}{m\left( t' \right)dt'} \right)-\cos \left( \omega _{p}t+k_{\phi }\int_{-\infty }^{t}{m\left( t' \right)dt'}-\Phi \left( t \right) \right) \right]](/forum/latexrender/pictures/b09f68e335f6845c480773a934788380.png)

Dopo il demodulatore di inviluppo otterrò il seguente segnale:


Sviluppando il seno:
![v_{2}\left( t \right)=2v_{p_{0}}\left[ \sin \left( \frac{k_{\phi }\tau }{2}m\left( t-\frac{\tau }{2} \right) \right)\cos \left( \frac{\theta }{2} \right)-\cos \left( \frac{k_{\phi }\tau }{2}m\left( t-\frac{\tau }{2} \right) \right)\sin \left( \frac{\theta }{2} \right) \right] v_{2}\left( t \right)=2v_{p_{0}}\left[ \sin \left( \frac{k_{\phi }\tau }{2}m\left( t-\frac{\tau }{2} \right) \right)\cos \left( \frac{\theta }{2} \right)-\cos \left( \frac{k_{\phi }\tau }{2}m\left( t-\frac{\tau }{2} \right) \right)\sin \left( \frac{\theta }{2} \right) \right]](/forum/latexrender/pictures/190ee3358c95a5da77fc3c5266a31259.png)
Se in questa espressione vale l'approssimazione:

allora:
![v_{2}\left( t \right) \approx 2v_{p_{0}}\left[ \frac{k_{\phi }\tau }{2}m\left( t-\frac{\tau }{2} \right)\cos \left( \frac{\theta }{2} \right)-\sin \left( \frac{\theta }{2} \right) \right] v_{2}\left( t \right) \approx 2v_{p_{0}}\left[ \frac{k_{\phi }\tau }{2}m\left( t-\frac{\tau }{2} \right)\cos \left( \frac{\theta }{2} \right)-\sin \left( \frac{\theta }{2} \right) \right]](/forum/latexrender/pictures/8a91865def6d1e668a4ec9a8d54ab77f.png)
Da qui si vede il motivo della necessità di
: se non ci fosse (
) si avrebbe un segnale sovramodulato AM che un demodulatore di inviluppo semplice non riuscirebbe a demodulare.Scegliendo invece
si arriva a (il demodulatore di inviluppo tira fuori sempre un segnale positivo -ovvero fa il modulo- purché non ci sia sovramodulazione AM):![v_{2}\left( t \right)=\sqrt{2}v_{p_{0}}\left[ 1-\frac{k_{\phi }\tau }{2}m\left( t-\frac{\tau }{2} \right) \right] v_{2}\left( t \right)=\sqrt{2}v_{p_{0}}\left[ 1-\frac{k_{\phi }\tau }{2}m\left( t-\frac{\tau }{2} \right) \right]](/forum/latexrender/pictures/a956871e4b75c2eef9d0e57d5a9fc3ca.png)
che invece va bene per un demodulatore di inviluppo purché
.Se avessi usato
avrei ottenuto:![v_{2}\left( t \right)=\sqrt{2}v_{p_{0}}\left[ 1+\frac{k_{\phi }\tau }{2}m\left( t-\frac{\tau }{2} \right) \right] v_{2}\left( t \right)=\sqrt{2}v_{p_{0}}\left[ 1+\frac{k_{\phi }\tau }{2}m\left( t-\frac{\tau }{2} \right) \right]](/forum/latexrender/pictures/175679c91a73ebe484d38183c64f0a2e.png)
Ora, se l'ingresso fosse non rumoroso avremmo finito.
In caso di presenza di rumore si avrebbe:
![v_{2}\left( t \right)=\sqrt{2}\left( v_{p_{0}}+n\left( t \right) \right)\left[ 1-\frac{k_{\phi }\tau }{2}m\left( t-\frac{\tau }{2} \right) \right] v_{2}\left( t \right)=\sqrt{2}\left( v_{p_{0}}+n\left( t \right) \right)\left[ 1-\frac{k_{\phi }\tau }{2}m\left( t-\frac{\tau }{2} \right) \right]](/forum/latexrender/pictures/ceb0059f67775865c4045e53fd3dade4.png)
La presenza di
potrebbe creare armoniche in banda difficilmente filtrabili.Si può tuttavia ridurre il suo effetto utilizzando uno schema bilanciato copiando dualmente quello iniziale ed aggiungendolo in parallelo:
che fornisce in uscita:

dove ora il rumore viene scalato secondo l'andamento del messaggio, e il suo contributo quindi è meno influente.
Non resta che tramutare in circuito elettronico lo schema a blocchi ultimo realizzando quello che volevo fare in [1]:
Eccolo qui: il demodulatore FM di Foster-Seeley.
Per l'analisi fatta funziona bene solo quando:

dove con
ho indicato la banda del messaggio modulante.3
voti
Complimenti per gli sviluppi matematici di teoria delle comunicazioni elettriche.
(Sbiaditi ricordi del libro del CLUT di Castellani, Pent, Biglieri ?)
E complimenti a me stesso per essere quasi riuscito a seguirli (capirli perfettamente, mi costerebbe troppa fatica, non mi diverte).
Ho fatto qualche commento/modifica allo schema, esplicitando dei miei dubbi.
Probabilmente esula dai tuoi interessi, ma dovresti metterti nei panni di Foster, o di un radiotecnico anni 30-60 e progettare un demodulatore per radio FM con Fo 10,7 MHz, deviazione 75 kHz, frequenza massima modulante 10kHz, arrivando a determinare i valori dei componenti e delle induttanze.
Magari copiare/analizzare lo schema di una radio FM a valvole/transistor.
Ti abbuono la definizione del diametro delle bobine e delle spire, perché nel gioco del progettista ingegnere potresti incaricare del compito un perito radiotecnico.
Poi le bobine erano standard e mi pare che in Italia le producesse la Corbetta.
(Sbiaditi ricordi del libro del CLUT di Castellani, Pent, Biglieri ?)
E complimenti a me stesso per essere quasi riuscito a seguirli (capirli perfettamente, mi costerebbe troppa fatica, non mi diverte).
Ho fatto qualche commento/modifica allo schema, esplicitando dei miei dubbi.
Probabilmente esula dai tuoi interessi, ma dovresti metterti nei panni di Foster, o di un radiotecnico anni 30-60 e progettare un demodulatore per radio FM con Fo 10,7 MHz, deviazione 75 kHz, frequenza massima modulante 10kHz, arrivando a determinare i valori dei componenti e delle induttanze.
Magari copiare/analizzare lo schema di una radio FM a valvole/transistor.
Ti abbuono la definizione del diametro delle bobine e delle spire, perché nel gioco del progettista ingegnere potresti incaricare del compito un perito radiotecnico.
Poi le bobine erano standard e mi pare che in Italia le producesse la Corbetta.
0
voti
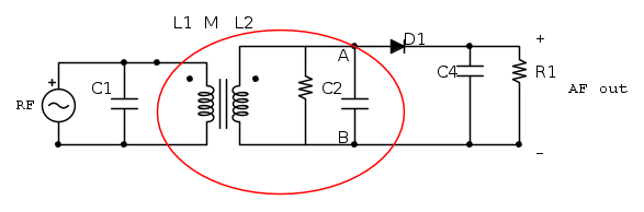
Credevo di aver capito come funzionasse, ma non riesco a capire come la VCM sia in quadratura rispetto alle VAC, VBC, dato che pare che L3 sia una impedenza ad alta impedenza alla frequenza della portante. Non capisco che sfasamento realizza C3 con L3. Ossia La VCM è in fase con RF?
Nessuna delle spiegazioni trovate nel web mi pare chiara al proposito.
Nel mio modello le tensioni degli avvolgimenti primario e secondario ( L1 e L2) dovrebbero essere sempre in fase fra loro. forse non sono in fase a causa del loro mutuo accoppiamento M = Radq( L1*L2) minore di quello massimo ???
Nessuna delle spiegazioni trovate nel web mi pare chiara al proposito.
Nel mio modello le tensioni degli avvolgimenti primario e secondario ( L1 e L2) dovrebbero essere sempre in fase fra loro. forse non sono in fase a causa del loro mutuo accoppiamento M = Radq( L1*L2) minore di quello massimo ???
0
voti
RF è una sorgente in tensione.
La rotazione di
si realizza con il trasformatore iniziale, da
e da una R ad essa in parallelo non disegnata nello schema (che abbassa il Q).
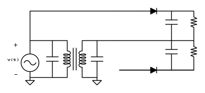
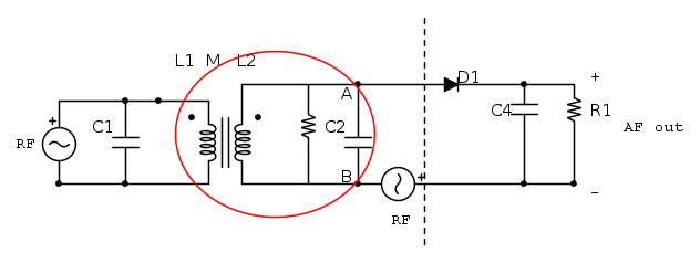
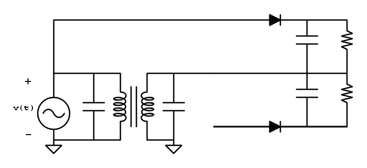
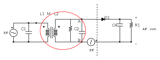
Per chiarire utilizzo uno schema inizialmente non bilanciato:
La tensione tra A e B è il segnale ruotato e ritardato, ora bisogna sottrarlo a quello iniziale e darlo in ingresso al demodulatore di inviluppo:
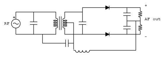
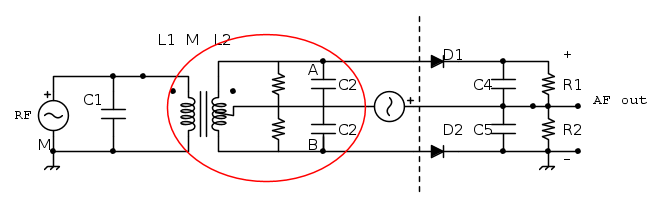
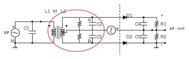
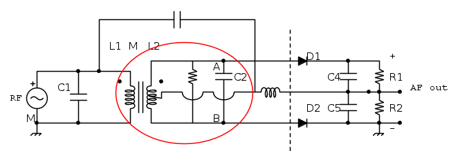
Passando allo schema bilanciato:
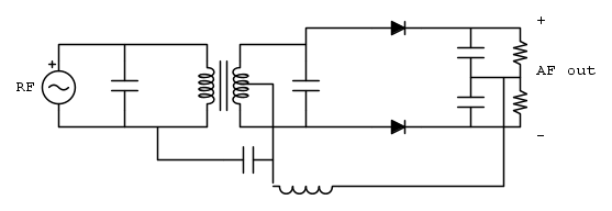
Posso comunque usare una sola rete per ruotare e ritardare:
Se usassi un avvolgimento come nello schema originale però ora avrei una polarità invertita, perché:
In più per la presa centrale dovrei dimezzare la tensione RF riportata sul nuovo avvolgimento appena introdotto, per rispettare lo schema a blocchi...
EDIT: quest'ultima cosa si risolve con un opportuno rapporto tra numeri di spire primario/secondario.
La rotazione di
si realizza con il trasformatore iniziale, da
e da una R ad essa in parallelo non disegnata nello schema (che abbassa il Q).Per chiarire utilizzo uno schema inizialmente non bilanciato:
La tensione tra A e B è il segnale ruotato e ritardato, ora bisogna sottrarlo a quello iniziale e darlo in ingresso al demodulatore di inviluppo:
Passando allo schema bilanciato:
Posso comunque usare una sola rete per ruotare e ritardare:
Se usassi un avvolgimento come nello schema originale però ora avrei una polarità invertita, perché:
In più per la presa centrale dovrei dimezzare la tensione RF riportata sul nuovo avvolgimento appena introdotto, per rispettare lo schema a blocchi...
EDIT: quest'ultima cosa si risolve con un opportuno rapporto tra numeri di spire primario/secondario.
11 messaggi
• Pagina 1 di 2 • 1, 2
Chi c’è in linea
Visitano il forum: Nessuno e 126 ospiti

Elettrotecnica e non solo (admin)
Un gatto tra gli elettroni (IsidoroKZ)
Esperienza e simulazioni (g.schgor)
Moleskine di un idraulico (RenzoDF)
Il Blog di ElectroYou (webmaster)
Idee microcontrollate (TardoFreak)
PICcoli grandi PICMicro (Paolino)
Il blog elettrico di carloc (carloc)
DirtEYblooog (dirtydeeds)
Di tutto... un po' (jordan20)
AK47 (lillo)
Esperienze elettroniche (marco438)
Telecomunicazioni musicali (clavicordo)
Automazione ed Elettronica (gustavo)
Direttive per la sicurezza (ErnestoCappelletti)
EYnfo dall'Alaska (mir)
Apriamo il quadro! (attilio)
H7-25 (asdf)
Passione Elettrica (massimob)
Elettroni a spasso (guidob)
Bloguerra (guerra)



















