salve a tutti,
un dispositivo che sto auto-realizzando ha 8 rubinetti con altrettanti flussometri (YF-S201 uscita digitale) per controllare la quantità e velocità del liquido in uscita. Questi rubinetti hanno solo 2 modalità di funzionamento:
- uno per volta controllando il flussometro
- tutti insieme temporizzati senza dover controllare i flussometri
Visto che, quando ho necessità del flussimetro, sta funzionando un solo rubinetto posso collegare le uscite digitali di tutti i flussimetri tramite resistenze ed entrare direttamente nel pin del micro ad alta impedenza?
Immagino che avendo 7 flussimetri fermi quindi escono 0V e un solo segnale pulsante, il segnale vede un carico della sua resistenza + le altre 7 in parallelo, scegliendo adeguatamente il valore di resistenza si potrebbe fare no?
Ovviamente così si crea un partitore e se la tensione non fosse suffiente a far leggere al micro un valore alto inserirei un operazionale come sommatore pesato ma il principio di collegare i flussimetri "a stella" vi sembra una cosa sensata?
Grazie delle risposte,
Davide
flussometri in parallelo
Moderatori:
carloc,
g.schgor,
BrunoValente,
IsidoroKZ
9 messaggi
• Pagina 1 di 1
0
voti
Nessuno ti assicura che uno o più dei sensori inattivi non abbia uscita alta invece di bassa, dipende dalla posizione del magnete al momento dello stop del flusso.
Hai due possibilità: o sommi tutto con delle semplici resistenze e poi misuri con un ADC facendo una misura differenziale, oppure usi una rete logica di XOR e entri in un ingresso digitale.
Hai due possibilità: o sommi tutto con delle semplici resistenze e poi misuri con un ADC facendo una misura differenziale, oppure usi una rete logica di XOR e entri in un ingresso digitale.
0
voti
grazie per la risposta!
Io immaginavo che il segnale ci fosse solo quando c'è movimento perché sennò non c'è variazione di campo magnetico da leggere... no?
nel caso fosse così il segnale dell'unico flussimetro attivo verrebbe sovrapposto ad una continua, dipende dalle frequenze in gioco ma non si riuscirebbe ad usare un passa alto?
Davide
Io immaginavo che il segnale ci fosse solo quando c'è movimento perché sennò non c'è variazione di campo magnetico da leggere... no?
nel caso fosse così il segnale dell'unico flussimetro attivo verrebbe sovrapposto ad una continua, dipende dalle frequenze in gioco ma non si riuscirebbe ad usare un passa alto?
Davide
0
voti
grazie per la risposta!
L'idea del filtro è una stupidaggine secondo te? In alternativa potrei usare una soluzione a BJT cosi?
sono collettori comune in cui la base è collegata al segnale dal micro che comanda l'apertura della singola valvola e il collettore riceve il segnale dai flussometri. Così sull'emettitore ci dovrebbe essere solamente il segnale del BJT che conduce ossia quello della valvola attiva.
Che ne pensate?
L'idea del filtro è una stupidaggine secondo te? In alternativa potrei usare una soluzione a BJT cosi?
sono collettori comune in cui la base è collegata al segnale dal micro che comanda l'apertura della singola valvola e il collettore riceve il segnale dai flussometri. Così sull'emettitore ci dovrebbe essere solamente il segnale del BJT che conduce ossia quello della valvola attiva.
Che ne pensate?
0
voti
A me sembra che il tuo circuito abbia il seguente comportamento:
Il segnale di controllo (CTRL segnale di comando dell'elettrovalvola) "forza" l'uscita a livello alto (la Fig. 1c e' "equivalente" alla Fig. 1b) indipendentemente dal livello dell'"ingresso" FLUX.
P.S. in realta' il tuo circuito potrebbe essere "addomesticato" e fatto funzionare aggiungendo una resistenza in serie alla base dei transistor, ma il calcolo della resistenza dipende dai parametri "reali" dei transistor (guadagno) e renderebbe il circuito critico nel (non) funzionamento.
Il segnale di controllo (CTRL segnale di comando dell'elettrovalvola) "forza" l'uscita a livello alto (la Fig. 1c e' "equivalente" alla Fig. 1b) indipendentemente dal livello dell'"ingresso" FLUX.
P.S. in realta' il tuo circuito potrebbe essere "addomesticato" e fatto funzionare aggiungendo una resistenza in serie alla base dei transistor, ma il calcolo della resistenza dipende dai parametri "reali" dei transistor (guadagno) e renderebbe il circuito critico nel (non) funzionamento.
Ultima modifica di
elfo il 10 lug 2017, 22:40, modificato 2 volte in totale.
0
voti
Non so se dico cose giuste, ma mi sembra che l' uscita del sensore sia un segnale TTl a 5 V anche se l' alimentazione del sensore può essere più alta.
Come fai a prelevare il segnale dall' emettitore dei BJT se questi sono già a 5 V meno 0,7 V
Anche così non va bene, perché quelli che sono a massa portano la massa all' entrata del pin del micro e perciò cortocircuiterebbero il segnale di quello attivo
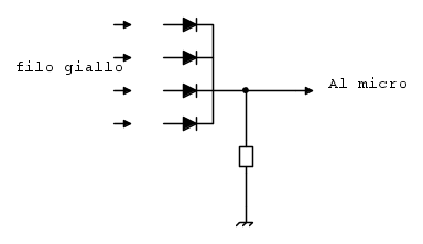
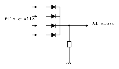
controlla se veramente, senza segnale, il filo giallo si trova a massa, se è così, puoi fare semplicemente in questo modo
Come fai a prelevare il segnale dall' emettitore dei BJT se questi sono già a 5 V meno 0,7 V
dadduni ha scritto:
Immagino che avendo 7 flussimetri fermi quindi escono 0V e un solo segnale pulsante, il segnale vede un carico della sua resistenza + le altre 7 in parallelo, scegliendo adeguatamente il valore di resistenza si potrebbe fare no?
Anche così non va bene, perché quelli che sono a massa portano la massa all' entrata del pin del micro e perciò cortocircuiterebbero il segnale di quello attivo
controlla se veramente, senza segnale, il filo giallo si trova a massa, se è così, puoi fare semplicemente in questo modo
0
voti
ovviamente il mio schema era di principio e mancavano completamente le polarizzazioni e la resistenza in serie sulla base del BJT con la quale, se calcolata giusta, mi pare dovrebbe funzionare.
A ben pensarci il mio schema funzionerebbe decisamente meglio usando dei MOS.
Se le uscite restano basse in assenza di segnale userei o il sommatore a diodi o un banco OR a 8 ingressi (se esiste). Se invece in assenza di fluido posso avere sia valori alti che bassi bisognerà vedere la soluzione a XOR!
grazie a tutti per le risposte, ogni idea e suggerimento sono bene accetti!
A ben pensarci il mio schema funzionerebbe decisamente meglio usando dei MOS.
Se le uscite restano basse in assenza di segnale userei o il sommatore a diodi o un banco OR a 8 ingressi (se esiste). Se invece in assenza di fluido posso avere sia valori alti che bassi bisognerà vedere la soluzione a XOR!
grazie a tutti per le risposte, ogni idea e suggerimento sono bene accetti!
0
voti
dadduni ha scritto:la resistenza in serie sulla base del BJT con la quale, se calcolata giusta,
piu' che calcolata, andrebbe "sperimentata" transistor per transistor (in funzione del guadagno)- come ti avevo accennato. Lo schema diventa "marginale" e "precario" nel funzionamento
dadduni ha scritto:il mio schema funzionerebbe decisamente meglio usando dei MOS.
La Vgs del mosfet ti "mangia" molta tensione e in uscita al circuito potresti non avere un livello logico alto "sufficiente"
dadduni ha scritto: Se invece in assenza di fluido posso avere sia valori alti che bassi bisognerà vedere la soluzione a XOR!
Questa soluzione che ti e' stata proposta da
9 messaggi
• Pagina 1 di 1
Chi c’è in linea
Visitano il forum: Nessuno e 249 ospiti

Elettrotecnica e non solo (admin)
Un gatto tra gli elettroni (IsidoroKZ)
Esperienza e simulazioni (g.schgor)
Moleskine di un idraulico (RenzoDF)
Il Blog di ElectroYou (webmaster)
Idee microcontrollate (TardoFreak)
PICcoli grandi PICMicro (Paolino)
Il blog elettrico di carloc (carloc)
DirtEYblooog (dirtydeeds)
Di tutto... un po' (jordan20)
AK47 (lillo)
Esperienze elettroniche (marco438)
Telecomunicazioni musicali (clavicordo)
Automazione ed Elettronica (gustavo)
Direttive per la sicurezza (ErnestoCappelletti)
EYnfo dall'Alaska (mir)
Apriamo il quadro! (attilio)
H7-25 (asdf)
Passione Elettrica (massimob)
Elettroni a spasso (guidob)
Bloguerra (guerra)








