Il circuito resistivo associato (cosi chiamato dal mio libro) è un metodo sistematico che permette di sostituire il condensatore con un generatore di tensione e l'induttore con uno di corrente.
Quindi si studia un circuito resistivo.
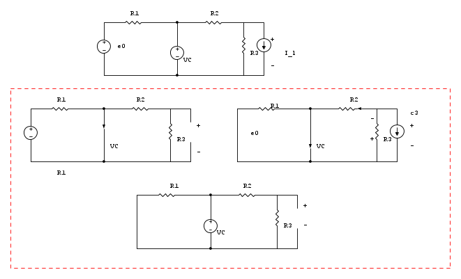
Nell'esercizio che ho postato ho riportato un solo circuito che proviene dalla sovrapposizione degli effetti, per questo è acceso un solo generatore e l'altro è in corto.
In questo circuito il dubbio mi è sorto per il calcolo di VL..
La differenza di potenziale
è pari a
..Nell'esercizio ho scritto che la differenza di potenziale è pari a
ma mi è sorto il dubbio. in realtà la
si ripartisce in R2 ed R3 quindi se fosse cosi avrei dovuto utilizzare il partitore di tensione... come è più giusto secondo voi?

Elettrotecnica e non solo (admin)
Un gatto tra gli elettroni (IsidoroKZ)
Esperienza e simulazioni (g.schgor)
Moleskine di un idraulico (RenzoDF)
Il Blog di ElectroYou (webmaster)
Idee microcontrollate (TardoFreak)
PICcoli grandi PICMicro (Paolino)
Il blog elettrico di carloc (carloc)
DirtEYblooog (dirtydeeds)
Di tutto... un po' (jordan20)
AK47 (lillo)
Esperienze elettroniche (marco438)
Telecomunicazioni musicali (clavicordo)
Automazione ed Elettronica (gustavo)
Direttive per la sicurezza (ErnestoCappelletti)
EYnfo dall'Alaska (mir)
Apriamo il quadro! (attilio)
H7-25 (asdf)
Passione Elettrica (massimob)
Elettroni a spasso (guidob)
Bloguerra (guerra)










qui ci stava il mio dubbio
