salve,
ho qualche dubbio sul secondo punto del seguente esercizio:
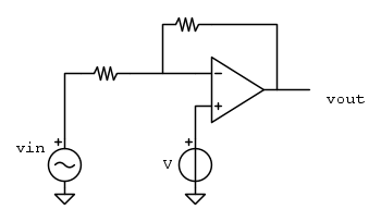
Il valore della Vgs in assenza di Vin è 4V, per il calcolo dell'escursione della Vin tale da farmi uscire il mosfet dalla saturazione occorre che Vdg <-Vt ovver Vdg< - 2V.
1.Come faccio a calcolare il valore di Vin,max (positivo) (-> vou dell'AO negativa) tc mi genere questa condizione se la Vd stessa dipende dalla Vg?
2.D'altra parte il sedra come condizione di piccolo segnale afferma:vgs (ac)<< 2 (Vgs-Vt) e non mi pare di essere in questo caso quindi nn ritengo sia il caso di studiare il circuito alle variazioni?
3. Mica esiste pure un valore di vin minimo (negativo) che può farmi uscire il Mosfet dalla saturazione?
grazie
Uscita mosfet dalla saturazione
Moderatori:
carloc,
g.schgor,
BrunoValente,
IsidoroKZ
16 messaggi
• Pagina 1 di 2 • 1, 2
1
voti
Lasciando per il momento perdere l'operazionale, ti chiedo:
quali sono le relazioni importanti per la zona di saturazione?
Mi sembra ce ne sia una per la
e una per la
che forse, unite al vincolo della retta di carico, ti possono portare al valore massimo per
; per il minimo direi sia facile, ma non ti fidare tanto della mia risposta idraulica, per sicurezza ti conviene aspettare il parere di un esperto del settore.
quali sono le relazioni importanti per la zona di saturazione?
Mi sembra ce ne sia una per la
e una per la
che forse, unite al vincolo della retta di carico, ti possono portare al valore massimo per
; per il minimo direi sia facile, ma non ti fidare tanto della mia risposta idraulica, per sicurezza ti conviene aspettare il parere di un esperto del settore."Il circuito ha sempre ragione" (Luigi Malesani)
0
voti
Ti ridisegno lo schema con FJ, la prossima volta fallo tu, mi raccomando, così possiamo editarli in fretta. :)
Supponendo di essere in bassa frequenza, e di poter quindi utilizzare il modello senza capacità parassite del FET, il circuito lo puoi spezzare in due parti.
Qui la funzione che lega ingresso e uscita in frequenza sarà:

e sono sicuro che sai trovarla.
A questo punto puoi ragionare su questo:
separare i modelli in piccolo e grande segnale e risolvere il seguente sistema:

Te lo ho scritte nel tempo perché devono valere sempre, per cui poi dovrai effettuare le valutazioni nei casi peggiori, ovvero quando il segnale assume gli estremi.
I termini a sinistra delle equazioni contengono sia la polarizzazione che il segnale, devi solo rendere questi ultimi funzione del segnale di ingresso
e risolvere le disuguaglianze.
Approssimazione presente:
.
Le ultime due di RenzoDF non le ho capite, forse avrà risolto direttamente il sistema sostituendo i numeri, anche perché le unità di misura non sono rispettate.
Supponendo di essere in bassa frequenza, e di poter quindi utilizzare il modello senza capacità parassite del FET, il circuito lo puoi spezzare in due parti.
Qui la funzione che lega ingresso e uscita in frequenza sarà:

e sono sicuro che sai trovarla.
A questo punto puoi ragionare su questo:
separare i modelli in piccolo e grande segnale e risolvere il seguente sistema:

Te lo ho scritte nel tempo perché devono valere sempre, per cui poi dovrai effettuare le valutazioni nei casi peggiori, ovvero quando il segnale assume gli estremi.
I termini a sinistra delle equazioni contengono sia la polarizzazione che il segnale, devi solo rendere questi ultimi funzione del segnale di ingresso
e risolvere le disuguaglianze.Approssimazione presente:
.Le ultime due di RenzoDF non le ho capite, forse avrà risolto direttamente il sistema sostituendo i numeri, anche perché le unità di misura non sono rispettate.
0
voti
Ianero ha scritto:... Le ultime due di RenzoDF non le ho capite, ... anche perché le unità di misura non sono rispettate.
Come avrei dovuto scriverle in forma numerica (e non simbolica) per renderle dimensionalmente corrette?
"Il circuito ha sempre ragione" (Luigi Malesani)
0
voti
Secondo me,
Ianero, tu segui spesso un approccio sbagliato, inutilmente generalizzato.
Non mi sembra ci sia bisogno di scomodare la funzione di trasferimento in frequenza per un esercizietto da due conti...
Poi non mi è chiaro cosa intendi quando dici
circa costante, puoi spiegarti meglio?
Anche quando dici di trascurare le capacità parassite del Mosfet, ti ricordo che quelle sono capacità di piccolo segnale, e qui non siamo in quel caso.
Non mi sembra ci sia bisogno di scomodare la funzione di trasferimento in frequenza per un esercizietto da due conti...
Poi non mi è chiaro cosa intendi quando dici
circa costante, puoi spiegarti meglio?Anche quando dici di trascurare le capacità parassite del Mosfet, ti ricordo che quelle sono capacità di piccolo segnale, e qui non siamo in quel caso.
0
voti
Secondo me, Ianero, tu segui spesso un approccio sbagliato, inutilmente generalizzato.
Sarà per tutto il sangue buttato nel cercare di interpretare ogni volta appunti su appunti di cui non ho mai capito subito il senso, ma ci ho messo sempre tantissimo tempo.
Allora parto sempre da ciò che ritengo sicuro e proseguo in punta di piedi.
Questa materia mi ha sempre fatto questo effetto, per cui sì, voglio sempre avere il quadro generale sotto controllo, perché spesso lo perdo.
Poi non mi è chiaro cosa intendi quando dici V_{DSsat} circa costante, puoi spiegarti meglio?

Se c'è segnale oltre la polarizzazione sul gate, si sposta anche il punto di saturazione.
Si vede anche dal grafico
-
del MOS "alzando" e "abbassando" le curve.Anche quando dici di trascurare le capacità parassite del Mosfet, ti ricordo che quelle sono capacità di piccolo segnale, e qui non siamo in quel caso.
Io ho interpretato la traccia con
segnale, non costante, altrimenti non l'avrei disegnato così come sopra.Da ciò la mia frase di dover essere in bassa frequenza per considerare staccati i due circuiti, altrimenti le capacità li fanno comunicare.
Se ho interpretato male la traccia allora hai ragione tu.
0
voti
Non avevo capito che era la soluzione con i numeri sostituiti, non avevo capito proprio cosa significassero quelle due equazioni da te scritte, infatti avevo scritto "forse avrà risolto il sistema e sostituito i numeri".
Non ho mai detto che hai sbagliato qualcosa, stai sereno.
Ho evitato di rispondere la prima volta perché mi sembrava si stesse andando verso la polemica, inutilmente.
Non ho mai detto che hai sbagliato qualcosa, stai sereno.
Ho evitato di rispondere la prima volta perché mi sembrava si stesse andando verso la polemica, inutilmente.
16 messaggi
• Pagina 1 di 2 • 1, 2
Chi c’è in linea
Visitano il forum: Nessuno e 84 ospiti

Elettrotecnica e non solo (admin)
Un gatto tra gli elettroni (IsidoroKZ)
Esperienza e simulazioni (g.schgor)
Moleskine di un idraulico (RenzoDF)
Il Blog di ElectroYou (webmaster)
Idee microcontrollate (TardoFreak)
PICcoli grandi PICMicro (Paolino)
Il blog elettrico di carloc (carloc)
DirtEYblooog (dirtydeeds)
Di tutto... un po' (jordan20)
AK47 (lillo)
Esperienze elettroniche (marco438)
Telecomunicazioni musicali (clavicordo)
Automazione ed Elettronica (gustavo)
Direttive per la sicurezza (ErnestoCappelletti)
EYnfo dall'Alaska (mir)
Apriamo il quadro! (attilio)
H7-25 (asdf)
Passione Elettrica (massimob)
Elettroni a spasso (guidob)
Bloguerra (guerra)











