da
lillo » 27 lug 2017, 9:36
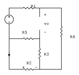
non hai sbagliato il calcolo della corrente.
io magari per semplificare i conti avrei messo il verso di

al contrario per non trascinarmi il meno dietro... ma sono punti di vista.
per concludere l'esercizio quello che devi fare è trovare le cadute di tensione giuste per risalire alla

:
trovata la corrente totale puoi applicare il partitore di corrente al parallelo R3+R5||R2, e una volta trovata la corrente che circola nel ramo R3+R5 applichi il partitore di tensione su R3.
trovi la caduta su R4 e infine KVL nella maglia a destra, quella con vc, R4 e R3.