Ciao a tutti
Innanzitutto mi scuso in anticipo nel caso stessi postando nella sezione sbagliata, ma non ho trovato altre aree che parlassero di questi argomenti
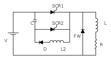
Ho un piccolo dubbio su questo convertitore dc/dc di potenza, ovvero un chopper a SCR
So a grandi linee come funziona, ma non mi è chiaro l'esatto compito della capacità C su quel circuito di commutazione forzata.
Mi spiego meglio: so che caricandosi e scaricandosi permette di spegnere i tiristori T1 e T2, ma non capisco esattamente come faccia.
Potreste spegarmi?
Grazie mille
Chopper a SCR
Moderatori:
carloc,
g.schgor,
BrunoValente,
IsidoroKZ
4 messaggi
• Pagina 1 di 1
1
voti
Come non detto, ci sono arrivato.
C era caricato positivamente dal ciclo precedente. Viene attivato SCR1, il condensatore si scarica con transitorio di tipo oscillatorio sul circuito di commutazione. C resta caricato negativamente per via della presenza del diodo sul circuito di commutazione forzata finché non viene attivato SCR2. A quel punto la carica negativa viene impressa su SCR1 che si spegne e va in recovery.
Il condensatore inizia a invertire la carica, il che fa circolare corrente sul diodo di free-wheeling. Una volta terminato il processo SCR2 si spegne e la corrente di carico si chiude su FWD
Grazie lo stesso
C era caricato positivamente dal ciclo precedente. Viene attivato SCR1, il condensatore si scarica con transitorio di tipo oscillatorio sul circuito di commutazione. C resta caricato negativamente per via della presenza del diodo sul circuito di commutazione forzata finché non viene attivato SCR2. A quel punto la carica negativa viene impressa su SCR1 che si spegne e va in recovery.
Il condensatore inizia a invertire la carica, il che fa circolare corrente sul diodo di free-wheeling. Una volta terminato il processo SCR2 si spegne e la corrente di carico si chiude su FWD
Grazie lo stesso
0
voti
Scusate se riesumo il post.
Ho capito tutto a parte una cosa :
Mentre il condensatore scarica la tensione ( che ha inizialmente) attraverso il secondo SCR, il condensatore va in polarità negativa.
Ma come fa ? Grazie
Ho capito tutto a parte una cosa :
Mentre il condensatore scarica la tensione ( che ha inizialmente) attraverso il secondo SCR, il condensatore va in polarità negativa.
Ma come fa ? Grazie
-

themagiciant95
27 1 1 7 - Frequentatore

- Messaggi: 167
- Iscritto il: 5 ott 2015, 15:57
0
voti
Sono diversi giorni che tento di decifrare il circuito ma ci sono ancora dei punti non chiari.
In particolare, in che modo viene usato il Diodo di libera circolazione nel circuito ?
In particolare, in che modo viene usato il Diodo di libera circolazione nel circuito ?
-

themagiciant95
27 1 1 7 - Frequentatore

- Messaggi: 167
- Iscritto il: 5 ott 2015, 15:57
4 messaggi
• Pagina 1 di 1
Chi c’è in linea
Visitano il forum: Nessuno e 389 ospiti

Elettrotecnica e non solo (admin)
Un gatto tra gli elettroni (IsidoroKZ)
Esperienza e simulazioni (g.schgor)
Moleskine di un idraulico (RenzoDF)
Il Blog di ElectroYou (webmaster)
Idee microcontrollate (TardoFreak)
PICcoli grandi PICMicro (Paolino)
Il blog elettrico di carloc (carloc)
DirtEYblooog (dirtydeeds)
Di tutto... un po' (jordan20)
AK47 (lillo)
Esperienze elettroniche (marco438)
Telecomunicazioni musicali (clavicordo)
Automazione ed Elettronica (gustavo)
Direttive per la sicurezza (ErnestoCappelletti)
EYnfo dall'Alaska (mir)
Apriamo il quadro! (attilio)
H7-25 (asdf)
Passione Elettrica (massimob)
Elettroni a spasso (guidob)
Bloguerra (guerra)
