La logica di funzionamento dei temporizzatori non è adatta a quello che devo realizzare io, dal punto di vista elettrico per poter realizzare tale progetto nei seguenti modi, plc, centralina dali tipo zumtobel programmando due scenari differenti stabile e temporizzato.
Stessa cosa con centralina domotica della bticino, ma non si può realizzare si per la spesa eccessiva perché parliamo di 10 punti luce e sia perché la tubazione non permette il passaggio dei fili necessari per realizzare l'opera.
Penso che dal punto di vista elettronico si possa realizzare un qualcosa di semplice ed economico, il discorso e che purtroppo non sono molto preparato nella scelta e la progettazione dei componenti,
Forse non in questo forum ma troverò in giro qualcosa che possa fare al caso mio. Come già scritto in precedenza o tutta la strumentazione che serve per la realizzazione di circuiti ma mi serve un progetto da poter realizzare.
Circuito per accensione luci multifunzione
Moderatori:
carloc,
g.schgor,
BrunoValente,
IsidoroKZ
26 messaggi
• Pagina 3 di 3 • 1, 2, 3
0
voti
1
voti
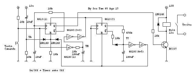
Qualche tempo fa, questo tipo di progettazione era all'ordine del giorno. Oggi con la disponibilità di micro-controllori a bassissimo costo, e con la quasi scomparsa dei componenti usati, questi circuiti non si fanno più. Comunque ecco qua, caro
Lasus0 … il tuo bel circuito … da pochi Euro di valore (più il tempo per realizzarlo).
Veloce spiegazione.
Il primo FF tipo D (metà del 4013), con quella configurazione di impulso sul clock e Q negato che rientra (con rete di ritardo 10k+10uF che serve da debounce) svolge la funzione di On-Off.
Infatti la sua uscita Q va diretta al transistor che pilota il relè.
La pressione breve (< 2s circa) provoca alternativamente On e Off.
Ma vediamo l’impulso lungo: se la pressione sul tasto di comando supera la durata del timer TB (10k+100uF, cira 2s) allora (attraverso 40106 2 e 3) si settano entrambe i FF 4013.
Il primo (se già non lo era) attiva l’uscita che accende la luce … mentre il secondo innesca il timer TC che allo scadere dei circa 50s (attraverso 40106 4 e 5) rimanda in reset tutto, spegnendo la luce.
Naturalmente è sempre possibile spegnere la luce (anche durante i 50s) con un nuovo impulso breve
Concludo con TA che serve per garantire di far partire all'accensione, il circuito, con la luce spenta.
Ultima nota: il valore delle RC dei timer TB e TC sono da considerarsi indicativi. Purtroppo, a seconda della casa produttrice le soglie dei trigger V+ e V- delle porte invertenti 40106 hanno valori molto differenti provocando altrettanta differenza nei tempi di carica da zero al valore di soglia V+.
Il calcolo corretto va fatto conoscendo il valore esatto della soglia, oppure, molto più semplicemente provato sperimentalmente!
Auguri per la realizzazione
Bye
Ser.Tom
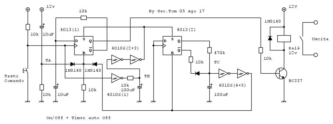
Veloce spiegazione.
Il primo FF tipo D (metà del 4013), con quella configurazione di impulso sul clock e Q negato che rientra (con rete di ritardo 10k+10uF che serve da debounce) svolge la funzione di On-Off.
Infatti la sua uscita Q va diretta al transistor che pilota il relè.
La pressione breve (< 2s circa) provoca alternativamente On e Off.
Ma vediamo l’impulso lungo: se la pressione sul tasto di comando supera la durata del timer TB (10k+100uF, cira 2s) allora (attraverso 40106 2 e 3) si settano entrambe i FF 4013.
Il primo (se già non lo era) attiva l’uscita che accende la luce … mentre il secondo innesca il timer TC che allo scadere dei circa 50s (attraverso 40106 4 e 5) rimanda in reset tutto, spegnendo la luce.
Naturalmente è sempre possibile spegnere la luce (anche durante i 50s) con un nuovo impulso breve
Concludo con TA che serve per garantire di far partire all'accensione, il circuito, con la luce spenta.
Ultima nota: il valore delle RC dei timer TB e TC sono da considerarsi indicativi. Purtroppo, a seconda della casa produttrice le soglie dei trigger V+ e V- delle porte invertenti 40106 hanno valori molto differenti provocando altrettanta differenza nei tempi di carica da zero al valore di soglia V+.
Il calcolo corretto va fatto conoscendo il valore esatto della soglia, oppure, molto più semplicemente provato sperimentalmente!
Auguri per la realizzazione
Bye
Ser.Tom0
voti
JAndrea ha scritto:Non so fino a che punto sia una buona idea installare un dispositivo elettronico costruito artigianalmente sull' impianto elettrico di un cliente.
Direi che è una PESSIMA idea.
Anche avendo le capacità per farlo io al massimo lo installerei a casa mia, una rogna con qualcosa di artigianale su cui ho guadagnato qualche euro francamente preferisco evitarla.
0
voti
Come già scritto in precedenza non o la possibilità di passare fili nelle tubazioni altrimenti lo avrei realizzato con un dispositivo già in commercio, ma non posso mettere in dispositivo da 100 euro per ogni stanza, se avrei avuto la possibilità di passare i cavi aventi installati una centrale d'allarme molto personalizzabile aggiungendo qualche moduli di ingresso e qualche modulo di uscita, da mo che avrei risolto ma avendo già creato circuiti, e avendo comunque una macchina a controllo numerico tutti ciò che serve a realizzare pvc, l'unica cosa che devi fare ridisegnare lo schema che gentilmente mi a fornito "ser tom"
E il gioco e fatto
E il gioco e fatto
26 messaggi
• Pagina 3 di 3 • 1, 2, 3
Chi c’è in linea
Visitano il forum: Google Adsense [Bot] e 51 ospiti

Elettrotecnica e non solo (admin)
Un gatto tra gli elettroni (IsidoroKZ)
Esperienza e simulazioni (g.schgor)
Moleskine di un idraulico (RenzoDF)
Il Blog di ElectroYou (webmaster)
Idee microcontrollate (TardoFreak)
PICcoli grandi PICMicro (Paolino)
Il blog elettrico di carloc (carloc)
DirtEYblooog (dirtydeeds)
Di tutto... un po' (jordan20)
AK47 (lillo)
Esperienze elettroniche (marco438)
Telecomunicazioni musicali (clavicordo)
Automazione ed Elettronica (gustavo)
Direttive per la sicurezza (ErnestoCappelletti)
EYnfo dall'Alaska (mir)
Apriamo il quadro! (attilio)
H7-25 (asdf)
Passione Elettrica (massimob)
Elettroni a spasso (guidob)
Bloguerra (guerra)






