Ciao a tutti,
scrivo non per un problema ma per una curiosità.
Ho letto su internet che alcune persone che hanno installato dei tubi a led o delle lampade a led, hanno il problema dello sfarfallio ad interruttore spento, mentre ad interruttore acceso va tutto bene. Potrebbe essere dovuto alla mutua induttanza dei cavi elettrici, quindi tensioni che si infilano nei cavi elettrici, le quali polarizzano in minima parte il tubo a led o la lampadina. Hanno risolto con un condensatore in parallelo sulla lampadina da 1,5 uF a 230v. Domande:
1) da dove nasce questo valore? mi spiegate la formula?è un filtro passa basso? non credo dato che manca la Resistenza
2) che valori dovrebbe avere se il tubo a led fosse invece una striscia di led alimentata a 12v, e il cavo a 12v passa vicino a cavi percorsi da corrente di rete (220 volt monofase)?
In un mio post precedente ( viewtopic.php?t=68857&p=708596#p708596) abbiamo discusso dei filtri passa basso per evitare dei disturbi su Arduino, per rispondere alla domanda 2 posso usare il filtro, oppure anche in questo caso potrebbe andar bene il condensatore da 1,5uF?
Grazie mille per le delucidazioni.
Sfarfallio LED su rete elettrica
Moderatori:
sebago,
MASSIMO-G,
lillo,
Mike
1
voti
Mutua capacità, non induttanza.
Il condensatore messo in parallelo forma un partitore capacitivo che riduce la tensione a vuoto sulla lampada. Il valore di 1.5uF mi sembra esagerato, per altre lampade avevo risolto con un condensatore da pochi nanofarad. Il valore del condensatore deve essere molto maggiore della capacità rispetto a terra del filo interrotto.
Il condensatore messo in parallelo forma un partitore capacitivo che riduce la tensione a vuoto sulla lampada. Il valore di 1.5uF mi sembra esagerato, per altre lampade avevo risolto con un condensatore da pochi nanofarad. Il valore del condensatore deve essere molto maggiore della capacità rispetto a terra del filo interrotto.
Per usare proficuamente un simulatore, bisogna sapere molta più elettronica di lui
Plug it in - it works better!
Il 555 sta all'elettronica come Arduino all'informatica! (entrambi loro malgrado)
Se volete risposte rispondete a tutte le mie domande
Plug it in - it works better!
Il 555 sta all'elettronica come Arduino all'informatica! (entrambi loro malgrado)
Se volete risposte rispondete a tutte le mie domande
0
voti
io per quanto riguarda la domanda numero DUE, ho fatto questo ragionamento:
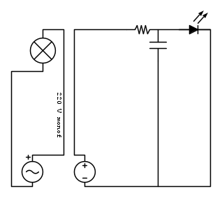
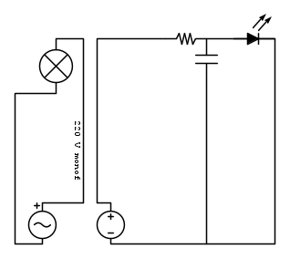
mettiamo il caso che ci fosse un cavo elettrico a bassa tensione (a 12v) che passa vicino ad un cavo percorso da 220 V monofase a 50hz,come da schema:
il led inizia probabilmente a sfarfallare quando il generatore è spento. per eliminare il disturbo, ho pensato che andrebbe bene un filtro passa basso con Ft=5H. Dovendo mettere in serie al led una R da 330ohm (dato che il generatore è a 12v e deve passare 30mA di corrente sul led), calcolo C attraverso la formula C=1/(Ft*2pi*R) che mi dà 9,65*10^-6 Farad. Il ragionamento è giuto? Ripeto, ancora non è successo, ma è solo un trip mentale.
La costante di tempo del circuito sarebbe TAU=RC, ma il valore di questo TAU ha qualche importanza? cosa potrebbe succedere se tau fosse troppo piccolo o troppo grande?
Grazie ancora
mettiamo il caso che ci fosse un cavo elettrico a bassa tensione (a 12v) che passa vicino ad un cavo percorso da 220 V monofase a 50hz,come da schema:
il led inizia probabilmente a sfarfallare quando il generatore è spento. per eliminare il disturbo, ho pensato che andrebbe bene un filtro passa basso con Ft=5H. Dovendo mettere in serie al led una R da 330ohm (dato che il generatore è a 12v e deve passare 30mA di corrente sul led), calcolo C attraverso la formula C=1/(Ft*2pi*R) che mi dà 9,65*10^-6 Farad. Il ragionamento è giuto? Ripeto, ancora non è successo, ma è solo un trip mentale.
La costante di tempo del circuito sarebbe TAU=RC, ma il valore di questo TAU ha qualche importanza? cosa potrebbe succedere se tau fosse troppo piccolo o troppo grande?
Grazie ancora
0
voti
La domanda due non l'avevo vista
.
Comunque direi che a 12V in continua non ci possano essere problemi. Per avere corrente che passa nel led, la corrente da qualche parte deve arrivare e deve richiudersi sullo stesso punto. Prova a cercare che percorso dovrebbe fare la corrente nel caso di un sistema isolato!
Le lampade che sfarfallano (tipicamente quelle a basso consumo, qualche volta anche quelle a led, che pero` di solito rimangono accese di continuo a bassissima intensita`), sono quelle che hanno un tipico raddrizzatore con un ponte di diodi e un condensatore dietro. Le capacita` parassite rispetto a terra caricano piano piano il condensatore che quando arriva a una tensione sufficiente fa partire l'oscillatore che alimenta la lampada, la quale emette un breve bagliore che scarica il condensatore, e poi il ciclo si ripete.
Il tutto pero` richiede un impianto fatto che interrompe il neutro e un carico come descritto prima collegato direttamente alla rete. Con le strisce a 12V mancano entrambe le condizioni. Sarei molto stupito se un accoppiamento induttivo desse qualche effetto misurabile!
Comunque direi che a 12V in continua non ci possano essere problemi. Per avere corrente che passa nel led, la corrente da qualche parte deve arrivare e deve richiudersi sullo stesso punto. Prova a cercare che percorso dovrebbe fare la corrente nel caso di un sistema isolato!
Le lampade che sfarfallano (tipicamente quelle a basso consumo, qualche volta anche quelle a led, che pero` di solito rimangono accese di continuo a bassissima intensita`), sono quelle che hanno un tipico raddrizzatore con un ponte di diodi e un condensatore dietro. Le capacita` parassite rispetto a terra caricano piano piano il condensatore che quando arriva a una tensione sufficiente fa partire l'oscillatore che alimenta la lampada, la quale emette un breve bagliore che scarica il condensatore, e poi il ciclo si ripete.
Il tutto pero` richiede un impianto fatto che interrompe il neutro e un carico come descritto prima collegato direttamente alla rete. Con le strisce a 12V mancano entrambe le condizioni. Sarei molto stupito se un accoppiamento induttivo desse qualche effetto misurabile!
Per usare proficuamente un simulatore, bisogna sapere molta più elettronica di lui
Plug it in - it works better!
Il 555 sta all'elettronica come Arduino all'informatica! (entrambi loro malgrado)
Se volete risposte rispondete a tutte le mie domande
Plug it in - it works better!
Il 555 sta all'elettronica come Arduino all'informatica! (entrambi loro malgrado)
Se volete risposte rispondete a tutte le mie domande
0
voti
in realtà l effetto misurabile esiste sul tubo al led alimentato a 220volt, il mio elettricista l ha risolto installando un C da 1,5uF sui morsetti del tubo al neon stesso, mentre per quanto riguarda il singolo led che si polarizza a bassissima intensità "grazie" al passaggio di corrente vicino al suo cavo, e che poi chiude a massa attraverso un altro percorso, l ho notato io personalmente e l ho risolto mettendo un C da 100nF sul DRAIN-SOURCE del mosfet che fungeva da interruttore elettronico per il led stesso.
In futuro, volendo "prevedere" questo effetto, posso risolverlo da subito con un filtro passa basso? Ho la R (dal valore obbligatorio e calcolato, dato che c è il LED). O sarebbe proprio il condensatore del filtro la causa di un eventuale polarizzazione minima e continua del led stesso? con un filtro passa basso mi butterei la zappa sui piedi?
In futuro, volendo "prevedere" questo effetto, posso risolverlo da subito con un filtro passa basso? Ho la R (dal valore obbligatorio e calcolato, dato che c è il LED). O sarebbe proprio il condensatore del filtro la causa di un eventuale polarizzazione minima e continua del led stesso? con un filtro passa basso mi butterei la zappa sui piedi?
0
voti
Su carichi alimentati a 220 V certamente l'effetto esiste, e` un accoppiamento capacitivo fra il filo aperto dall'interruttore e la terra. Si puo` risolvere il problema facendo l'impianto in modo corretto, con l'interruttore che interrompe la fase, oppure, se l'impianto c'e` gia` e non puo` essere modificato, mettendo un condensatore in parallello all'ingresso della lampada alimentata a 220 V.
1.5uF mi sembra una enormita`, un condensatore da qualche nanofarad di solito basta ed avanza. Il condensatore, essendo collegato direttamente alla rete, deve essere di tipo X o Y, adatto a sostenere le sovratensioni tipiche della rete elettrica.
La capacita` del condensatore deve essere molto maggiore della capacita` verso terra del conduttore interrotto dall'interruttore, bisogna fare un partitore capacitivo, non un filtro passa basso.
Collegare un condensatore da 100nF in parallelo fra drain e source di un MOS di solito non e` una buona idea. Se il MOS lavora in PWM si ha una dissipazione di potenza importante, e mettere un condensatore in parallelo al un interruttore vuol dire avere un interruttore meno buono.
Prima di dare un suggerimento del genere bisogna specificare di che circuito a MOS si parla.
1.5uF mi sembra una enormita`, un condensatore da qualche nanofarad di solito basta ed avanza. Il condensatore, essendo collegato direttamente alla rete, deve essere di tipo X o Y, adatto a sostenere le sovratensioni tipiche della rete elettrica.
La capacita` del condensatore deve essere molto maggiore della capacita` verso terra del conduttore interrotto dall'interruttore, bisogna fare un partitore capacitivo, non un filtro passa basso.
Collegare un condensatore da 100nF in parallelo fra drain e source di un MOS di solito non e` una buona idea. Se il MOS lavora in PWM si ha una dissipazione di potenza importante, e mettere un condensatore in parallelo al un interruttore vuol dire avere un interruttore meno buono.
Prima di dare un suggerimento del genere bisogna specificare di che circuito a MOS si parla.
Per usare proficuamente un simulatore, bisogna sapere molta più elettronica di lui
Plug it in - it works better!
Il 555 sta all'elettronica come Arduino all'informatica! (entrambi loro malgrado)
Se volete risposte rispondete a tutte le mie domande
Plug it in - it works better!
Il 555 sta all'elettronica come Arduino all'informatica! (entrambi loro malgrado)
Se volete risposte rispondete a tutte le mie domande
0
voti
Se il MOS lavora in PWM si ha una dissipazione di potenza importante
No, il MOS lavora in on-off comandato da un PIC16f84. se succede qualcosa in un ingresso, alza a 1 logico la tensione sul gate, così Drain-Source si chiude e fa passare corrente, quando il Gate è a zero, collegato a GND con una R da 1kohm, il led si polarizzava poco poco, a volte, a seconda delle lampadine accese (220volt) in casa. in quel caso l ho risolto con il condensatore tra Drain e Source, come ho già detto.
Per quanto rigurarda una soluzione senza MOS, dovrei forse mettere lo stesso condensatore tra anodo e catodo, per mandare a GND eventuali accoppiamenti? C è un modo per "prevenire" oppure sul posto, dovrò provare con diversi condensatori?
0
voti
Io proverei anche a invertire la fase con il neutro, spesso funziona
-

elektronik
7.800 4 6 7 - Master

- Messaggi: 3836
- Iscritto il: 12 mag 2015, 22:26
0
voti
il dubbio da cui è nato il mio post è partito osservando gli ingressi filari di una centrale d allarme. Le Zone, rispetto GND, erogano circa 5volt. in pratica la Zona manda una tensione, che passa al NC della fotocellula, e torna al GND. Quanzo la fotocellula non è in allarme il suo rele è chiuso, quindi manda a GND i 5volt erogati dal pin Zona1. Quando va in allarme il rele si apre, la centrale NON legge GND ai piedi di Zona1 bensi legge i 5volt, capisce quindi che il rele è aperto, e va in allarme. Ma siccome tutti i cavi passano insieme a quelli elettrici, come fa l' ingresso del controllore della centrale a non subire shock dovuti alle mutue capacità? Da qui mi è nato il dubbio e l idea del filtro.
Qualcuno sa cosa si usa presso gli ingressi dei controllori delle centrali d allarme?
Qualcuno sa cosa si usa presso gli ingressi dei controllori delle centrali d allarme?
1
voti
Si abbassa l'impedenza di ingresso usando un resistore di pull up ed eventualmente un condensatore in parallelo per formare il solito partitore capacitivo.
Pero` riguardando tutto il thread hai cominciato dicendo "ho letto su internet...risolto con 1.5uF..."
Per quanto riguarda il sistema a 12V e filtri passa basso vari "Ripeto, ancora non è successo, ma è solo un trip mentale."
Poi torni sui sistemi collegati alla rete "in realtà l effetto misurabile esiste sul tubo al led alimentato a 220volt, il mio elettricista l ha risolto installando un C da 1,5uF sui morsetti del tubo"
e dai sistemi collegati alla rete ritorni ai sistemi a 12V "l ho notato io personalmente e l ho risolto mettendo un C da 100nF sul DRAIN-SOURCE del mosfet che fungeva da interruttore elettronico per il led stesso" e il tutto nella stessa frase! Poi sei passato a un sistema controllato da un PIC per finire sui disturbi di ingresso delle centraline di allarme.
Non e` il caso di segurire un filo del discorso un po' piu` coerente?
Pero` riguardando tutto il thread hai cominciato dicendo "ho letto su internet...risolto con 1.5uF..."
Per quanto riguarda il sistema a 12V e filtri passa basso vari "Ripeto, ancora non è successo, ma è solo un trip mentale."
Poi torni sui sistemi collegati alla rete "in realtà l effetto misurabile esiste sul tubo al led alimentato a 220volt, il mio elettricista l ha risolto installando un C da 1,5uF sui morsetti del tubo"
e dai sistemi collegati alla rete ritorni ai sistemi a 12V "l ho notato io personalmente e l ho risolto mettendo un C da 100nF sul DRAIN-SOURCE del mosfet che fungeva da interruttore elettronico per il led stesso" e il tutto nella stessa frase! Poi sei passato a un sistema controllato da un PIC per finire sui disturbi di ingresso delle centraline di allarme.
Non e` il caso di segurire un filo del discorso un po' piu` coerente?
Per usare proficuamente un simulatore, bisogna sapere molta più elettronica di lui
Plug it in - it works better!
Il 555 sta all'elettronica come Arduino all'informatica! (entrambi loro malgrado)
Se volete risposte rispondete a tutte le mie domande
Plug it in - it works better!
Il 555 sta all'elettronica come Arduino all'informatica! (entrambi loro malgrado)
Se volete risposte rispondete a tutte le mie domande
Torna a Impianti, sicurezza e quadristica
Chi c’è in linea
Visitano il forum: Nessuno e 72 ospiti

Elettrotecnica e non solo (admin)
Un gatto tra gli elettroni (IsidoroKZ)
Esperienza e simulazioni (g.schgor)
Moleskine di un idraulico (RenzoDF)
Il Blog di ElectroYou (webmaster)
Idee microcontrollate (TardoFreak)
PICcoli grandi PICMicro (Paolino)
Il blog elettrico di carloc (carloc)
DirtEYblooog (dirtydeeds)
Di tutto... un po' (jordan20)
AK47 (lillo)
Esperienze elettroniche (marco438)
Telecomunicazioni musicali (clavicordo)
Automazione ed Elettronica (gustavo)
Direttive per la sicurezza (ErnestoCappelletti)
EYnfo dall'Alaska (mir)
Apriamo il quadro! (attilio)
H7-25 (asdf)
Passione Elettrica (massimob)
Elettroni a spasso (guidob)
Bloguerra (guerra)



