Cos'è ElectroYou | Login Iscriviti

ElectroYou - la comunità dei professionisti del mondo elettrico

Equivalente di Norton ai morsetti AB

Circuiti, campi elettromagnetici e teoria delle linee di trasmissione e distribuzione dell’energia elettrica

Moderatori: Foto Utenteg.schgor, Foto UtenteIsidoroKZ

0
voti

[1] Equivalente di Norton ai morsetti AB

Messaggioda Foto UtenteCarlo1 » 13 ago 2017, 12:17

Buongiorno a tutti.
Ho problemi inerenti a questo esercizio poiché mi trovo un risultato "strano" dovuto dalla mia errata applicazione oppure dai dati non esatti.
Utilizzerò il metodo dei potenziali nodali per i successivi passaggi.

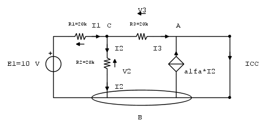
Questo è il circuito:


Vi metto il mio svolgimento.
1)Determinazione della conduttanza di Norton ai morsetti AB:
-Spengo i generatori indipendenti presenti nel circuito--> spengo E1
-Inserisco un generatore di tensione di prova di valore Ep=1V
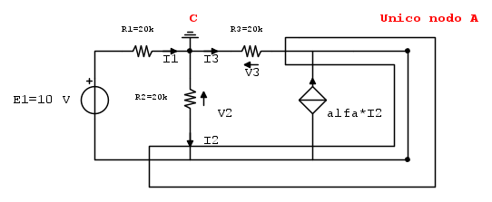
Nuovo circuito con versi di riferimento per tensione e corrente segnalati:
Nodo B come riferimento.


Come si nota dal circuito abbiamo che UA=Ep=1V poiché B è a terra.
L'obiettivo è quello di determinare Gnorton come segue:
Gnorton=\frac{Ip}{Ep} con Ip=corrente erogata dal generatore di tensione di prova inserito .

Effettuo LKC al nodo C per determinare UC: (Correnti entranti=negative,correnti uscenti=positive)
I1+I2-I3=0
Ricavo le relative correnti tramite relazioni caratteristiche dei bipoli e scrivo tutto in funzione delle differenze di potenziali:
UC(\frac{1}{R1}+\frac{1}{R2}+\frac{1}{R3})=UA\frac{1}{R3}
Da questa equazione, ottendo che UC=\frac{1}{3}V
Per determinare la corrente Ip ,effettuo la LKC al nodo A ed ottengo che:
-Ip-\alpha I2+I3=0
Ip=-\alpha I2+I3

Scrivo le correnti in funzione dei potenziali ed ottengo:
Ip=-\alpha \frac{UC}{R2}+\frac{UA-UC}{R3}
Vado a sostituire i valori ed ottengo che la corrente Ip è nulla--> Gnorton=0 S

Come è possibile ciò? Dati sballati?Errore mio?

Grazie in anticipo.
Avatar utente
Foto UtenteCarlo1
55 2 6
Frequentatore
Frequentatore
 
Messaggi: 118
Iscritto il: 19 ott 2015, 16:41

1
voti

[2] Re: Equivalente di Norton ai morsetti AB

Messaggioda Foto UtenteIsidoroKZ » 13 ago 2017, 13:09

Nessun errore. Hai fatto tanti calcoli, si poteva fare più in fretta, ma il risultato è giusto. La rete si comporta come un generatore ideale di corrente.
Per usare proficuamente un simulatore, bisogna sapere molta più elettronica di lui
Plug it in - it works better!
Il 555 sta all'elettronica come Arduino all'informatica! (entrambi loro malgrado)
Se volete risposte rispondete a tutte le mie domande
Avatar utente
Foto UtenteIsidoroKZ
121,2k 1 3 8
G.Master EY
G.Master EY
 
Messaggi: 21059
Iscritto il: 17 ott 2009, 0:00

0
voti

[3] Re: Equivalente di Norton ai morsetti AB

Messaggioda Foto UtenteCarlo1 » 13 ago 2017, 14:59

Ti ringrazio per la risposta, quale sarebbe il modo più veloce?

Per quanto riguarda il calcolo della corrente ICC , sulla falsariga di prima, ho fatto in questo modo:
1)Circuito considerato:

2)LKC al nodo A : -I3-\alpha I2-I2+I1=0
3)Esplicito correnti in funzione dei potenziali nodali: UA(\frac{1}{R2}+\frac{1}{R1}+\frac{1}{R3}+\frac{\alpha }{R2})=-\frac{E1}{R1}
4)Determino Ua
5)Calcolo ICC come:
Icc-I3-\alpha I2-I2+I1=0 --> Icc=I3+\alpha I2+I2-I1
Avatar utente
Foto UtenteCarlo1
55 2 6
Frequentatore
Frequentatore
 
Messaggi: 118
Iscritto il: 19 ott 2015, 16:41

0
voti

[4] Re: Equivalente di Norton ai morsetti AB

Messaggioda Foto UtenteCarlo1 » 13 ago 2017, 16:05

Adesso che ci sto pensando, per il calcolo di Icc, ho fatto una cosa che non si poteva fare.

Dovevo considerare sempre i due nodi A e B distinti, e far notare che UA=UB=0 V poiché vi è un corto.
Quindi il circuito è:


1) UA=UB=0 V
2)Scrivo LKC al nodo C per ricavare UC
3)Ricavo ICC come: Icc=I3+alfa*I2 = UC/R3 + alfa*(UC/R2)
Avatar utente
Foto UtenteCarlo1
55 2 6
Frequentatore
Frequentatore
 
Messaggi: 118
Iscritto il: 19 ott 2015, 16:41

2
voti

[5] Re: Equivalente di Norton ai morsetti AB

Messaggioda Foto UtenteIsidoroKZ » 13 ago 2017, 23:47

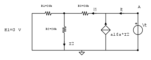
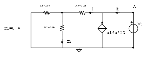
Calcolo dell'ammettenza di uscita. Hai fatto benissimo a usare un generatore di test di tensione (che ho chiamato Vt) e calcolare la corrente It che esce. Se avessi usato un generatore di corrente avresti avuto delle divisioni per zero e altre singolarita`.

Il circuito per il calcolo dell'ammettenza di Norton It/Vt e` questo



La corrente I1 e` data dalla tensione Vt applicata alle resistenze. Il generatore pilotato di corrente non ha alcun effetto su I1.

Usando solo serie e paralleli, e chiamando R le resistenze che sono tutte uguali, si ha

I_1=\frac{V_t}{R+R/\!/R}=\frac{V_t}{1.5R}

La corrente I2 e` data dalla partizione di I1 fra due resistenze uguali, quindi

I_2=\frac{I_1}{2}=\frac{Vt}{3R}

La corrente Ig del generatore pilotato vale

I_g=\alpha I_2=\alpha \frac{V_t}{3R}

Questa notte quando ti ho risposto mi sembrava che da qualche parte ci fosse il valore \alpha=2 e quindi Ig diventa

I_g=\frac{V_t}{3R/\alpha}=\frac{V_t}{1.5R}

Di conseguenza la corrente It, considerando i versi delle correnti I1 e Ig e` nulla. Se invece \alpha e` un valore generico non assegnato (non so se me lo sono sognato che fosse pari a 2), si ha

I_t=V_t\left(\frac{1}{1.5R}-\frac{\alpha}{3R}\right)=V_t\frac{2-\alpha}{3R} e l'ammettenza di Norton vale G_N=\frac{2-\alpha}{3R}.

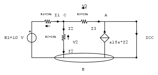
Per il calcolo della corrente di cortocircuito l'hai anche fatta un po' lunga. La prima soluzione non andava bene perche' cosi` inglobi il cortocircuito nel nodo unico e non sai piu` quanto valga la corrente che passa nel corto. In realta` puoi saperlo andando a vedere i due contributi Ic1 e Ic2, ma e` meglio fare come hai fatto nel secondo modo. Il circuito e` questo



Essendo l'uscita in cortocircuito, R2 ed R3 sono in parallelo ed e` facile calcolare la corrente Ic1 e I2. Dato che le resistenze sono tutte uguali, come prima le chiamo R

I_{c1}=\frac{E_1}{R+R/\!/R}\times \frac{1}{2}=\frac{E_1}{3R} e questa e` anche la corrente I2, dato che R2 ed R3 sono uguali.

La corrente di cortocircuito vale quindi

I_{cc}=I_{c1}+I_{c2}=I_{c1}+I_2\alpha=\frac{E_1}{3R}(1+\alpha)

Se \alpha=2 si ha I_{cc}=\frac{E_1}{R}

Come vedi niente espressioni lunghe, niente sistemi di equazioni da risolvere...

PS ma alpha vale 2? Chissa` dove l'ho letto. Forse l'ho inferito dal tuo risultato di conduttanza nulla.
Per usare proficuamente un simulatore, bisogna sapere molta più elettronica di lui
Plug it in - it works better!
Il 555 sta all'elettronica come Arduino all'informatica! (entrambi loro malgrado)
Se volete risposte rispondete a tutte le mie domande
Avatar utente
Foto UtenteIsidoroKZ
121,2k 1 3 8
G.Master EY
G.Master EY
 
Messaggi: 21059
Iscritto il: 17 ott 2009, 0:00

0
voti

[6] Re: Equivalente di Norton ai morsetti AB

Messaggioda Foto UtenteCarlo1 » 14 ago 2017, 7:53

Perfetto, come al solito sei sempre esaustivo e preciso fino al midollo.
Comunque accetterò il consiglio della strada meno lunga .
Comunque alfa= 2 .

Ti ringrazio. :ok:
Avatar utente
Foto UtenteCarlo1
55 2 6
Frequentatore
Frequentatore
 
Messaggi: 118
Iscritto il: 19 ott 2015, 16:41

2
voti

[7] Re: Equivalente di Norton ai morsetti AB

Messaggioda Foto UtenteRenzoDF » 14 ago 2017, 11:56

Io direi che si faceva prima via EET :mrgreen:

Sostanzialmente, scegliendo come extra-element Z il resistore R2, via ispezione della rete, avrei direttamente scritto per l'impedenza equivalente

Z_{eq}={Z_{eq}}_{\infty}\frac{1+ \frac{Z_N} {Z}}{1+ \frac{Z_D} {Z}} =2R\frac{1+{(R/2)}/R}{1+R(2-\alpha)/R}=\frac{3R}{2-\alpha}

e analogamente per la corrente di cortocircuito

I_{cc}={I_{cc}}_{\infty}\frac{1+ \frac{Z_N'} {Z}}{1+\frac{Z_D'} {Z}  }= (\frac{E_1}{2R} )\, \frac{1+{(\alpha R)}/R}{1+(R/2)/R}=\frac{E_1(1+\alpha)}{3R}

Lo so che giù a LA non fanno così, ma quassù a SB questo è il metodo in voga, per aver più tempo per Erica e ... per il Surf. :-)
"Il circuito ha sempre ragione" (Luigi Malesani)
Avatar utente
Foto UtenteRenzoDF
55,9k 8 12 13
G.Master EY
G.Master EY
 
Messaggi: 13189
Iscritto il: 4 ott 2008, 9:55


Torna a Elettrotecnica generale

Chi c’è in linea

Visitano il forum: Google [Bot] e 24 ospiti