Salve a tutti.
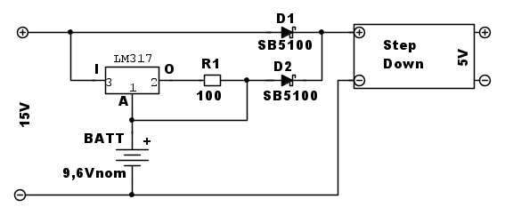
Vorrei implementare il semplice circuito in figura
Innanzi tutto: può funzionare?
E in caso di mancanza alimentazione principale (15V), la batteria può danneggiare lo LM317?
Ringrazio in anticipo per il vostro interessamento.
Ciao,
P.
LM317 può danneggiarsi?
Moderatori:
carloc,
g.schgor,
BrunoValente,
IsidoroKZ
28 messaggi
• Pagina 1 di 3 • 1, 2, 3
0
voti
In pratica ricaricheresti una batteria che alimenti lo step-down in caso di mancata tensione principale, giusto ?
A mio avviso anche se la tensione dei 15 V manca, la batteria non può danneggiare lo LM317, perché l' ingresso di quest' ultimo non va a tensione inferiore dell' uscita.( almeno che non ci rimanga un collegamento fra i poli del 15 V)
secondo me potrebbe funzionare
A mio avviso anche se la tensione dei 15 V manca, la batteria non può danneggiare lo LM317, perché l' ingresso di quest' ultimo non va a tensione inferiore dell' uscita.( almeno che non ci rimanga un collegamento fra i poli del 15 V)
secondo me potrebbe funzionare
1
voti
Dovresti spiegare un po' meglio (ma l'avevo gia' chiesto nell'altro thread) che cosa vuoi fare e che tipo di batteria vuoi caricare.
Cosi' configurato il 317 fornirebbe una corrente costante di 12.5mA; sta a vedere se sono sufficienti alla ricarica.
Meglio sarebbe implementare il 317 come vero caricabatteria regolato in tensione e limitato in corrente ma lo sapremo quando avrai risposto alle domande.

Cosi' configurato il 317 fornirebbe una corrente costante di 12.5mA; sta a vedere se sono sufficienti alla ricarica.
Meglio sarebbe implementare il 317 come vero caricabatteria regolato in tensione e limitato in corrente ma lo sapremo quando avrai risposto alle domande.

marco
0
voti
Dal lato dei 15V in ingresso cosa c'è?
Questo schema visto così a colpo d'occhio secondo me può funzionare, ma attenzione che semmai è la batteria che potrebbe danneggiarsi (che batteria è?), perché l'LM317 se non ricordo male ha una tensione di riferimento Out-Adj di circa 1,23V e quindi alla batteria dovrebbe arrivare una corrente di ricarica finché non raggiunge la tensione di 15-1,23=13,67V.
Questo schema visto così a colpo d'occhio secondo me può funzionare, ma attenzione che semmai è la batteria che potrebbe danneggiarsi (che batteria è?), perché l'LM317 se non ricordo male ha una tensione di riferimento Out-Adj di circa 1,23V e quindi alla batteria dovrebbe arrivare una corrente di ricarica finché non raggiunge la tensione di 15-1,23=13,67V.
-

arbifive
65 5 - CRU - Account cancellato su Richiesta utente
- Messaggi: 125
- Iscritto il: 28 giu 2017, 0:29
0
voti
In ingresso c'è un alimentatore da 15Vcc 3A.
Il circuito dovrebbe impedire che un Arduino alimentato a 5V si resetti in caso di mancanza rete. La batteria è costituita da 8 elementi NiMH da 2200mAh. Lo LM317 serve a fornire la corrente di mantenimento per avere la batteria sempre carica in caso di bisogno.
La corrente di mantenimento consigliata per le NiMH sarebbe di C/300, anche se qualcuno dice che si deteriorano comunque. Per le 2200mAh dovrebbe essere di circa 8mA. Io vorrei cominciare con 12,5 e vedere che succede. Non ci dovrebbe essere una grande differenza.
Questo è il nocciolo di un progetto più ampio che prevede un segnalatore di batteria scarica e una commutazione dello LM317 in funzione caricabatteria semi-rapido, comandato e controllato da un ATtiny85. Penserei anche di inserire un segnale di batteria scarica che comandi, ad esempio, lo shut off di un raspberry attraverso un pin GPIO.
Ciao,
P.
Il circuito dovrebbe impedire che un Arduino alimentato a 5V si resetti in caso di mancanza rete. La batteria è costituita da 8 elementi NiMH da 2200mAh. Lo LM317 serve a fornire la corrente di mantenimento per avere la batteria sempre carica in caso di bisogno.
La corrente di mantenimento consigliata per le NiMH sarebbe di C/300, anche se qualcuno dice che si deteriorano comunque. Per le 2200mAh dovrebbe essere di circa 8mA. Io vorrei cominciare con 12,5 e vedere che succede. Non ci dovrebbe essere una grande differenza.
Questo è il nocciolo di un progetto più ampio che prevede un segnalatore di batteria scarica e una commutazione dello LM317 in funzione caricabatteria semi-rapido, comandato e controllato da un ATtiny85. Penserei anche di inserire un segnale di batteria scarica che comandi, ad esempio, lo shut off di un raspberry attraverso un pin GPIO.
Ciao,
P.
1
voti
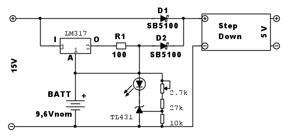
Per interrompere la carica quando la batteria è carica e per avere una segnalazione di batteria carica, senza scomodare il controllore, potresti fare qualcosa del genere.
Raggiunta la tensione di batteria carica, il cui valore è regolabile con il trimmer che serve appunto a centrarlo intorno a 9.6V, la corrente di carica viene tutta deviata nel led che così si accende, 12mA sono sufficienti.
Raggiunta la tensione di batteria carica, il cui valore è regolabile con il trimmer che serve appunto a centrarlo intorno a 9.6V, la corrente di carica viene tutta deviata nel led che così si accende, 12mA sono sufficienti.
-

BrunoValente
39,6k 7 11 13 - G.Master EY

- Messaggi: 7796
- Iscritto il: 8 mag 2007, 14:48
0
voti
Grazie BrunoValente. E' un'ottima idea per segnalare che la batteria è carica.
In realtà vorrei usare lo ATtiny85 per ripristinare rapidamente la carica della batteria al ritorno della rete. Se la tensione della batteria è scesa sotto un certo valore (direi 7,8V per le otto NiMH) il micro comanda un relé che scambia la resistenza da 100 ohm con una da 6,8 Ohm, determinando una corrente di carica di circa 180 mA per una ricarica più rapida.
In assenza di rete lo ATtiny85 dovrebbe anche inviare un segnale logico verso l'esterno, per scollegare il carico se la batteria dovesse raggiungere i 7,8V.
Per il momento grazie a tutti per i suggerimenti. Vedrò come sviluppare il tutto.
Ciao,
P.
In realtà vorrei usare lo ATtiny85 per ripristinare rapidamente la carica della batteria al ritorno della rete. Se la tensione della batteria è scesa sotto un certo valore (direi 7,8V per le otto NiMH) il micro comanda un relé che scambia la resistenza da 100 ohm con una da 6,8 Ohm, determinando una corrente di carica di circa 180 mA per una ricarica più rapida.
In assenza di rete lo ATtiny85 dovrebbe anche inviare un segnale logico verso l'esterno, per scollegare il carico se la batteria dovesse raggiungere i 7,8V.
Per il momento grazie a tutti per i suggerimenti. Vedrò come sviluppare il tutto.
Ciao,
P.
28 messaggi
• Pagina 1 di 3 • 1, 2, 3
Chi c’è in linea
Visitano il forum: Nessuno e 40 ospiti

Elettrotecnica e non solo (admin)
Un gatto tra gli elettroni (IsidoroKZ)
Esperienza e simulazioni (g.schgor)
Moleskine di un idraulico (RenzoDF)
Il Blog di ElectroYou (webmaster)
Idee microcontrollate (TardoFreak)
PICcoli grandi PICMicro (Paolino)
Il blog elettrico di carloc (carloc)
DirtEYblooog (dirtydeeds)
Di tutto... un po' (jordan20)
AK47 (lillo)
Esperienze elettroniche (marco438)
Telecomunicazioni musicali (clavicordo)
Automazione ed Elettronica (gustavo)
Direttive per la sicurezza (ErnestoCappelletti)
EYnfo dall'Alaska (mir)
Apriamo il quadro! (attilio)
H7-25 (asdf)
Passione Elettrica (massimob)
Elettroni a spasso (guidob)
Bloguerra (guerra)





