vorrei realizzare un qualcosa di molto simile a questo (link).E' un optoisolatore per linea can bus.
Vi dico subito che non sono un esperto di queste cose ed è per questo che chiedo aiuto, consigli e suggerimenti a voi per cercarlo di realizzarlo insieme. Quello che vorrei fare è quello di costruire due scatole (o meglio due PCB, inizialmente su mille fori) di un qualcosa che mi opto-isoli la mia linea can. Ho pensato subito alla fibra ottica, anche perché vorrei copiare dai signori del link precedente, e vi chiedo se è una cosa difficile da fare oppure no.
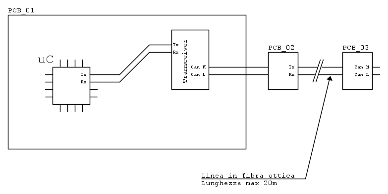
Cerco di spiegarmi meglio, e lo farò con un semplice schema concettuale disegnato di seguito.
La linea CAN che voglio optoisolare è quella presente un PCB_01, ed io vorrei costruire due PCB, denominati PCB_02 e PCB_03, questi due comunicano tramite la fibra ottica.
Il componente principe che devo usare è (ipotizzo) un transciever can dove
- sul PCB_02
- deve acquisire i segnali CAN H e CAN L e trasformarli in tx e rx (questo lo dovrebbe fare il transciever) e dopo inviarli in un fibra con l'aiuto di qualche integrato;
sul PCB_03 - ricevo il tx e rx e li ritrasformo in CAN H e CAN L.
Secondo voi è qualcosa di fattibile? Quello che vorrei sapere è se l'idea di base c'è oppure no.
Spero di essere stato il più chiaro possibile.
Grazie e buon divertimento!

Elettrotecnica e non solo (admin)
Un gatto tra gli elettroni (IsidoroKZ)
Esperienza e simulazioni (g.schgor)
Moleskine di un idraulico (RenzoDF)
Il Blog di ElectroYou (webmaster)
Idee microcontrollate (TardoFreak)
PICcoli grandi PICMicro (Paolino)
Il blog elettrico di carloc (carloc)
DirtEYblooog (dirtydeeds)
Di tutto... un po' (jordan20)
AK47 (lillo)
Esperienze elettroniche (marco438)
Telecomunicazioni musicali (clavicordo)
Automazione ed Elettronica (gustavo)
Direttive per la sicurezza (ErnestoCappelletti)
EYnfo dall'Alaska (mir)
Apriamo il quadro! (attilio)
H7-25 (asdf)
Passione Elettrica (massimob)
Elettroni a spasso (guidob)
Bloguerra (guerra)
lectroYou

