
Esercizio con resistenze equivalenti
Moderatori:
g.schgor,
IsidoroKZ
26 messaggi
• Pagina 2 di 3 • 1, 2, 3
0
voti
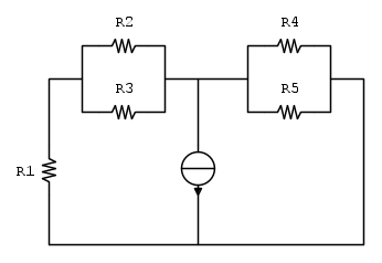
Stavo verificando proprio questo, la R4 e la R5 sono in parallelo per definizione,ho un dubbio sulla resistenza R2 ed R3 poterete chiarirmi perché sono in parallelo?Posso spostare la posizione della resistenza R3 all'interno di quella maglia, mettendola proprio in parallelo a R2 (per vedere meglio il parallelo) ,senza alterare il circuito?
0
voti
Come faccio a vedere la resistenza equivalente vista da un particolare elemento del circuito in maniera ottimale, cercando di fare meno errori possibili?
6
voti
perché bisogna anche imparare a ridisegnare gli schemi e metterli su una maniera più comprensibile; forse questo può essere più chiaro:
Che è esattamente equivalente a quello del tuo esercizio.
Che è esattamente equivalente a quello del tuo esercizio.
Il futuro appartiene a coloro che credono nella bellezza dei propri sogni.
Formule LaTeX
Uso di LaTeX sul forum
⋮ƎlectroYou
Formule LaTeX
Uso di LaTeX sul forum
⋮ƎlectroYou
0
voti
Juliet ha scritto:ho un dubbio sulla resistenza R2 ed R3 poterete chiarirmi perché sono in parallelo?
Due resistenze sono in parallelo se sono connesse agli stessi nodi.
R2 ed R3 sono connesse agli stessi nodi?
Juliet ha scritto:Come faccio a vedere la resistenza equivalente vista ...
Col tempo andrai ad occhio, per ora cerca di semplificare il circuito facendo le serie e i paralleli che ti saltano all'occhio subito e ridisegnando ogni volta il circuito prima di riprendere l'analisi.
Con l'esperienza inizierai a saltare i passaggi e ti verrà automatico.

http://millefori.altervista.org
Tool gratuito per chi sviluppa su millefori.
Tutti sanno che una cosa è impossibile da realizzare, finché arriva uno sprovveduto che non lo sa e la inventa. (A. Einstein)
Se non c'e` un 555 non e` un buon progetto (IsidoroKZ)
Strumento per formule
Tool gratuito per chi sviluppa su millefori.
Tutti sanno che una cosa è impossibile da realizzare, finché arriva uno sprovveduto che non lo sa e la inventa. (A. Einstein)
Se non c'e` un 555 non e` un buon progetto (IsidoroKZ)
Strumento per formule
-

posta10100
5.550 4 10 13 - Master EY

- Messaggi: 4832
- Iscritto il: 5 nov 2006, 0:09
0
voti
claudiocedrone ha scritto: ...purché le linee che si incrociano si intendano connesse...
Questo punto ha la sua importanza,... anche perché avresti visto una stella dove non ve ne era alcuna...

P.s. I tratti di connessione negli schemi si intendono equipotenziali, se due (o più) terminali sono disegnati uniti direttamente oppure da una linea lunga che gira tutta la schermata

"Non farei mai parte di un club che accettasse la mia iscrizione" (G. Marx)
-

claudiocedrone
21,3k 4 7 9 - Master EY

- Messaggi: 15302
- Iscritto il: 18 gen 2012, 13:36
0
voti
Madonna , che errore stupido ho fatto , il parallelo fra R2 ed R3 andava in serie con R1 , il tutto in parallelo con "l'altro parallelo" , non mi ero accorto che c'era ancora il terminale superiore del generatore ,Scusate 
-

StudDisperato
15 3 - Messaggi: 22
- Iscritto il: 12 mag 2017, 9:51
0
voti
gac ha scritto: ...nodi che sono evidenziati in rosso in questo schema...
...Se usi la trasformazione stella-triangolo dovresti ottenere qualcosa che è algerbricamente più semplice...
Se il nodo Vx esiste e è connesso non c'è nessuna stella !

P.s. Tra l'altro se quell'incrocio non connettesse e il morsetto del generatore andasse alla linea in alto, risulterebbe R2 in serie al parallelo tra R1 e la serie R3 R5, il tutto in parallelo a R4
"Non farei mai parte di un club che accettasse la mia iscrizione" (G. Marx)
-

claudiocedrone
21,3k 4 7 9 - Master EY

- Messaggi: 15302
- Iscritto il: 18 gen 2012, 13:36
0
voti

"Non farei mai parte di un club che accettasse la mia iscrizione" (G. Marx)
-

claudiocedrone
21,3k 4 7 9 - Master EY

- Messaggi: 15302
- Iscritto il: 18 gen 2012, 13:36
26 messaggi
• Pagina 2 di 3 • 1, 2, 3
Torna a Elettrotecnica generale
Chi c’è in linea
Visitano il forum: Nessuno e 20 ospiti

Elettrotecnica e non solo (admin)
Un gatto tra gli elettroni (IsidoroKZ)
Esperienza e simulazioni (g.schgor)
Moleskine di un idraulico (RenzoDF)
Il Blog di ElectroYou (webmaster)
Idee microcontrollate (TardoFreak)
PICcoli grandi PICMicro (Paolino)
Il blog elettrico di carloc (carloc)
DirtEYblooog (dirtydeeds)
Di tutto... un po' (jordan20)
AK47 (lillo)
Esperienze elettroniche (marco438)
Telecomunicazioni musicali (clavicordo)
Automazione ed Elettronica (gustavo)
Direttive per la sicurezza (ErnestoCappelletti)
EYnfo dall'Alaska (mir)
Apriamo il quadro! (attilio)
H7-25 (asdf)
Passione Elettrica (massimob)
Elettroni a spasso (guidob)
Bloguerra (guerra)





