Buongiorno,
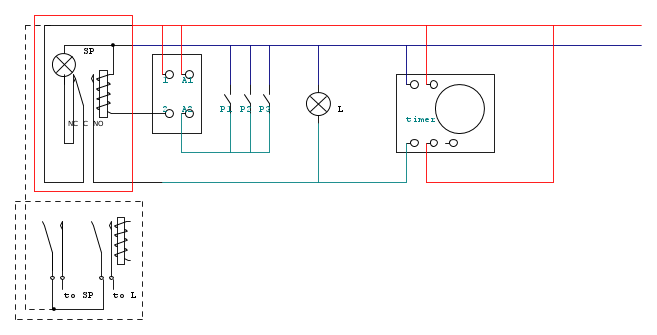
Ho un faretto che illumina una corte esterna comandato da vari pulsanti + relè ad impulso secondo questo schema
Vorrei che questo faretto si accendesse automaticamente tramite timer giornaliero in modo da accendersi la sera e spegnersi la mattina in modo da far rimanere illuminata la corte durante la notte.
Come devo collegare il timer?
Può andare bene collegato così?
Ovviamente quando il timer è acceso la parte di impianto con i pulsanti/relè viene bypassata ma questo non sarebbe un problema.
Rele impulso + timer giornaliero
Moderatori:
sebago,
MASSIMO-G,
lillo,
Mike
9 messaggi
• Pagina 1 di 1
0
voti
0
voti
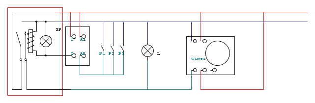
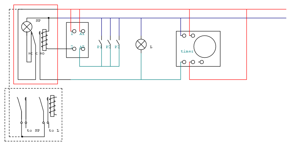
Il circuito che hai disegnato mi sembra abbia un inconveniente:
Supponiamo che di sera - qunado la luce e' accesa automaticamente - uno azioni un pulsante: non sa come si e' posizionato il rele ad impulsi.
Potrebbe essere che la mattina la luce *non* si spenga perche' il rele' ad impulsi e' posizionato su acceso, e questo potrebbe essere non conveniente se non c'e' nessuno in casa a controllare.
Per aggiungere una segnalazione sullo stato del rele' ad impulsi occorre aggiungere un rele' monostabile con contatto NO e NC azionato dal rele ad impulsi (riquadro rosso).
Con "luce accesa" da rele' ad impulsi la spia SP e' spenta e viceversa.
Se vuoi una logica "diretta" - spia accesa con "luce accesa" - occorre un rele' con due contatti (riquadro tratteggiato.
Supponiamo che di sera - qunado la luce e' accesa automaticamente - uno azioni un pulsante: non sa come si e' posizionato il rele ad impulsi.
Potrebbe essere che la mattina la luce *non* si spenga perche' il rele' ad impulsi e' posizionato su acceso, e questo potrebbe essere non conveniente se non c'e' nessuno in casa a controllare.
Per aggiungere una segnalazione sullo stato del rele' ad impulsi occorre aggiungere un rele' monostabile con contatto NO e NC azionato dal rele ad impulsi (riquadro rosso).
Con "luce accesa" da rele' ad impulsi la spia SP e' spenta e viceversa.
Se vuoi una logica "diretta" - spia accesa con "luce accesa" - occorre un rele' con due contatti (riquadro tratteggiato.
0
voti
Mi sembra che il circuito possa essere semplificato come segue, mettendo la spia in parallelo alla bobina del rele' monostabile.
0
voti
Hai ragione non avevo pensato a questa possibilità. Quello che suggerisci tu sarebbe perfetto ma non ho molta dimestichezza con quella componentistica. Potrei banalmente sfruttare il contatto NC del timer in modo tale che quando il timer non funziona possa usare i pulsanti mentre quando il contatto NA si chiude e quindi si apre il NC la parte relè sia disattivata?
0
voti
scroll86 ha scritto:Quello che suggerisci tu sarebbe perfetto ma non ho molta dimestichezza con quella componentistica
Ti suggerisco di far eseguire le modifche ad un professionista abilitato.
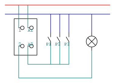
Se interpreto bene quello che proponi, qui sotto lo schema modificato (la modifica e' il filo giallo che mette in serie ai pulsanti il contatto Normalmente Chiuso del timer).
Considera pero' quanto segue:
- ore 17:00 (timer NON attivo): accendi la luce tramite pulsante e rele' ad impulsi -> luce accesa
- ore 18:00 : inteviene il timer -> luce accesa
- ore 07:00: luce accesa (non hai modo di verificare con certezza CHI accende la luce : rele' ad impulsi o timer?)
- ore 07:05 esci di casa
La luce rimane accesa perche' l'avevi accesa la sera prima con il pulsante e il rele' ad impulsi
La SPia (del circuito precedente) ti permette di verificare in ogni istante e in modo affidabile e semplice CHI accende la luce ed avere un feedback sull'operazione che stai facendo:
- si accende quando pigi il pulsante e il rele' ad impulsi accende la luce (indipendentemente dal timer)
- si spenge quando avviene l'operazione contraria
0
voti
Il fatto è che i tre pulsanti sono abbastanza distanti tra loro due interni e uno esterno. I relè sono inseriti in un quadro elettrico per cui bisognerebbe andare tutte le volte a vedere fisicamente la spia, cosa non fattibile. A questo punto vedrò se 'tollerare' questa cosa buttando un occhio al faretto oppure se montare un crepuscolare sul faretto che di fatto con il contatto NC di giorno tiene spento il faretto a prescindere da quello che fanno timer e relè
0
voti
In parallelo ai pulsanti potresti mettere un contatto del timer in serie ad un contatto di stato del relè ad impulsi questo per resettare il relè ad impulsi se in posizione di acceso.
L'altro contatto del timer rimane a comandare la luce.
L'altro contatto del timer rimane a comandare la luce.
-

blusol
430 1 4 - CRU - Account cancellato su Richiesta utente
- Messaggi: 394
- Iscritto il: 21 lug 2005, 17:02
0
voti
Non fai prima con un crepuscolare, se la tua esigenza è solo quella di spengere la luce quando è giorno? Magari ci metti un volumetrico se proprio la vuoi accendere quando passa qualcuno.
-

harpefalcata
326 1 3 6 - Stabilizzato

- Messaggi: 422
- Iscritto il: 28 lug 2015, 21:03
1
voti
harpefalcata ha scritto:Non fai prima con un crepuscolare, se la tua esigenza è solo quella di spengere la luce quando è giorno? Magari ci metti un volumetrico se proprio la vuoi accendere quando passa qualcuno.
scusate il ritardo, effettivamente ho risolto con il crepuscolare e basta. Il fatto è che il timer lo avevo in casa e non avrei dovuto acquistare roba nuova; alla fine pero il crepuscolare ha costi abbastanza contenuti e la spesa non è stata eccessiva
9 messaggi
• Pagina 1 di 1
Torna a Impianti, sicurezza e quadristica
Chi c’è in linea
Visitano il forum: Nessuno e 137 ospiti

Elettrotecnica e non solo (admin)
Un gatto tra gli elettroni (IsidoroKZ)
Esperienza e simulazioni (g.schgor)
Moleskine di un idraulico (RenzoDF)
Il Blog di ElectroYou (webmaster)
Idee microcontrollate (TardoFreak)
PICcoli grandi PICMicro (Paolino)
Il blog elettrico di carloc (carloc)
DirtEYblooog (dirtydeeds)
Di tutto... un po' (jordan20)
AK47 (lillo)
Esperienze elettroniche (marco438)
Telecomunicazioni musicali (clavicordo)
Automazione ed Elettronica (gustavo)
Direttive per la sicurezza (ErnestoCappelletti)
EYnfo dall'Alaska (mir)
Apriamo il quadro! (attilio)
H7-25 (asdf)
Passione Elettrica (massimob)
Elettroni a spasso (guidob)
Bloguerra (guerra)






