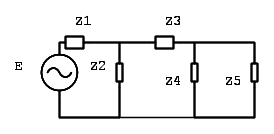
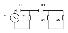
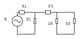
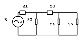
Z3,Z4, e Z5, come sono rispetto a Z2?
Posso considerarle impedenze nulle?
Grazie
Moderatori:
g.schgor,
IsidoroKZ




marymarymary ha scritto: ...Non ho ancora studiato cosa succede...


marymarymary ha scritto:Non ho ancora studiato cosa succede né come comportarmi con la messa a terra.
marymarymary ha scritto:Per l'esame che devo dare infatti non serve.


marymarymary ha scritto: è vero ciò che ha detto arbifive, e cioè che "E non le vede
Torna a Elettrotecnica generale
Visitano il forum: Nessuno e 16 ospiti