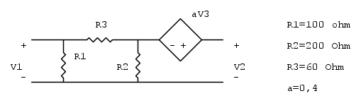
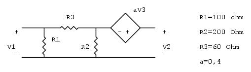
Salve a tutti, mi sono imbattuta in questo doppio bipolo con generatore di tensione controllato in tensione.
L'esercizio chiede di calcolare G21 e G22 della matrice delle conduttanze.
All'inizio mi sembrava un esercizio molto semplice, ma non riesco a ricavare I2 e V1 dal circuito quando V2=0, né I2 e V2 quando V1=0.
Ho proceduto in questo modo:
ho inserito al posto di V1 un generatore di tensione V1=1, cortocircuitando V2...
Forse è qui l'errore, invece di cortocircuitare devo lasciare il circuito aperto?
E come si comporta un generatore controllato in serie ad un circuito aperto?
Sarebbe ininfluente?
Ovviamente il passaggio successivo sarebbe quello di lasciare il circuito aperto dalla parte di V1, e calcolare I2 su V2 quando V1 non c'è, e quando V2=1... E solo in questo circuito comparirebbe il generatore controllato, giusto?
Doppio bipolo con generatore controllato
Moderatori:
g.schgor,
IsidoroKZ
3 messaggi
• Pagina 1 di 1
3 messaggi
• Pagina 1 di 1
Torna a Elettrotecnica generale
Chi c’è in linea
Visitano il forum: Nessuno e 88 ospiti

Elettrotecnica e non solo (admin)
Un gatto tra gli elettroni (IsidoroKZ)
Esperienza e simulazioni (g.schgor)
Moleskine di un idraulico (RenzoDF)
Il Blog di ElectroYou (webmaster)
Idee microcontrollate (TardoFreak)
PICcoli grandi PICMicro (Paolino)
Il blog elettrico di carloc (carloc)
DirtEYblooog (dirtydeeds)
Di tutto... un po' (jordan20)
AK47 (lillo)
Esperienze elettroniche (marco438)
Telecomunicazioni musicali (clavicordo)
Automazione ed Elettronica (gustavo)
Direttive per la sicurezza (ErnestoCappelletti)
EYnfo dall'Alaska (mir)
Apriamo il quadro! (attilio)
H7-25 (asdf)
Passione Elettrica (massimob)
Elettroni a spasso (guidob)
Bloguerra (guerra)








