Cos'è ElectroYou | Login Iscriviti

ElectroYou - la comunità dei professionisti del mondo elettrico

esercizio g.e. Norton

Circuiti, campi elettromagnetici e teoria delle linee di trasmissione e distribuzione dell’energia elettrica

Moderatori: Foto Utenteg.schgor, Foto UtenteIsidoroKZ

1
voti

[21] Re: esercizio g.e. Norton

Messaggioda Foto UtentePietroBaima » 11 nov 2017, 15:39

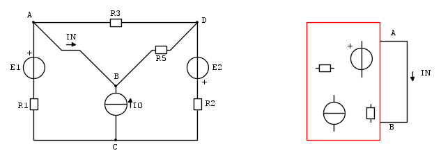
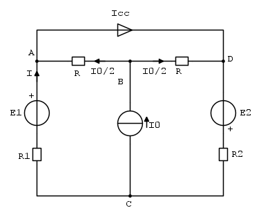
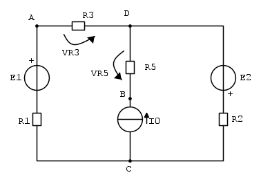
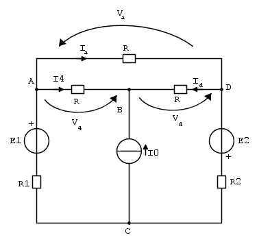
Il circuito è questo, dove ho raddrizzato le connessioni storte (non le sopporto) e ho indicato le tre resistenze R_3,R_4,R_5 con R poiché sono uguali.



Osservando le tensioni e correnti che ho indicato si può scrivere che

V_a+V_4+V_d=0

RI_a-RI_4+RI_d=0

da cui segue che

I_a=I_4-I_d

Considerando il nodo del generatore di corrente ho che:

I_0=-I_4-I_d

e da entrambe quindi:

I_4=\frac{I_a-I_0}{2}

Quindi ho spostato il problema al calcolo di I_a

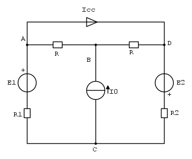
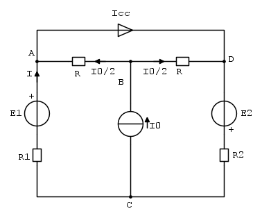
Per calcolarla applico Norton, come richiesto, ovviamente staccando R_3.
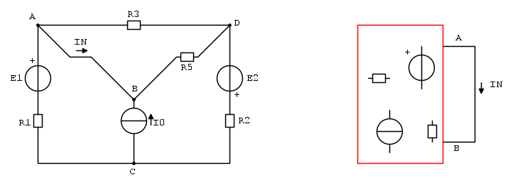
La rete per il calcolo della Icc è quindi questa:



poiché R4 ed R5 sono in parallelo e di uguale valore, la corrente I0 si divide in due parti uguali.



Da cui I_{cc}=I+\frac{I_0}{2}

Ho così spostato il problema al calcolo di I, che valuto con Millman




I=\frac{\frac{\frac{E_1}{R_1}-\frac{E_2}{R_2}+I_0}{\frac{1}{R_1}+\frac{1}{R_2}}-E_1}{R_1}

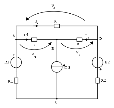
Ora valuto R_{eq}=(2R)/\! /(R_1+R_2)

Ottengo



da cui facilmente I_a=-I_{cc}\frac{R_{eq}}{R_{eq}+R}

e quindi in definitiva I_4=\frac{-I_{cc}\frac{R_{eq}}{R_{eq}+R}-I_0}{2}
Generatore codice per articoli:
nomi
Sul forum:
[pigreco]=π
[ohm]=Ω
[quadrato]=²
[cubo]=³
Avatar utente
Foto UtentePietroBaima
90,7k 7 12 13
G.Master EY
G.Master EY
 
Messaggi: 12206
Iscritto il: 12 ago 2012, 1:20
Località: Londra

0
voti

[22] Re: esercizio g.e. Norton

Messaggioda Foto Utenteghoulsnghosts » 12 nov 2017, 6:23

MarkyMark ha scritto:Sempre della serie "tanti conti facili", un'alternativa potrebbe essere quella di calcolare la tensione V_{AB} a vuoto e calcolare il generatore di Norton come I_N = \frac{V_{AB}}{R_{eq}} :-)




Ho provato ad effetture anche questo metodo e mi è risultato che la la tensione V_{AB} a vuoto è nulla,
ed è nulla di conseguenza la I_N = \frac{V_{AB}}{R_{eq}}=0
Mi chiedevo se questa V_{AB} a vuoto non è altro che la f.e.m del generatore equivalente di Thevenin E_{Th},
e se quindi ho calcolato la I_N passando per la E_{Th}.
Avatar utente
Foto Utenteghoulsnghosts
85 4
 
Messaggi: 31
Iscritto il: 7 giu 2013, 19:46

0
voti

[23] Re: esercizio g.e. Norton

Messaggioda Foto Utenteg.schgor » 12 nov 2017, 9:10

V_{AB}=-86.956 e R_{eq}=226

dunque I_N=-0.385A (diretta da B ad A)

Perché dici che è =0?
Avatar utente
Foto Utenteg.schgor
57,8k 9 12 13
G.Master EY
G.Master EY
 
Messaggi: 16971
Iscritto il: 25 ott 2005, 9:58
Località: MILANO

2
voti

[24] Re: esercizio g.e. Norton

Messaggioda Foto UtenteRenzoDF » 12 nov 2017, 10:07

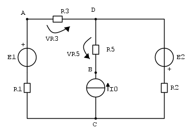
Io direi che detta x la corrente (verso destra) in R5 (=R3), basterebbe una KVL



E_1-R_5x+E_2-2R_2x-R_1(2x-I_0)=0

per ottenere x=40 \, \text{mA}

e quindi I_N=Icc=x-I_0=0

e, ovviamente, di conseguenza, I_4=0.
"Il circuito ha sempre ragione" (Luigi Malesani)
Avatar utente
Foto UtenteRenzoDF
55,9k 8 12 13
G.Master EY
G.Master EY
 
Messaggi: 13189
Iscritto il: 4 ott 2008, 9:55

1
voti

[25] Re: esercizio g.e. Norton

Messaggioda Foto UtenteMarkyMark » 12 nov 2017, 11:37

ghoulsnghosts ha scritto:Mi chiedevo se questa V_{AB} a vuoto non è altro che la f.e.m del generatore equivalente di Thevenin...


Sì, è proprio lei :D

Se metti in evidenza il bipoloo che ti interessa (cortocitcuito) lo vedi facilmente


mark
Avatar utente
Foto UtenteMarkyMark
3.422 2 5 6
Master EY
Master EY
 
Messaggi: 518
Iscritto il: 11 giu 2016, 12:01

0
voti

[26] Re: esercizio g.e. Norton

Messaggioda Foto UtenteFedhman » 12 nov 2017, 20:21

IsidoroKZ ha scritto:usando bene la propria calcolatrice, le sue memorie, lo si fa "al volo"


Già. Le calcolatrici scientifiche algebriche dai 10€ ai 20€ risolvono i sistemi 3x3 (esempio: Casio fx-991ES) mentre quelle sulla fascia 20€-30€ arrivano ai 4x4 (esempio: Casio fx-991EX) e qualunque scientifica è ormai dotata di una decina di memorie. Sono tutte ottime alleate per risolvere col metodo dei nodi o degli anelli i circuiti. Si risparmia tempo e soprattutto si sbaglia un po' (poco) meno :mrgreen:

Potendo stare al PC conviene andarci di script MATLAB (o equivalenti). Non bisogna reimmettere i dati in caso di problemi, un gran vantaggio...e si può parametrizzare e plottare tutto en passant.

Foto Utenteghoulsnghosts come dice Foto UtentePietroBaima fai le linee dritte!
I don't fight weather - Woodrow W. Smith
Avatar utente
Foto UtenteFedhman
5.195 2 9 13
Master
Master
 
Messaggi: 483
Iscritto il: 4 giu 2013, 14:05
Località: Augusta Taurinorum

Precedente

Torna a Elettrotecnica generale

Chi c’è in linea

Visitano il forum: Nessuno e 17 ospiti