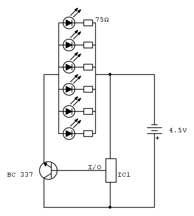
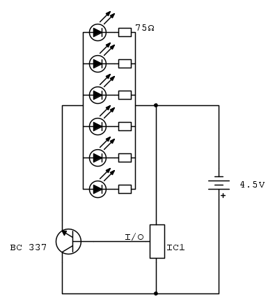
sto costruendo una lampada con 6 led SMD 5050 alimentati da batterie (4,5V) e utilizzo come interruttore un modulo touch basato sul chip TTP223.
Il modulo è questo
Ho fatto delle prove con un solo led alimentando il modulo a 5V e tutto funziona. Il led lo alimentavo direttamente dall'uscita I/O del modulo. Ma da quell'uscita se non ho capito male posso avere solo 8mA e i miei 6 led in parallelo richiedono circa 120mA (alimentati a 4,5V con resistenze da 75ohm)
Ora quindi voglio mettere un transistor tra l'I/O e l'alimentazione dei led ma mi sorgono dei dubbi.
Lo schema è il seguente
I dubbi sono:
Devo limitare la corrente sul gate del transistor?
La corrente che mi esce dal transistor è funzione di quella che gli arriva al gate oppure funziona ancora (4,5V-3V)/75=0,020 mA?
Le lampade saranno apprezzate come regalo di Natale? (scherzo...)
Grazie come al solito per la disponbilità!
Ciao


Elettrotecnica e non solo (admin)
Un gatto tra gli elettroni (IsidoroKZ)
Esperienza e simulazioni (g.schgor)
Moleskine di un idraulico (RenzoDF)
Il Blog di ElectroYou (webmaster)
Idee microcontrollate (TardoFreak)
PICcoli grandi PICMicro (Paolino)
Il blog elettrico di carloc (carloc)
DirtEYblooog (dirtydeeds)
Di tutto... un po' (jordan20)
AK47 (lillo)
Esperienze elettroniche (marco438)
Telecomunicazioni musicali (clavicordo)
Automazione ed Elettronica (gustavo)
Direttive per la sicurezza (ErnestoCappelletti)
EYnfo dall'Alaska (mir)
Apriamo il quadro! (attilio)
H7-25 (asdf)
Passione Elettrica (massimob)
Elettroni a spasso (guidob)
Bloguerra (guerra)







