Ciao a tutti,
guardando il seguente video mi è venuta voglia di provare a costruire un alimentatore abbastanza aggressivo: 5V 10A
Video di partenza:
https://www.youtube.com/watch?v=PVro-3pPuOk
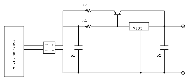
Schema utilizzato
Con i seguenti dati:
R2 = 0.4 ohm
R1 = 100 ohm
C1 = 4x4700uF
C2 = 2X4700uF
PNP = BDX54C DATASHEET
Il circuito funziona, ma il regolatore di tensione no... in uscita sono ad ottenere correnti fino a circa 8A, ma la tensione non è regolata: parte senza carico da 7-8 V e poi man mano che aggiungo carichi si abbassa... ma resta comunque sempre oltre i 5V...
Dove sto sbagliando?
Ringrazio in anticipo
Alimentatore 10A
Moderatori:
carloc,
g.schgor,
BrunoValente,
IsidoroKZ
24 messaggi
• Pagina 1 di 3 • 1, 2, 3
0
voti
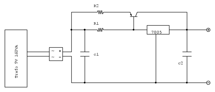
Che tensione misuri in uscita nel seguente circuito?
0
voti
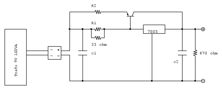
Ho apportato delle modifiche e ora sul carico da 470ohm ho 4,1V
Il circuito è composto così
R2 = 1,5 ohm
R1 = 100 ohm
C1 = 4x4700uF
C2 = 2X4700uF
PNP = BDX54C DATASHEET
Ps. Ho notato che dopo una accensione di 10 secondi i condensatori C1 sembrano leggermente tiepidi
La X nel tuo schema cosa rappresenta?
Il circuito è composto così
R2 = 1,5 ohm
R1 = 100 ohm
C1 = 4x4700uF
C2 = 2X4700uF
PNP = BDX54C DATASHEET
Ps. Ho notato che dopo una accensione di 10 secondi i condensatori C1 sembrano leggermente tiepidi
La X nel tuo schema cosa rappresenta?
1
voti

"Non farei mai parte di un club che accettasse la mia iscrizione" (G. Marx)
-

claudiocedrone
21,3k 4 7 9 - Master EY

- Messaggi: 15302
- Iscritto il: 18 gen 2012, 13:36
0
voti
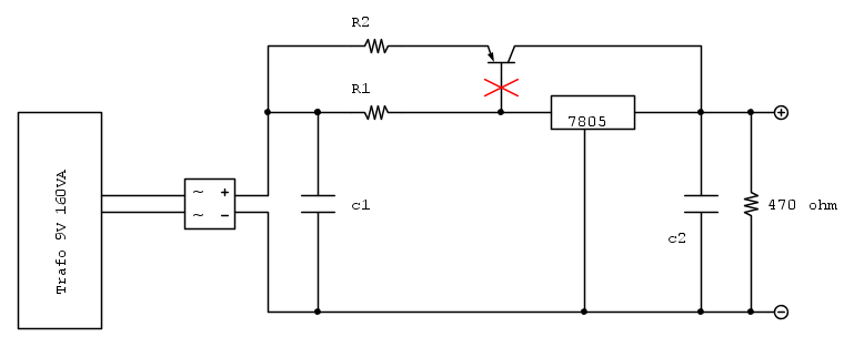
Se non vuoi scollegare la base del transistor prova questo circuito (che NON funziona per "alte" correnti).
Che tensione misuri sulla resistenza da 470 ohm(dopo aver fatto questa modifica)?
P.S. che conti hai fatto per calcolare il valore di R1 e R2?
P.P.S guarda questo thread
viewtopic.php?f=1&t=66407&start=10#p676711
ed in particolare questo post
viewtopic.php?f=1&t=66407&start=20#p676893
Che tensione misuri sulla resistenza da 470 ohm(dopo aver fatto questa modifica)?
P.S. che conti hai fatto per calcolare il valore di R1 e R2?
P.P.S guarda questo thread
viewtopic.php?f=1&t=66407&start=10#p676711
ed in particolare questo post
viewtopic.php?f=1&t=66407&start=20#p676893
0
voti
claudiocedrone ha scritto: ...mettere un livellamento "gigante" a valle del regolatore è molto poco sensato...
almeno che io sappia non conviene porre una grossa capacità in uscita al regolatore lineare, in quanto rappresenta un carico capacitivo importante con conseguente elevata corrente di in-rush etc., cosa che i rgolatori lineari mi pare gradiscano ben poco (ben vengano eventuali correzioni e/o smentite, ma anche l'autore del video se non vado errato nell'alimentatore da 300 W dopo il 7812 mette 10 microfarad... ) e ho anche un vago ricordo di una affermazione di

"Non farei mai parte di un club che accettasse la mia iscrizione" (G. Marx)
-

claudiocedrone
21,3k 4 7 9 - Master EY

- Messaggi: 15302
- Iscritto il: 18 gen 2012, 13:36
0
voti
[10] Re: Alimentatore 10A
elfo ha scritto:Se non vuoi scollegare la base del transistor prova questo circuito (che NON funziona per "alte" correnti).
Che tensione misuri sulla resistenza da 470 ohm(dopo aver fatto questa modifica)?
La tensione era prossima a 5V... ma dalle resistenze R1//33ohm ho visto sollevarsi un leggerissimo fumetto, e allora ho disalimentato subito tutto...
però ho deciso di fermarmi un attimo, e di riflettere bene prima di procedere con prove che potrebbero manomettere il circuito o peggio ancora far danni... ho deciso,di rincominciare da zero...
Ripartirò dallo schema riportato ma con questi valori(sicuramente sovradimensionati):
R1=4.7ohm 50W
R2=4.7ohm 50W
C1=2200uF 63V
C2=100uF 50V
In molti schemi ho visto la presenza di un C=100uF tra la base del transistor e gnd... proverò ad inserire anche quello lì... tra domani e domenica realizzerò il circuito, poi vi riporterò le varie misure e valori. Intanto vi ringrazio per le dritte, e se avete ulteriori consigli ben vengano

24 messaggi
• Pagina 1 di 3 • 1, 2, 3
Chi c’è in linea
Visitano il forum: Nessuno e 115 ospiti

Elettrotecnica e non solo (admin)
Un gatto tra gli elettroni (IsidoroKZ)
Esperienza e simulazioni (g.schgor)
Moleskine di un idraulico (RenzoDF)
Il Blog di ElectroYou (webmaster)
Idee microcontrollate (TardoFreak)
PICcoli grandi PICMicro (Paolino)
Il blog elettrico di carloc (carloc)
DirtEYblooog (dirtydeeds)
Di tutto... un po' (jordan20)
AK47 (lillo)
Esperienze elettroniche (marco438)
Telecomunicazioni musicali (clavicordo)
Automazione ed Elettronica (gustavo)
Direttive per la sicurezza (ErnestoCappelletti)
EYnfo dall'Alaska (mir)
Apriamo il quadro! (attilio)
H7-25 (asdf)
Passione Elettrica (massimob)
Elettroni a spasso (guidob)
Bloguerra (guerra)






