Cos'è ElectroYou | Login Iscriviti

ElectroYou - la comunità dei professionisti del mondo elettrico

Interruttore touch e transistor

Elettronica lineare e digitale: didattica ed applicazioni

Moderatori: Foto Utentecarloc, Foto Utenteg.schgor, Foto UtenteBrunoValente, Foto UtenteIsidoroKZ

0
voti

[11] Re: Interruttore touch e transistor

Messaggioda Foto Utentebalduzz » 8 dic 2017, 2:26

Il primo fatto come da schema al post [1] funziona bene.
Foto UtenteBrunoValente, la luce dei led è effettivamente maggiore di quella che mi aspettassi anche con resistenze da 75 ohm

GuidoB ha scritto:Io collegherei l'NPN a emettitore comune, con il carico dei LED sul collettore, con una resistenza sulla base per limitare la corrente. Così la caduta sarebbe intorno a 0,2-0,3 V.


Grazie per il suggerimento, nessun problema a provarlo sul prossimo e vedere la differenza! Domani posto lo schema che suggerisci per essere sicuro di aver capito bene.
Che resistenza dovrei mettere sulla base?
Il vantaggio è che posso avere più corrente sui led perché "conservo" più tensione?

Fatemi capire, quantitativamente, trascurando la caduta di tensione 0,3 V o 0,7 V che sia, in entrambe le configurazioni, i transistor danno ai led una corrente maggiore rispetto ai 20 mA che avevo calcolato come se fossero collegati direttamente alla batteria?

grazie
ciao O_/
Avatar utente
Foto Utentebalduzz
1.541 1 4 7
Expert
Expert
 
Messaggi: 642
Iscritto il: 6 ott 2015, 9:59
Località: Brescia

2
voti

[12] Re: Interruttore touch e transistor

Messaggioda Foto UtenteBrunoValente » 8 dic 2017, 11:48

Domanda strana, forse non l'ho capita.

Ai capi dei led (resistenze+led) in ogni caso c'è una tensione pari alla differenza tra quella di alimentazione e la caduta sul transistor e se la caduta sul transistor è trascurabile vuol dire che ai capi dei led c'è una tensione pari a quella di alimentazione o quasi.

Detto questo, la corrente che scorre nei led, ovviamente, è quella che compete con quella tensione e basta: cosa vuoi che gliene importa ai led da dove arriva la tensione ai loro capi.

Una volta che ai led è stata assicurata una certa tensione, sono poi loro e nessun'altro a determinare la corrente di assorbimento in funzione di quella tensione.
Avatar utente
Foto UtenteBrunoValente
39,6k 7 11 13
G.Master EY
G.Master EY
 
Messaggi: 7796
Iscritto il: 8 mag 2007, 14:48

2
voti

[13] Re: Interruttore touch e transistor

Messaggioda Foto Utenteelfo » 8 dic 2017, 12:05

Prendete quello che segue con un ragionamento ad "alta voce" sull'efficienza del circuito.

Consideriamo il circuito della seguente figura.
Un "volgare" transistor con le correnti relative ai 3 terminali.

Abbiamo due casi:
1) carico (LED + resistenze) collegato sul collettore (configurazione emettitore comune)
2) carico collegato sull'emettitore (configurazione collettore comune)

- Nel caso 1 la corrente di base viene "sprecata" perche' "accende" il transistor ma NON passa nel carico
- Nel caso 2 invece passa anche nel carico

Nel caso 1 la "regola del pollice" recita di considerare un guadagno del transistor di 10 e quindi la corrente di base sara' dimensionata a 1/10 di quella del carico riducendo l'efficienza del circuito di un ulteriore 10%.

E' da notare che - a parita' di corrente che circola nei LED (es 20 mA) - l'efficienza del circuito (trascurando la perdita dovuta alla corrente di base "persa") e' indifferente da dove e' collegato il carico (cambia solo la ripartizione della dissipazione tra transistor e resistenza in serie ai led)

Nel caso 2 (piu' efficiente) invece il dimensionamento del circuito e' piu' critico perche' i fattori in gioco sono:

a) tensione di alimentazione disponibile (tensione della batteria)
b) tensione in uscita dal circuito integrato (che pilota la base del transistor)
c) Vbe del transistor
d) tensione dei LED

Dati questi parametri e' possibile calcolare la resistenza in serie ai LED - in pratica per piccolissime serie il valore della resistenza, piu' che calcolato va "sperimentato"

Nel caso 1 (meno efficiente ma dimensionamento piu' semplice) i parametri b e c non "esistono" ed il calcolo e' piu' prevedibile (la Vbe viene sostituita dalla Vce (di saturazione) del transistor ma e' "sufficientemente piccola" da poter essere trascurata)
Avatar utente
Foto Utenteelfo
6.819 4 5 7
G.Master EY
G.Master EY
 
Messaggi: 2828
Iscritto il: 15 lug 2016, 13:27

0
voti

[14] Re: Interruttore touch e transistor

Messaggioda Foto Utentebalduzz » 8 dic 2017, 19:21

Ciao Guido,

GuidoB ha scritto:Io collegherei l'NPN a emettitore comune, con il carico dei LED sul collettore, con una resistenza sulla base per limitare la corrente. Così la caduta sarebbe intorno a 0,2-0,3 V.


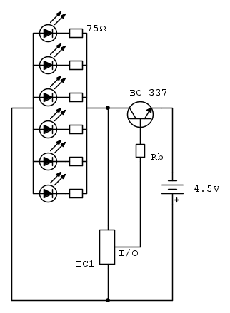
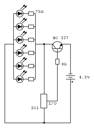
Lo schema qui sotto è corretto?
Quale dovrebbe essere allora Rb? Attorno ad 1kohm dovrebbe dare circa 4mA...può andare?

Avatar utente
Foto Utentebalduzz
1.541 1 4 7
Expert
Expert
 
Messaggi: 642
Iscritto il: 6 ott 2015, 9:59
Località: Brescia

0
voti

[15] Re: Interruttore touch e transistor

Messaggioda Foto Utentebalduzz » 8 dic 2017, 19:28

BrunoValente ha scritto:Domanda strana, forse non l'ho capita.

Strana...un modo gentile per dire "stupida"! Comunque vedo che l'hai capita perché la risposta era proprio quella alla mia domanda!

Ma allora questi transistor amplificatori cosa amplificano?! ?%
Un'altra domanda "strana", lo so, ma stavolta non pretendo risposta! :mrgreen: :mrgreen: :mrgreen:
Avatar utente
Foto Utentebalduzz
1.541 1 4 7
Expert
Expert
 
Messaggi: 642
Iscritto il: 6 ott 2015, 9:59
Località: Brescia

0
voti

[16] Re: Interruttore touch e transistor

Messaggioda Foto Utentebalduzz » 8 dic 2017, 19:41

A scanso di equivoci, chiedo...
Pensavo di eliminare il led rosso (LED1 nello schema sotto) che si accende quando l'interruttore è chiuso e mi rovina l'effetto della lampada.
Non mi sembra che ci siano controindicazioni vero? Lo posso semplicemente sradicare dal PCB vero?

schema ttp223 module.jpg


Risparmio anche batteria! :ok:
Avatar utente
Foto Utentebalduzz
1.541 1 4 7
Expert
Expert
 
Messaggi: 642
Iscritto il: 6 ott 2015, 9:59
Località: Brescia

0
voti

[17] Re: Interruttore touch e transistor

Messaggioda Foto Utentebalduzz » 8 dic 2017, 19:44

elfo ha scritto:Prendete quello che segue con un ragionamento ad "alta voce" sull'efficienza del circuito.

Foto Utenteelfo con tutto il bene che ti voglio vorrei poterti dire che il tuo ragionamento è fantastico ma è onestamente troppo per le mie capacità. Quindi beccati un puntazzo sulla fiducia e grazie.

Una domanda, ma quello che intendi tu corrisponde allo schema suggerito da GuidoB oppure non ho capito proprio niente?
Avatar utente
Foto Utentebalduzz
1.541 1 4 7
Expert
Expert
 
Messaggi: 642
Iscritto il: 6 ott 2015, 9:59
Località: Brescia

0
voti

[18] Re: Interruttore touch e transistor

Messaggioda Foto UtenteBrunoValente » 8 dic 2017, 20:59

balduzz ha scritto:...Ma allora questi transistor amplificatori cosa amplificano?! ?%
Un'altra domanda "strana", lo so, ma stavolta non pretendo risposta! :mrgreen: :mrgreen: :mrgreen:

La domanda in effetti è ancora più strana dell'altra, ma provo lo stesso a darti una risposta che per forza di cose è ovvia.

Amplificano semplicemente la corrente: nel circuito del collettore hai una corrente maggiore di quella che scorre nella base.

Lo schema al messaggio [14] è sbagliato, quello al messaggio [16] non capisco cosa sia.
Avatar utente
Foto UtenteBrunoValente
39,6k 7 11 13
G.Master EY
G.Master EY
 
Messaggi: 7796
Iscritto il: 8 mag 2007, 14:48

0
voti

[19] Re: Interruttore touch e transistor

Messaggioda Foto UtenteZeitung » 8 dic 2017, 21:45

ciao, e se controllasse la corrente dei led lasciandoli in serie al collettore attraverso una resistenza in serie all´ emettitore? poi però bisogna fare considerazioni sulla resistenza de scegliere.
Avatar utente
Foto UtenteZeitung
55 1 2 7
Frequentatore
Frequentatore
 
Messaggi: 225
Iscritto il: 17 nov 2009, 14:13

0
voti

[20] Re: Interruttore touch e transistor

Messaggioda Foto UtenteBrunoValente » 8 dic 2017, 22:10

Si potrebbe fare se la tensione di alimentazione dei led fosse più alta di quella dell'integrato, almeno alta come quella dell'integrato più la somma delle cadute sui led collegati in serie, altrimenti la corrente nel collettore, e quindi nei led, si annullerebbe, cioè si avrebbe corrente in base e non nel collettore perché il collettore, nonostante i led collegati, vedrebbe un circuito aperto.
Avatar utente
Foto UtenteBrunoValente
39,6k 7 11 13
G.Master EY
G.Master EY
 
Messaggi: 7796
Iscritto il: 8 mag 2007, 14:48

PrecedenteProssimo

Torna a Elettronica generale

Chi c’è in linea

Visitano il forum: Nessuno e 69 ospiti